Operation CHARM: Car repair manuals for everyone.
Manuals through 2025 now available!

Our trusted friends have launched a new website named LEMON, which has newer manuals. It also contains all the CHARM manuals.

LEMON is the spiritual successor to CHARM, I recommend you try it!

Link: lemon-manuals.la or lemon-manuals.org.ua

(Some people have issue connecting. LEMON is investigating. For now, use Firefox or change your DNS server)

Or, hide this message: temporarily or permanently

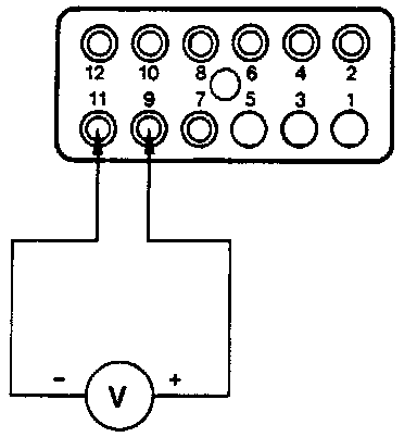
Fuel Pump Relay Test


Test Data
- Cut-out speed of relay 6,000 ± 50 rpm

Special Tools:





Equipment
- Multimeter -- e.g. SUN DMM-5
- Engine analyzer -- SUN EMT-1019/Master 3 or MCM-2110, All-Test 361 0-MB (Available through the MBNA Standard Equipment Program)

Test Condition
- Battery voltage at least 11.5 Volts.

Wiring Diagram, Fuel Pump Relay:





M3/1 Fuel pump 1
M3/2 Fuel pump 2
N6 A/C compressor control unit
N16/4 Fuel pump relay
W10 Ground, battery
W11 Ground, engine
W12 Ground, center console
X35 Terminal block circuits 30/61
X36 Connector, fuel pump wiring harness






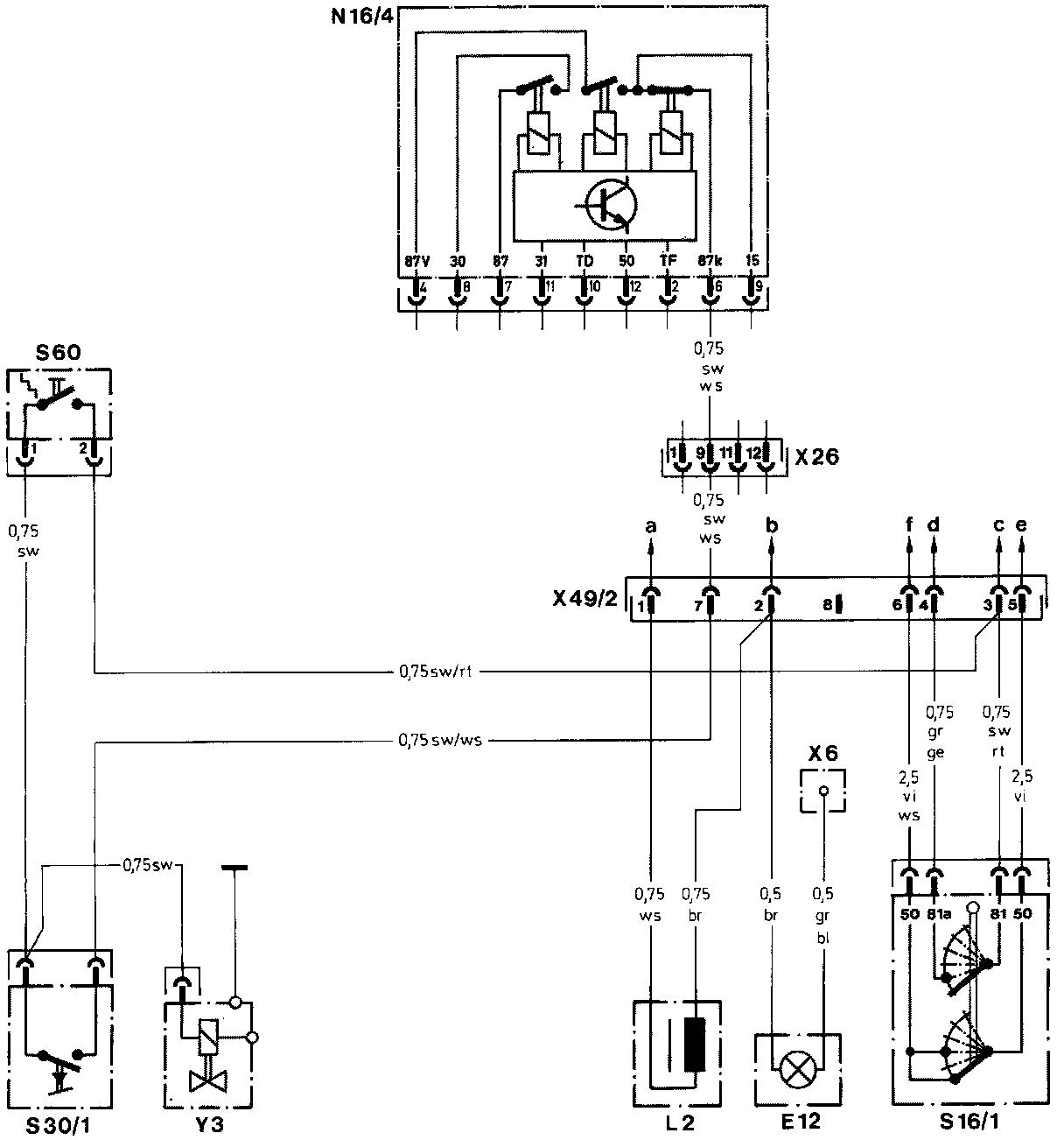
Wiring Diagram, Models 107, 126 With Engines 116, 117 For Engine Rpm Controlled Kick-down
E12 Shift pattern illumination
N16/4 Fuel pump relays
L2 Vehicle speed sensor
S16/1 Starter lock-out/backup lamp switch
S30/1 Kick-down switch
S60 "B" position shift lever switch
X6 Terminal block circuit 56d
X26 Connection engine wiring harness (The black/white wire from connector X49/2 is connected to terminal 7)
X49/2 Connection starter lock-out/backup lamp switch
Y3 Kick-down solenoid

a Speedometer
b Model 107 W1 Main ground, right footwell
Model 126 W1 Main ground, behind instrument cluster
c Fuse circuit 15
d Backup lamp exterior lamp failure monitoring unit
e Ignition Starter switch
f Starter

Test Page 1:





Fig. 1:





Fig. 2:





Fig. 3:





Test Page 2:





Fig. 4:





Fig. 5:





Test Page 3: