Operation CHARM: Car repair manuals for everyone.
Manuals through 2025 now available!

Our trusted friends have launched a new website named LEMON, which has newer manuals. It also contains all the CHARM manuals.

LEMON is the spiritual successor to CHARM, I recommend you try it!

Link: lemon-manuals.la or lemon-manuals.org.ua

(Some people have issue connecting. LEMON is investigating. For now, use Firefox or change your DNS server)

Or, hide this message: temporarily or permanently

Computers and Control Systems: Adjustments




AP07.61-P-0750B Test/adjust Idle Speed, Emission Value/lambda Control (ME-SFI)
- ENGINES 111.943 /946 /958 /973 /983 in MODEL 170
- with CODE (918) Open-loop emission control system and vehicles without catalytic converter
- ENGINES 111.921 /944 /945 /952 /956 /975 in MODEL 202
- with CODE (918) Open-loop emission control system and vehicles without catalytic converter
- ENGINES 111.951 /955 /981 in MODEL 203
- with CODE (918) Open-loop emission control system
- ENGINES 111.944 /945 /956 /975 /982 in MODEL 208
- With CODE (918) Open-loop emission control system and vehicles without catalytic converter
- ENGINES 111.942 /947 /957 in MODEL 210
- with CODE (918) Open-loop emission control system and vehicles without catalytic converter

Connection diagram for test equipment on vehicles without catalytic converter
Shows model 210







005 Emission sensor
006 CO tester
014 Exhaust funnel
018 Remote oil thermometer
087 Handheld tester (HHT)
X11/4 Diagnostic data link connector 38-pin (pulse signal)

Testing unit connection diagram for vehicles with code 918
Shows model 210







006 CO tester
018 Remote oil thermometer
035 Exhaust test connection
0100 STAR DIAGNOSIS
X11/4 Diagnostic data link connector 38-pin (pulse signal)

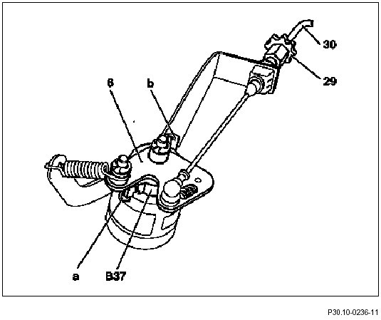
Engine 111 with ME-SFI continuous fuel injection system with control cable







6 Throttle control relay lever
a Closed throttle stop
b Full throttle stop

Engine 111 with ME-SFI continuous fuel injection system (model 203, 170 as of 03. 00)







B37 Pedal value sensor




























124 589 07 21 00, Remote thermometer







126 589 11 63 00, Emission sensor







103 589 00 91 00, Test connection