Operation CHARM: Car repair manuals for everyone.
Manuals through 2025 now available!

Our trusted friends have launched a new website named LEMON, which has newer manuals. It also contains all the CHARM manuals.

LEMON is the spiritual successor to CHARM, I recommend you try it!

Link: lemon-manuals.la or lemon-manuals.org.ua

(Some people have issue connecting. LEMON is investigating. For now, use Firefox or change your DNS server)

Or, hide this message: temporarily or permanently

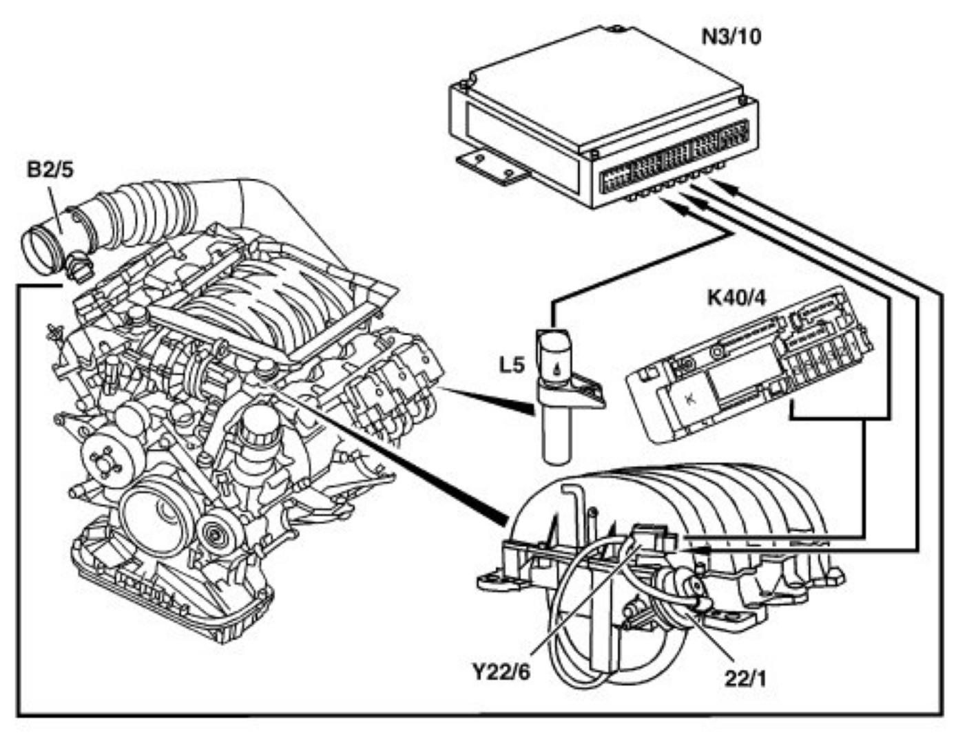
Intake Manifold Switchover, Function




Intake Manifold Switchover, Function




Shown on model 210
22/1 Variable intake manifold switchover diaphragm unit
B2/5 Hot film mass air flow sensor (intake air temperature sensor integrated)
K40/4 Fuse and relay module
L5 Crankshaft position sensor
N3/10 Motor electronics control unit
Y22/6 Variable intake manifold switchover valve

Task
Actuating variable intake manifold switchover valve in line with engine load and speed.

Function
The variable intake manifold switchover valve is actuated by the ME-SFI control unit in line with the engine load and speed:
- When starting and at low rotational speeds, the variable flaps are opened - variable intake manifold switchover valve de-energized.
- At a load exceeding 50% as of approx. 1750 rpm up to approx. 3900 rpm the variable flaps are closed. The variable intake manifold switchover valve is opened by means of a ground signal by the ME-SFI control unit for this purpose. The intake manifold switchover diaphragm unit is pressurized with vacuum and operates the flap shafts.
- As of, for example, 3900 rpm the variable intake manifold switchover valve is no longer actuated. The variable flaps open through spring force.