Operation CHARM: Car repair manuals for everyone.
Manuals through 2025 now available!

Our trusted friends have launched a new website named LEMON, which has newer manuals. It also contains all the CHARM manuals.

LEMON is the spiritual successor to CHARM, I recommend you try it!

Link: lemon-manuals.la or lemon-manuals.org.ua

(Some people have issue connecting. LEMON is investigating. For now, use Firefox or change your DNS server)

Or, hide this message: temporarily or permanently

Front


1. Raise and support vehicle, allowing control arm to hang freely.
2. Remove brake caliper, rotor and dust shield, then disconnect tie rod from spindle using suitable tool.
3. If necessary, remove steering gear attaching bolts and position gear as necessary to gain access to control arm attaching bolts.
4. Remove cotter pin, then loosen ball joint stud nut approximately two turns. Do not remove stud nut at this time.
5. Tap spindle boss with suitable mallet to disengage ball joint stud from spindle, then compress coil spring using suitable tool.
6. Remove ball joint stud nut, then raise strut and spindle assembly and wire in place to gain increased working area for control arm removal.
7. Remove control arm to crossmember pivot bolts and nuts, then the control arm.


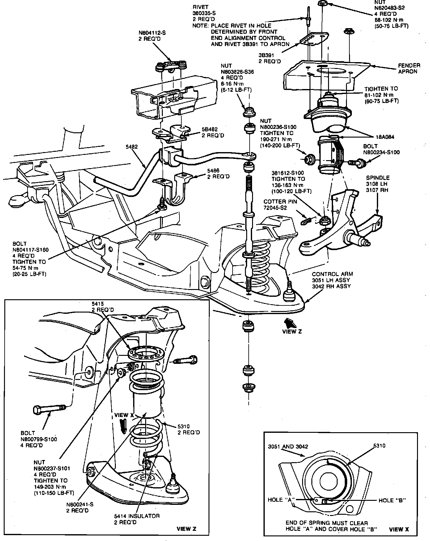
Fig. 1 Front suspension assembly:





8. Reverse procedure to install, noting the following:
a. When installing coil spring, ensure lower spring end is positioned between the two holes in control arm spring pocket as shown in Fig. 1.
b. Torque control arm attaching nuts to 130 ft. lbs., steering gear to crossmember attaching nuts to 95 ft. lbs., ball joint stud nut to 110 ft. lbs. and tie rod to spindle attaching nut to 35 ft. lbs.