Operation CHARM: Car repair manuals for everyone.
Manuals through 2025 now available!

Our trusted friends have launched a new website named LEMON, which has newer manuals. It also contains all the CHARM manuals.

LEMON is the spiritual successor to CHARM, I recommend you try it!

Link: lemon-manuals.la or lemon-manuals.org.ua

(Some people have issue connecting. LEMON is investigating. For now, use Firefox or change your DNS server)

Or, hide this message: temporarily or permanently

A. Engine RE-Work - All

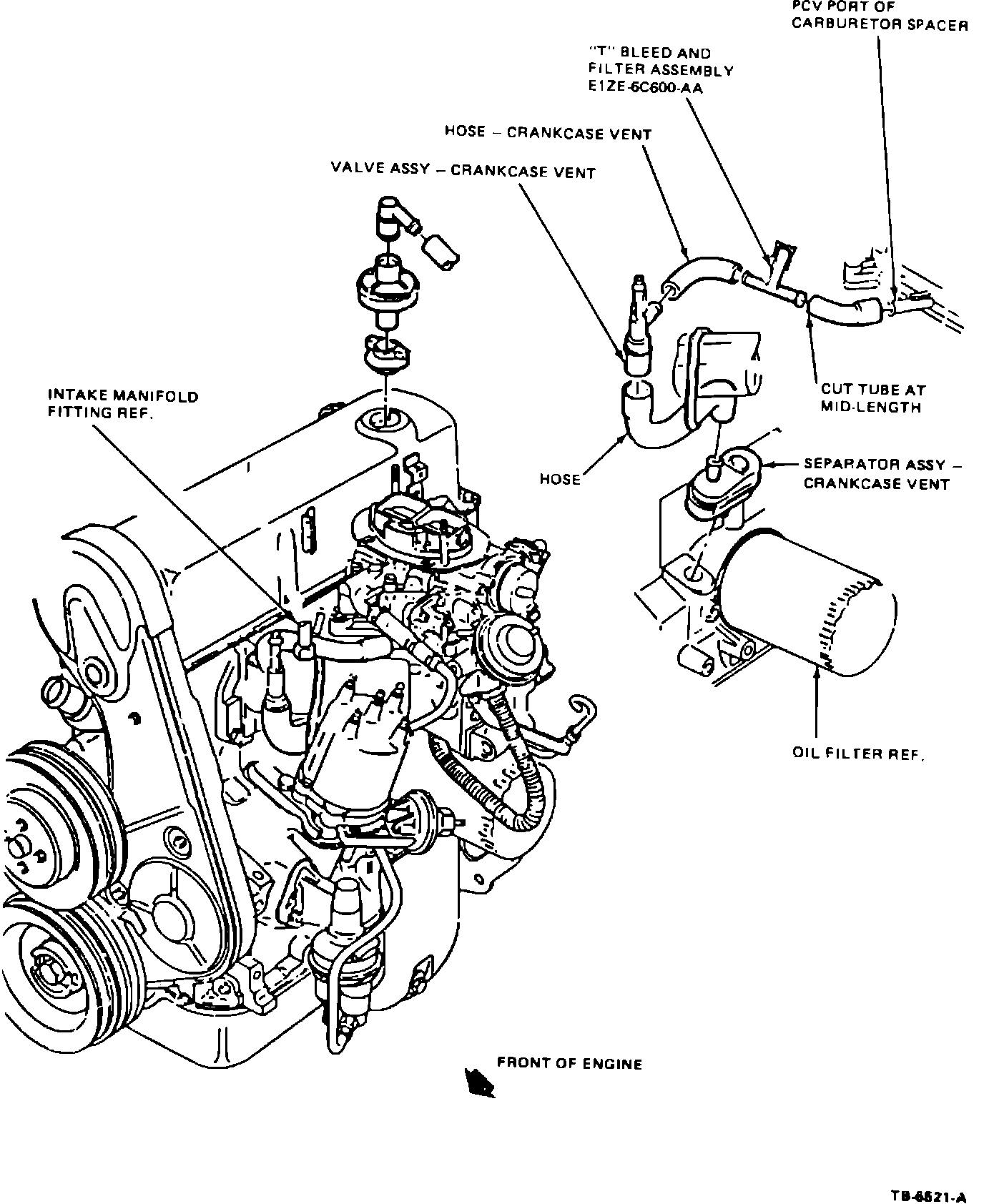
Figure 4:




1. Remove air cleaner assembly.
2. Remove the fuel line at filter.
3. Remove the bowl vent line.
4. Remove the five (5) bowl cover screws and washers.
5. Carefully lift bowl cover and disengage choke rod from choke lever adjacent to fast idle cam.
6. Invert and carefully set bowl cover aside.
7. Remove the primary main metering jet (choke side).
B. Install new primary main metering jet D8PZ-9533- E.
9. Inspect bowl cover and main body gasket sealing surface and clean as required.
10. Position new bowl cover gasket EOPZ-9561-B on main body.
11. Install bowl cover by engaging choke rod into choke lever and carefully position it on the main body. Install the five (5) retaining screws and washers, torquing screws to 2.3 N-m (20 lb.in.).
12. Install bowl vent line and fuel line.
13. Remove PCV tube from carburetor spacer to crankcase vent valve.
14. Cut tube at mid-length and install "T" bleed and filter assembly part number E171-6C600-A (Figure 4)
15. Install PCV tube.
16. Start engine arid check for fuel leak
17. Check and re-set idle speeds as per 1982 Car/Truck Shop Manual - Engine/Emissions Diagnosis
18. Install air cleaner assembly.