Operation CHARM: Car repair manuals for everyone.
Manuals through 2025 now available!

Our trusted friends have launched a new website named LEMON, which has newer manuals. It also contains all the CHARM manuals.

LEMON is the spiritual successor to CHARM, I recommend you try it!

Link: lemon-manuals.la or lemon-manuals.org.ua

(Some people have issue connecting. LEMON is investigating. For now, use Firefox or change your DNS server)

Or, hide this message: temporarily or permanently

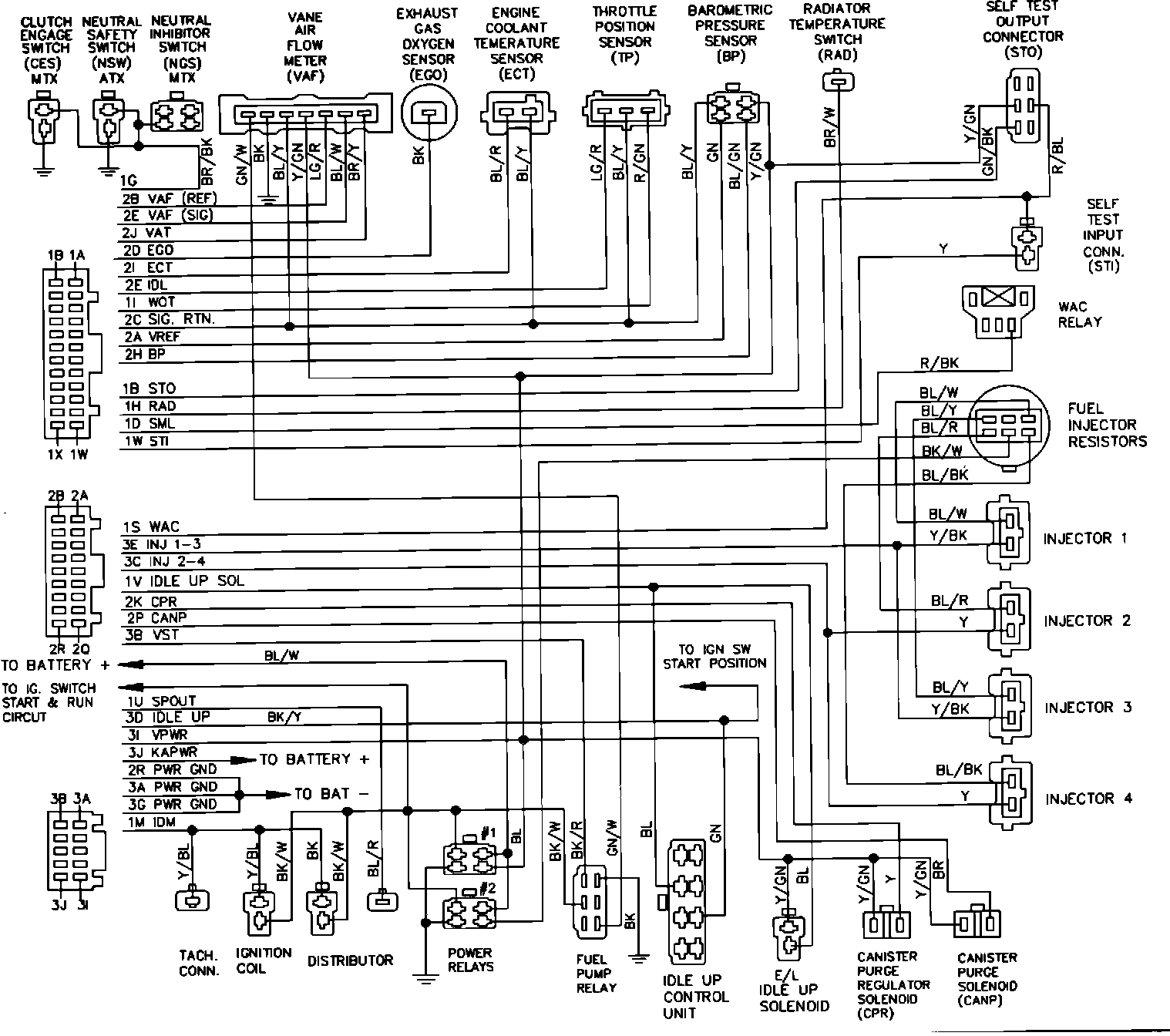
Engine Control Operating Strategy Electrical Schematic





1989 24-01-220
24-01-220 Engine Control Operating Strategy


1.6L EFI
Electrical Schematic Non-MIL




1989
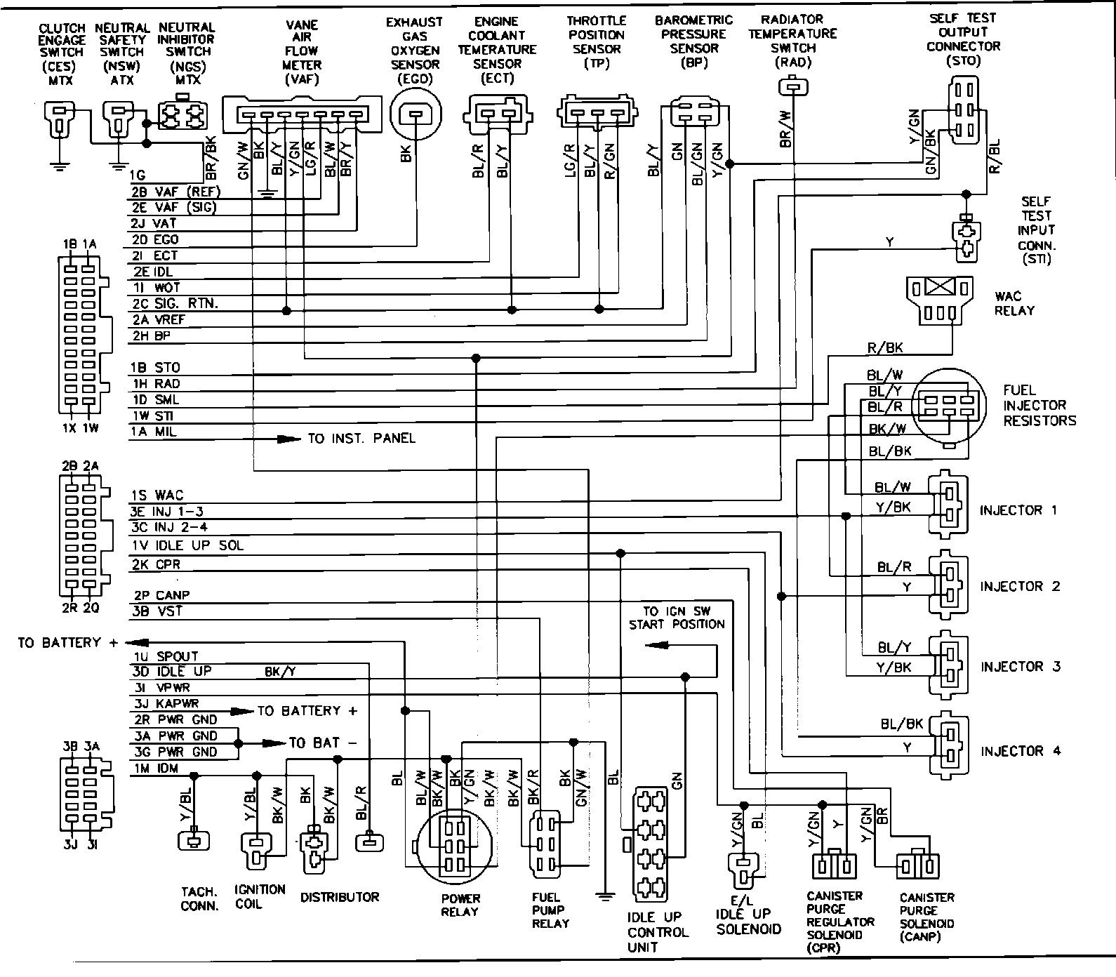
24-01-221 Engine Control Operating Strategy 24-01-221


1.6L EFI
Electrical Schematic Built After

11-2-87




1989
24-01-222 Engine Control Operating Strategy 24-01-222


1.6L EFI

Electrical Schematic Built Prior
To 11-2-87