Operation CHARM: Car repair manuals for everyone.
Manuals through 2025 now available!

Our trusted friends have launched a new website named LEMON, which has newer manuals. It also contains all the CHARM manuals.

LEMON is the spiritual successor to CHARM, I recommend you try it!

Link: lemon-manuals.la or lemon-manuals.org.ua

(Some people have issue connecting. LEMON is investigating. For now, use Firefox or change your DNS server)

Or, hide this message: temporarily or permanently

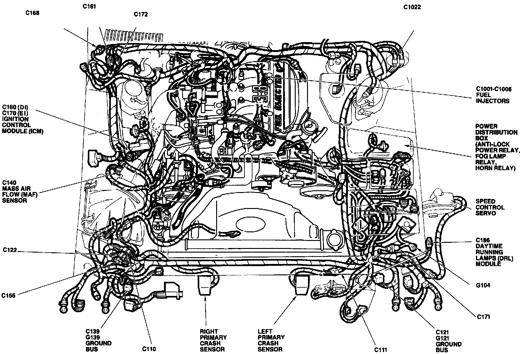
Engine Views

Engine View:





ANTI-LOCK POWER RELAY
DAYTIME RUNNING LAMPS MODULE
FOG LAMP RELAY
FUEL INJECTORS
GROUND BUS
HORN RELAY
IGNITION CONTROL MODULE
LEFT PRIMARY CRASH SENSOR
MASS AIR FLOW SENSOR
POWER DISTRIBUTION BOX
RIGHT PRIMARY CRASH SENSOR
SPEED CONTROL SERVO

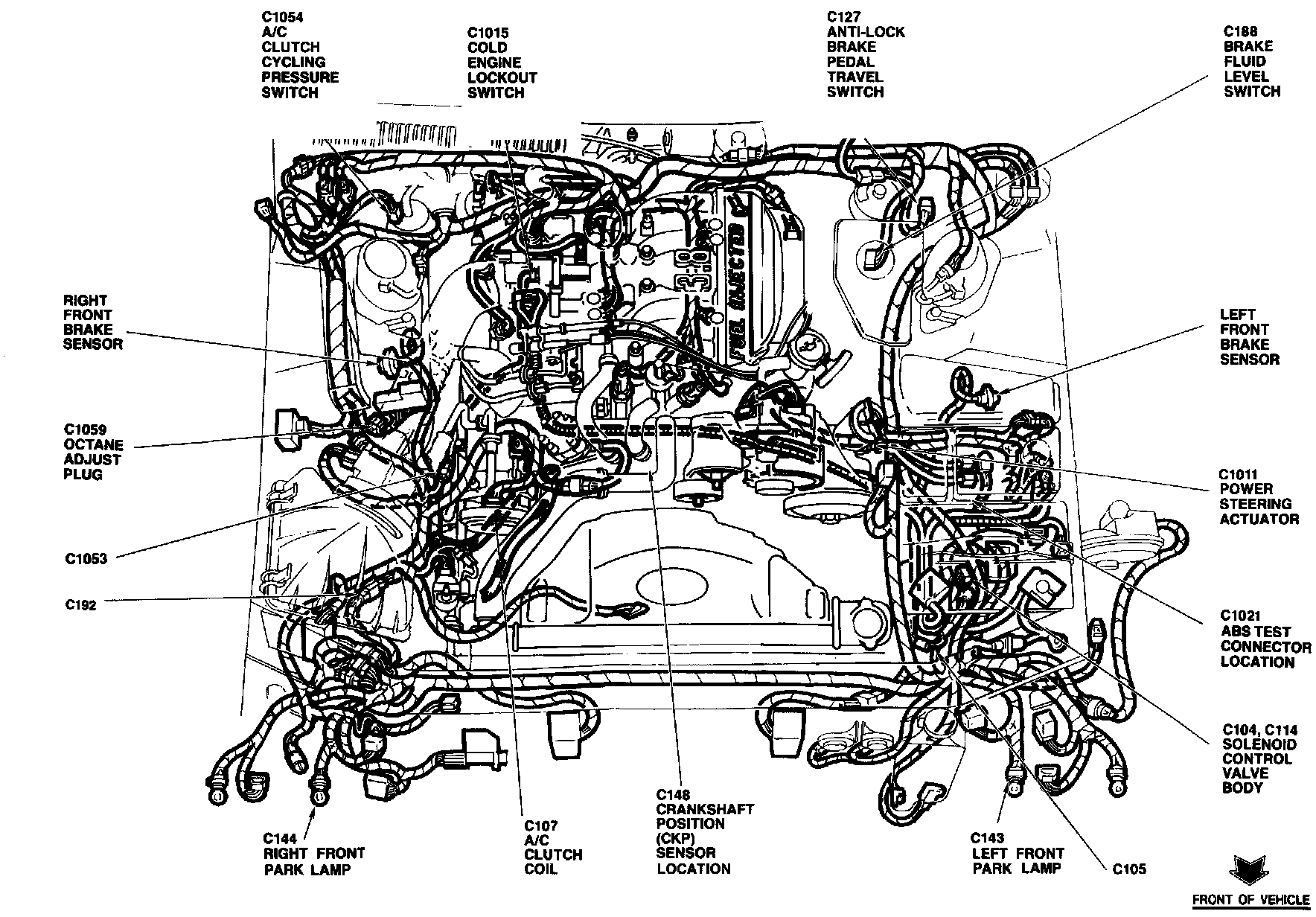
Engine View:





A/C CLUTCH COIL
A/C CLUTCH CYCLING PRESSURE SWITCH
ANTI-LOCK BRAKE PEDAL TRAVEL SWITCH
ANTI-LOCK BRAKE SYSTEM TEST CONNECTOR
BRAKE FLUID LEVEL SWITCH
COLD ENGINE LOCKOUT SWITCH
CRANKSHAFT POSITION SENSOR
LEFT FRONT BRAKE SENSOR
LEFT FRONT PARK LAMP
OCTANE ADJUST PLUG
POWER STEERING ACTUATOR
RIGHT FRONT BRAKE SENSOR
RIGHT FRONT PARK LAMP
SOLENOID CONTROL VALVE BODY

Engine View:





ANTI-LOCK BRAKE CONTROL MODULE
ANTI-LOCK BRAKE FLUID LEVEL SWITCH
ANTI-LOCK PUMP MOTOR RELAY
DISTRIBUTOR
EGR VACUUM REGULATOR SOLENOID
ENGINE COMPARTMENT LAMP
ENGINE COOLANT LEVEL SENSOR
ENGINE COOLANT TEMPERATURE SENDER
ENGINE COOLANT TEMPERATURE SENSOR
ENGINE OIL PRESSURE SWITCH
HALL EFFECT SENSOR
HEATED OXYGEN SENSOR #1
HORNS
IN-LINE RESISTOR
INTAKE AIR TEMPERATURE SENSOR
INTEGRATED RELAY CONTROL MODULE
SPARK OUT CHECK CONNECTOR
THROTTLE POSITION SENSOR

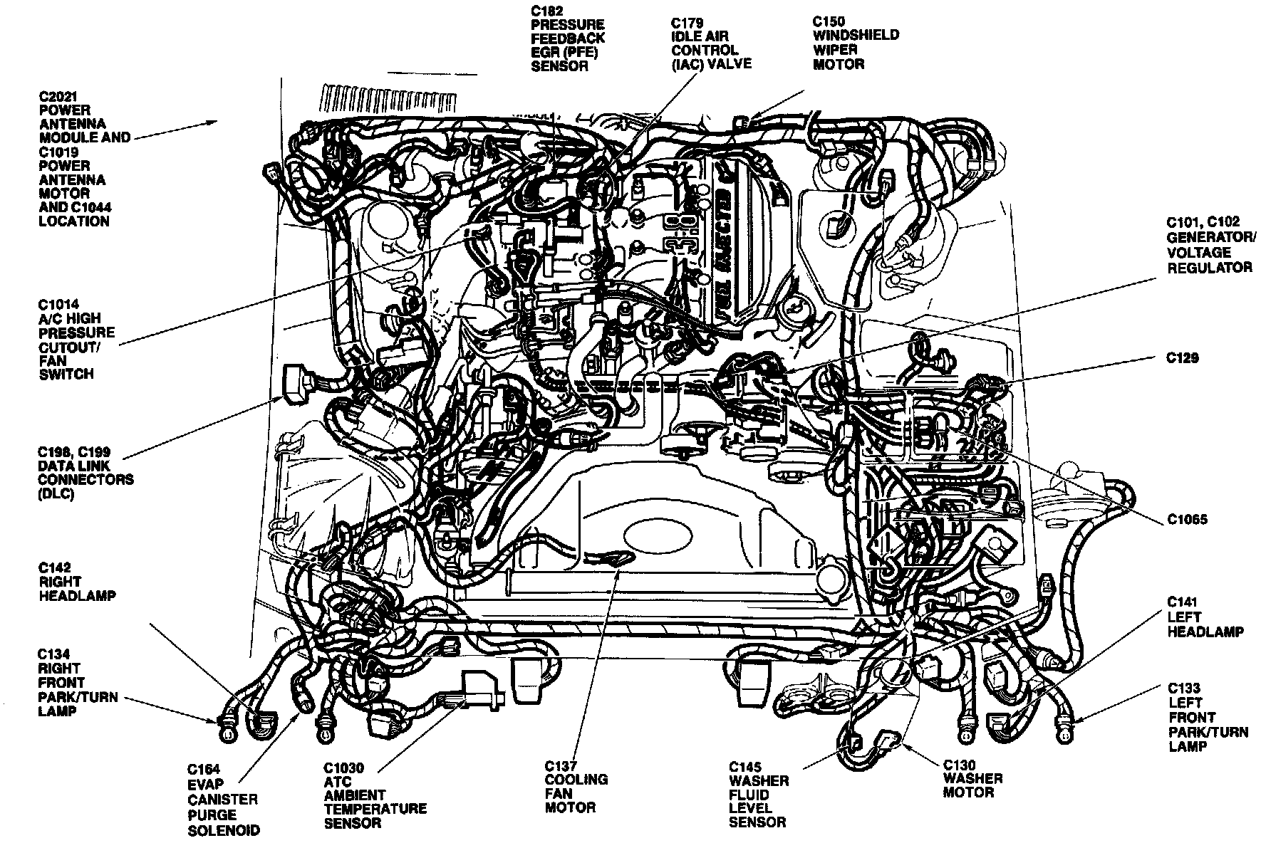
Engine View:





A/C HIGH PRESSURE CUTOUT/FAN SWITCH
AUTOMATIC TEMPERATURE CONTROL AMBIENT TEMPERATURE SENSOR
COOLING FAN MOTOR
DATA LINK CONNECTORS
EVAPORATIVE EMISSIONS CANISTER PURGE SOLENOID
GENERATOR/VOLTAGE REGULATOR
IDLE AIR CONTROL VALVE
LEFT FRONT PARK/TURN LAMP
LEFT HEADLAMP
POWER ANTENNA MODULE
POWER ANTENNA MOTOR
PRESSURE FEEDBACK EGR SENSOR
RIGHT FRONT PARK/TURN LAMP
RIGHT HEADLAMP
WASHER FLUID LEVEL SENSOR
WASHER MOTOR
WINDSHIELD WIPER MOTOR