Operation CHARM: Car repair manuals for everyone.
Manuals through 2025 now available!

Our trusted friends have launched a new website named LEMON, which has newer manuals. It also contains all the CHARM manuals.

LEMON is the spiritual successor to CHARM, I recommend you try it!

Link: lemon-manuals.la or lemon-manuals.org.ua

(Some people have issue connecting. LEMON is investigating. For now, use Firefox or change your DNS server)

Or, hide this message: temporarily or permanently

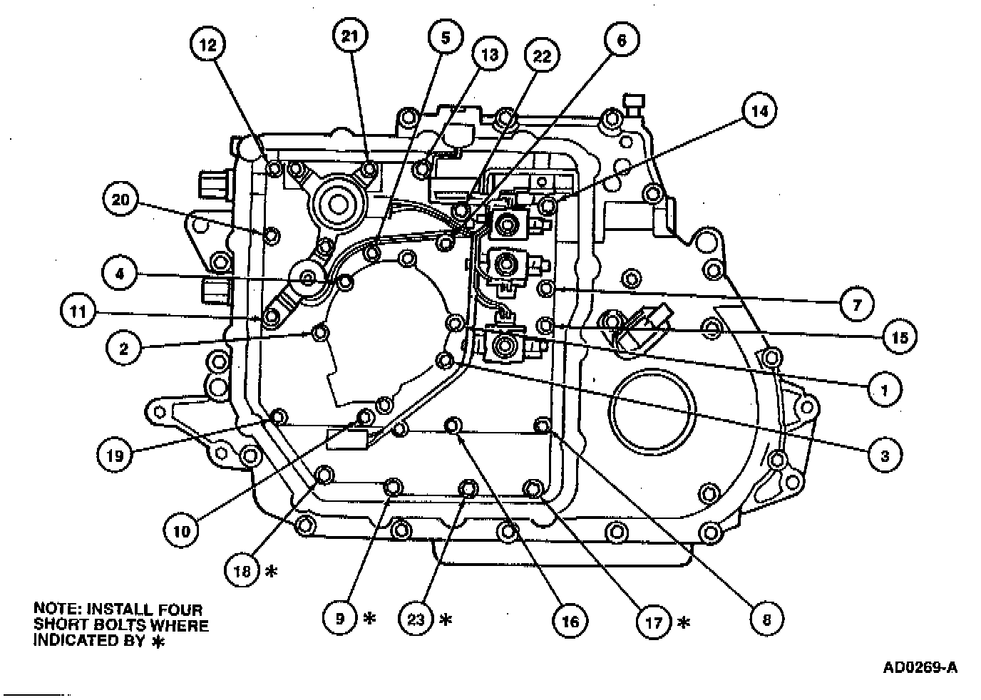
AX4N

REMOVAL





Remove bolts in order shown.

INSTALLATION
^ Tighten two Separator Plate to Valve body bolts to 9-12 Nm (80-106 inch lbs.).





^ Tighten Valve Body bolts to 9-12 Nm (80-106 inch lbs.) in sequence shown.
^ Tighten cover bolts to 9-13 Nm (80-115 inch lbs.)