Operation CHARM: Car repair manuals for everyone.
Manuals through 2025 now available!

Our trusted friends have launched a new website named LEMON, which has newer manuals. It also contains all the CHARM manuals.

LEMON is the spiritual successor to CHARM, I recommend you try it!

Link: lemon-manuals.la or lemon-manuals.org.ua

(Some people have issue connecting. LEMON is investigating. For now, use Firefox or change your DNS server)

Or, hide this message: temporarily or permanently

Front

HEATER CORE - FRONT

REMOVAL

NOTE: If a heater core leak is suspected, the heater core must be leak tested before it is removed from the vehicle.

1. Clamp off and disconnect the heater hoses from the heater core.
2. Lower the glove compartment.


Part 1:






Part 2:






Part 3:






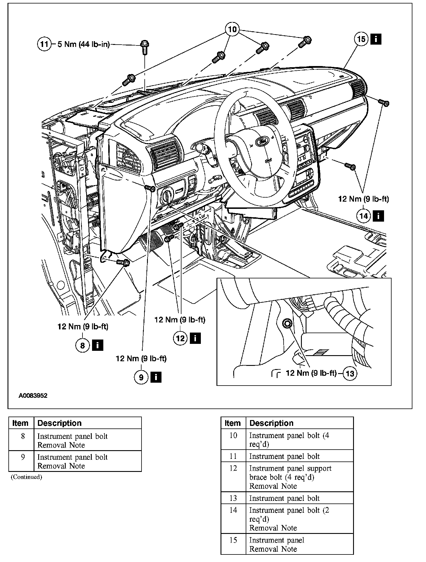
3. Remove the parts in the order indicated in the illustrations and tables.

Item 6: Storage Console Removal Note
1. Disconnect the electrical connector.

Item 7: Upper Instrument Panel Finish Panel Removal Note
1. Disconnect the electrical connector.

Item 8: Instrument Panel Bolt Removal Note







1. Install a long bolt or threaded rod with the same diameter and thread pitch, in place of the LH instrument panel bolt, to support the instrument panel while allowing it to be moved away from the dash panel.

Item 9: Instrument Panel Bolt Removal Note
1. Install a long bolt or threaded rod with the same diameter and thread pitch, in place of the LH instrument panel bolt, to support the instrument panel while allowing it to be moved away from the dash panel.

Item 12: Instrument Panel Support Brace Bolt Removal Note







1. Remove the bolts and the center instrument panel support brace.

Item 14: Instrument Panel Bolt Removal Note
1. Loosen the RH instrument panel bolts one half of the bolt length, but do not completely remove the bolts.

Item 15: Instrument Panel Removal Note







1. Working through the glove compartment opening, remove the bolt.
2. Position the left side of the instrument panel 3 inches away from the dash panel.

Item 22: Wire Harness Removal Note
1. Detach the wire harness from the heater core cover.

INSTALLATION
1. To install, reverse the removal procedure.
2. Fill the engine cooling system.