Operation CHARM: Car repair manuals for everyone.
Manuals through 2025 now available!

Our trusted friends have launched a new website named LEMON, which has newer manuals. It also contains all the CHARM manuals.

LEMON is the spiritual successor to CHARM, I recommend you try it!

Link: lemon-manuals.la or lemon-manuals.org.ua

(Some people have issue connecting. LEMON is investigating. For now, use Firefox or change your DNS server)

Or, hide this message: temporarily or permanently

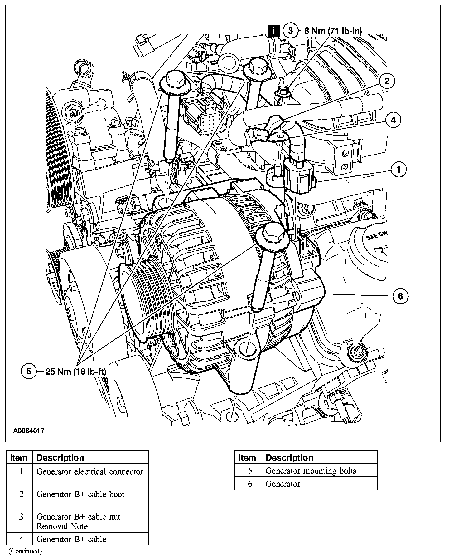
Alternator: Service and Repair

GENERATOR

REMOVAL

NOTE: The 3.9L engine is shown, the 4.2L engine is similar.

1. Disconnect the battery.
2. Release the accessory drive belt tension and position the belt aside.







3. Remove the parts in the order indicated in the illustration and table.

Item 3: Generator B+ Cable Nut Removal Note
1. Position the cable boot aside to access the nut.

INSTALLATION
1. To install, reverse the removal procedure.