Operation CHARM: Car repair manuals for everyone.
Manuals through 2025 now available!

Our trusted friends have launched a new website named LEMON, which has newer manuals. It also contains all the CHARM manuals.

LEMON is the spiritual successor to CHARM, I recommend you try it!

Link: lemon-manuals.la or lemon-manuals.org.ua

(Some people have issue connecting. LEMON is investigating. For now, use Firefox or change your DNS server)

Or, hide this message: temporarily or permanently

Condenser HVAC: Service and Repair

CONDENSER CORE

REMOVAL

CAUTION: Refrigerant compressor oil (mineral oil) F73Z-19577-AA (Motorcraft YN-9-A) should be used to lubricate R-134a refrigerant system O-ring seals only and should not be added to the R-134a refrigerant system as an A/C compressor lubricant. PAG refrigerant compressor oil F7AZ-19D589-DA (Motorcraft YN-12-C) or equivalent meeting Ford specification WSH-M1C231-B only should be used as an A/C compressor lubricant.

NOTE:
- Installation of a new suction accumulator is not required when repairing the air conditioning system, except when there is physical evidence of system contamination from a failed A/C compressor or damage to the suction accumulator.
- New O-ring seals, lubricated in clean mineral oil, must be installed before reconnecting any A/C fitting that has been disconnected.

1. Position the vehicle on a hoist with the gear selector in NEUTRAL.
2. Recover the refrigerant.


Illustration 1 Of 2:






Illustration 2 Of 2:






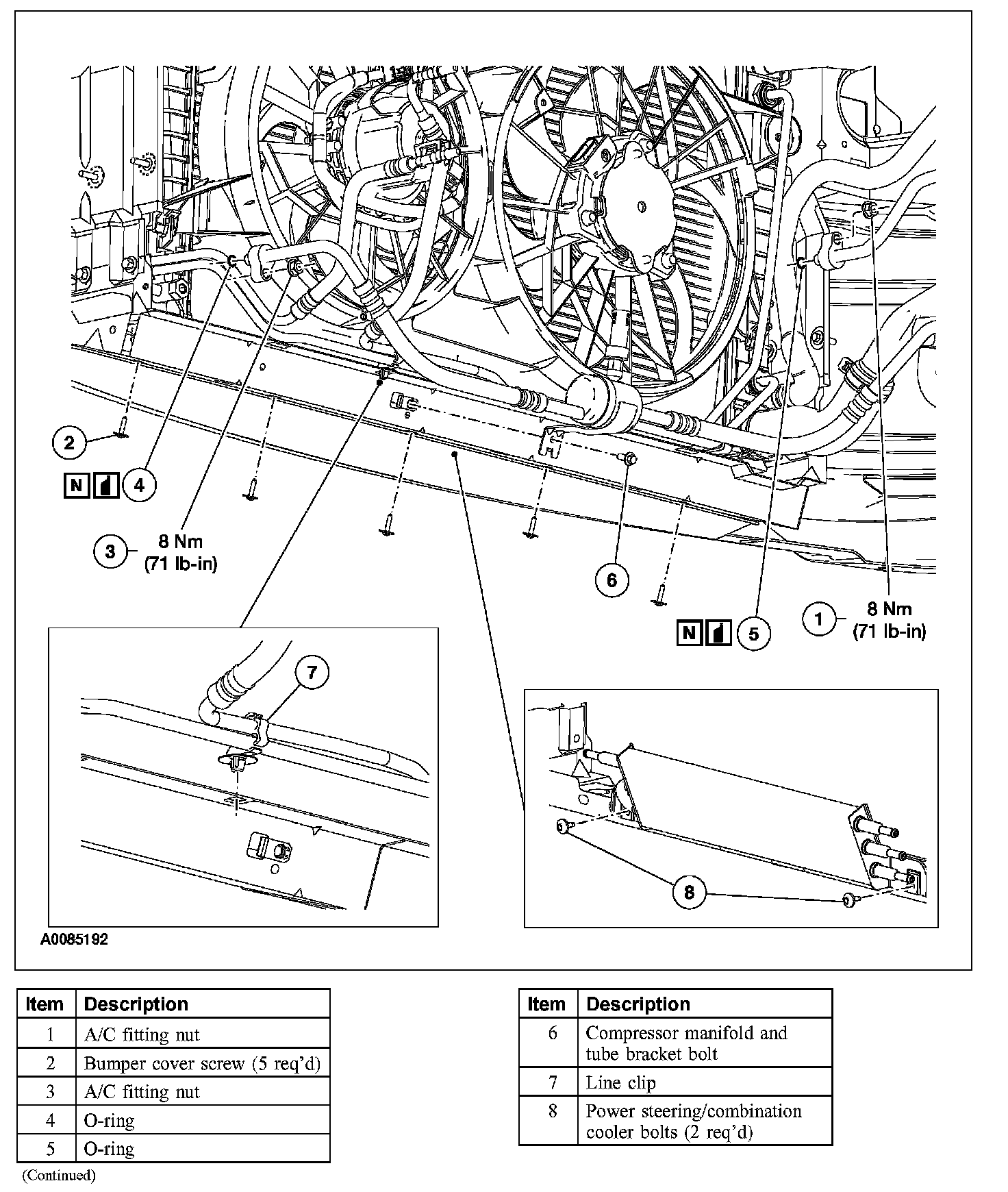
3. Remove the parts in the order indicated in the illustrations and tables.

Item 9: Lower Radiator Support Bolt Removal Note
1. Detach the line routing clips.







2. Correctly support the lower radiator support before removing the lower radiator support bolts.

Item 10: Lower Radiator Support Removal Note
1. Correctly support the cooling module before removing the lower radiator support.

INSTALLATION
1. To install, reverse the removal procedure.
2. Lubricate the refrigerant system with the correct amount of clean PAG oil.
3. Evacuate, leak test and charge the refrigerant system.