Operation CHARM: Car repair manuals for everyone.
Manuals through 2025 now available!

Our trusted friends have launched a new website named LEMON, which has newer manuals. It also contains all the CHARM manuals.

LEMON is the spiritual successor to CHARM, I recommend you try it!

Link: lemon-manuals.la or lemon-manuals.org.ua

(Some people have issue connecting. LEMON is investigating. For now, use Firefox or change your DNS server)

Or, hide this message: temporarily or permanently

Heater Hose: Service and Repair

AUXILIARY HEATER OUTLET AND INLET LINE


Part 1:






Part 2:






Part 1:






Part 2:






Removal and Installation

CAUTION: It is necessary to cut the underbody auxiliary line(s) being serviced into sections to facilitate removal. Make sure to correctly identify the line(s) being serviced before carrying out any cutting of the line(s).

NOTE:
- The auxiliary heater inlet and outlet lines are not supplied together as an assembly. The auxiliary heater inlet line and outlet line are each installed from the factory as one-piece assemblies. The replacement parts are supplied as separate kits containing 2-piece lines for ease of installation.
- The following procedure can be used to remove and install one or both of the auxiliary heater inlet line and auxiliary heater outlet lines. If only one auxiliary heater line is to be removed and installed, cut or disconnect only the desired line at the specified points within the procedure.

All vehicles
1. Drain the engine coolant.







2. Position a jack stand to support the muffler and tailpipe assembly.

3. NOTE: Inspect the isolator and install a new one if necessary.

Disconnect the resonator isolator.







4. CAUTION: Do not strike the catalytic convertor or subject it to any force impacts (i.e. hammer blows). Doing so will damage the catalyst material.

Disconnect the underbody catalytic convertor and discard the gasket.







5. NOTE: Inspect the isolator and install a new one if necessary.

Disconnect the muffler front isolator.







6. NOTE: Inspect the isolator and install a new one if necessary.

Disconnect the muffler rear isolator.

7. Remove the muffler, resonator and underbody catalytic convertor assembly.

All wheel drive (AWD) vehicles
8. Remove the rear driveshaft.

All vehicles
9. Remove the exhaust heat shield.
10. Remove the front auxiliary heater outlet line clamp and disconnect the line.
11. Remove the front auxiliary heater inlet line clamp and disconnect the line.
12. Remove the LH rear wheel.
13. Remove the LH rear quarter panel moulding.
14. Remove the 3 outer LH rear quarter panel moulding bracket bolts.
15. Remove the 2 inner LH rear quarter panel moulding bracket bolts.
16. Remove the LH rear quarter panel moulding bracket.
- Detach the splash shield pin-type retainer.

17. Remove the 2 LH rear brake caliper bolts and position the caliper aside.
- To install, tighten to 35 Nm (26 lb-ft).

18. Remove the 2 parking brake cable bolts.
- To install, tighten to 12 Nm (9 lb-ft).

AWD vehicles
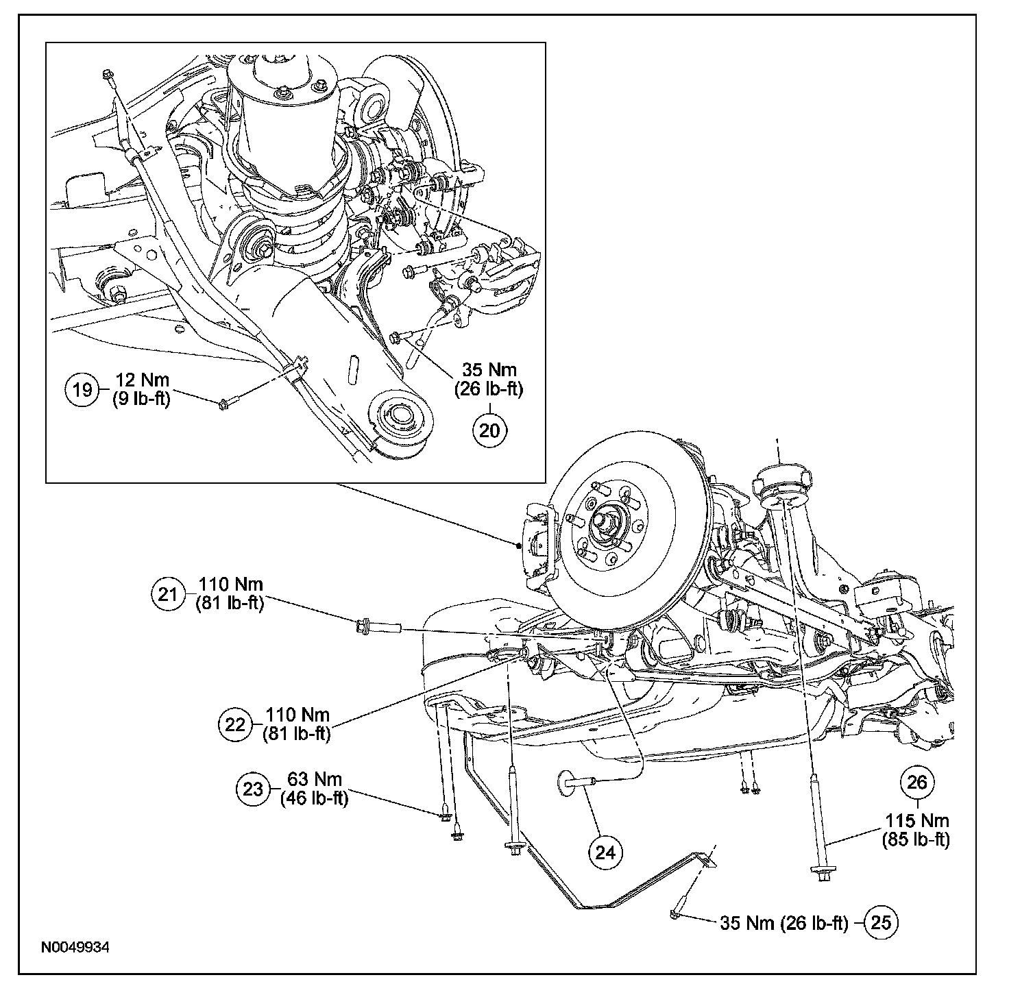
19. Remove the 4 rear subframe bracket bolts.
- To install, tighten to 63 Nm (46 lb-ft).

20. Remove the trailing arm-to-knuckle bolt.
- To install, tighten to 110 Nm (81 lb-ft).

21. Loosen the trailing arm-to-subframe bolt and position the trailing arm aside.
- To install, tighten to 110 Nm (81 lb-ft).

All vehicles
22. Remove the LH lower shock bolt.
- To install, tighten to 142 Nm (105 lb-ft) for AWD.
- To install, tighten to 110 Nm (81 lb-ft) for front wheel drive (FWD).

23. Position a lifting table to support the rear subframe.
24. With a wax pencil, mark the relational alignment of the rear subframe to the underbody at the mounting locations.

FWD vehicles
25. Disconnect the 2 rear wheel speed sensor electrical connectors.






26. Loosen, but do not completely remove the 2 RH rear subframe bolts.
- To install, tighten to 115 Nm (85 lb-ft).

All vehicles
27. Remove the 2 LH rear subframe bolts.
- To install, tighten to 115 Nm (85 lb-ft).

28. Correctly support the fuel tank and remove the LH rear fuel tank strap bolt.
- To install, tighten to 35 Nm (26 lb-ft).

29. Remove the rear auxiliary heater outlet line clamp and disconnect the line.
30. Remove the front auxiliary heater outlet line clamp and disconnect the line.
31. Remove the 2 middle rear auxiliary line bracket bolts.
- To install, tighten to 5 Nm (44 lb-in).

32. Remove the 2 middle rear auxiliary line brackets.
33. Remove the 2 middle front auxiliary line bracket nuts.
- To install, tighten to 5 Nm (44 lb-in).

34. Remove the 2 middle front auxiliary line brackets.

35. CAUTION: To avoid loss of refrigerant, or unintended damage to an auxiliary line that is not being removed, clearly differentiate which line is to be removed before cutting.

Assemble and lay out the replacement line(s) in the same position as the existing line(s) and, using a suitable tool, cut the auxiliary heater line(s) in the same position as the middle fitting on the replacement line(s).

36. Remove the front auxiliary line bracket nut.
- To install, tighten to 5 Nm (44 lb-in).

37. Remove the front auxiliary line bracket.
38. Remove the front portion of the auxiliary heater outlet line and/or auxiliary heater inlet line.
39. Remove the rear auxiliary line bracket nut.
- To install, tighten to 5 Nm (44 lb-in).

40. Remove the rear auxiliary line bracket.

41. NOTE: The LH side of the rear subframe, and the LH side of the fuel tank will have to be lowered slightly to provide clearance to remove the lines. Be sure to lower the rear subframe and fuel tank only as needed without stressing the attached components.

Remove the rear portion of the auxiliary heater outlet line and/or the auxiliary heater inlet line.

42. To install, reverse the removal procedure.
43. Fill the engine cooling system.