Operation CHARM: Car repair manuals for everyone.
Manuals through 2025 now available!

Our trusted friends have launched a new website named LEMON, which has newer manuals. It also contains all the CHARM manuals.

LEMON is the spiritual successor to CHARM, I recommend you try it!

Link: lemon-manuals.la or lemon-manuals.org.ua

(Some people have issue connecting. LEMON is investigating. For now, use Firefox or change your DNS server)

Or, hide this message: temporarily or permanently

Front Fender: Service and Repair

FENDER


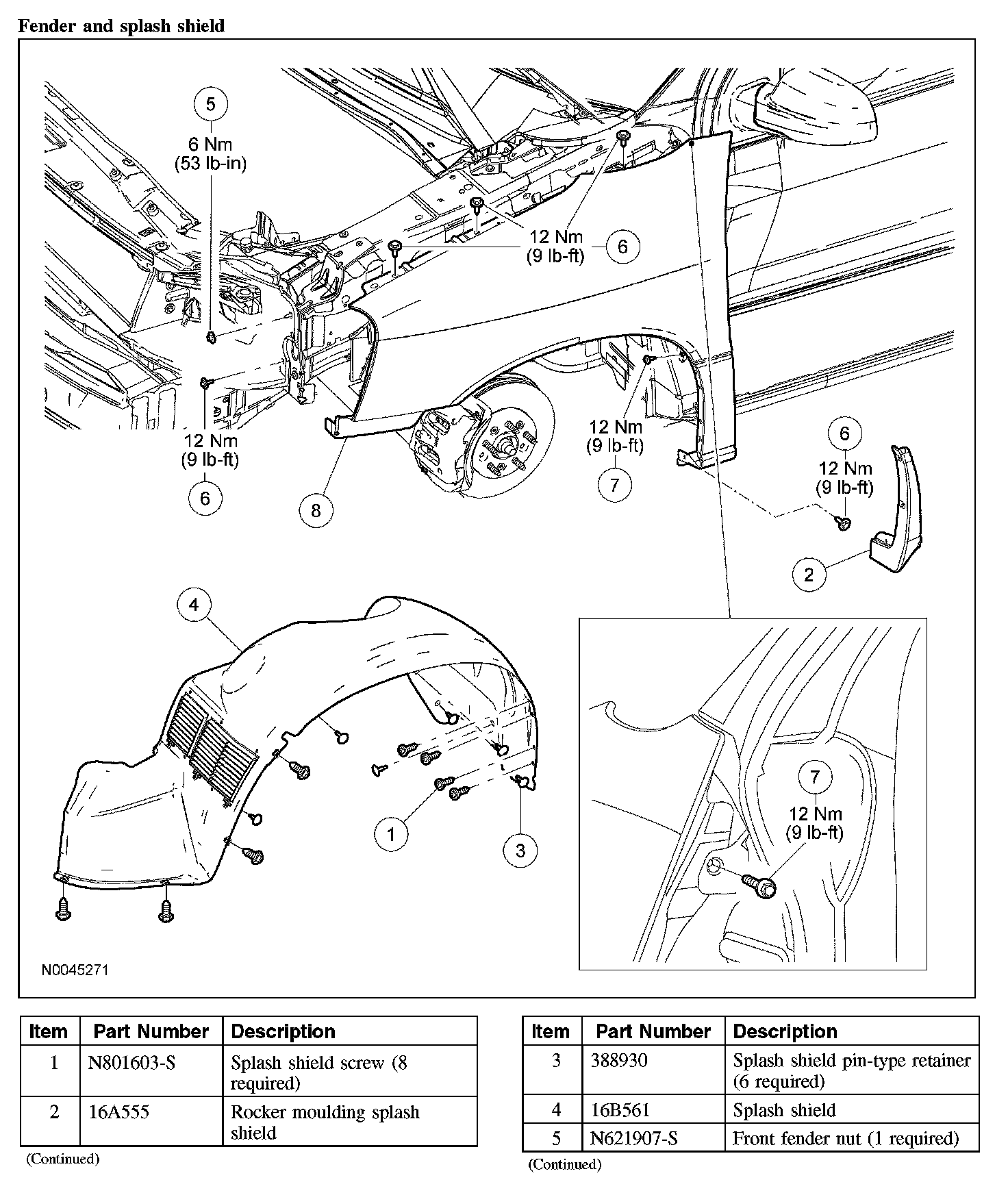
Fender and Splash Shield (Part 1):






Fender and Splash Shield (Part 2):






Exploded View

Removal and Installation
1. Remove the wheel and tire.
2. Remove the front bumper cover.
3. Remove the front rocker moulding.
4. Remove the 8 splash shield screws.
5. Remove the rocker moulding splash shield.
6. Remove the front fender nut.
- To install, tighten to 6 Nm (53 lb-in).

7. Remove the 5 outer fender bolts.
- To install, tighten to 12 Nm (9 lb-ft).

8. Remove the 2 inner fender bolts.
- To install, tighten to 12 Nm (9 lb-ft).

9. Remove the front fender.
10. To install, reverse the removal procedure.