Operation CHARM: Car repair manuals for everyone.
Manuals through 2025 now available!

Our trusted friends have launched a new website named LEMON, which has newer manuals. It also contains all the CHARM manuals.

LEMON is the spiritual successor to CHARM, I recommend you try it!

Link: lemon-manuals.la or lemon-manuals.org.ua

(Some people have issue connecting. LEMON is investigating. For now, use Firefox or change your DNS server)

Or, hide this message: temporarily or permanently

Timing Cover: Service and Repair

Engine Front Cover

Special Tool(s):




Material:











Removal

CAUTION: During engine repair procedures, cleanliness is extremely important. Any foreign material, including any material created while cleaning gasket surfaces, that enters the oil passages, coolant passages or the oil pan, can cause engine failure.

1. With the vehicle in NEUTRAL, position it on a hoist. For additional information, refer to Maintenance/Service and Repair.
2. Remove the generator. For additional information, refer to Alternator.
3. Remove the coolant pump. For additional information, refer to Cooling System.
4. Remove the crankcase position (CKP) sensor. For additional information, refer to Computers and Control Systems.
5. Remove the camshaft synchronizer. For additional information, refer to Computers and Control Systems.
6. Remove the generator brace bolt and the generator mounting bracket.
7. Remove the 3 accessory drive belt tensioner bolts and the tensioner.
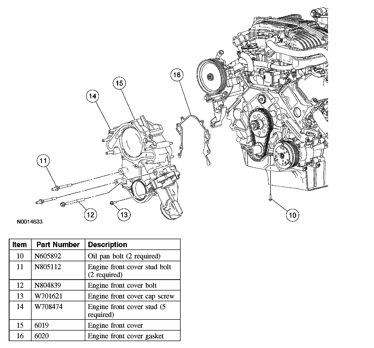
8. Remove and discard the oil filter.
9. If equipped, remove the oil cooler.
10. Disconnect the RH front anti-lock brake wheel sensor electrical connector.





11. Position a safety stand under the RH side of the subframe.





12. Remove the bolts lower the RH side of the subframe 50.8 mm (2 inches).





13. Remove the crankshaft pulley bolt and washer.
14. Using the special tools, remove the crankshaft pulley.





15. Using the special tool, remove the front crankshaft front seal.





16. Raise the subframe into position, then install the bolts.





17. Remove the 2 oil pan-to-engine front cover bolts.
18. Disconnect the catalyst monitor sensor electrical connector.





19. Remove the catalyst monitor sensor electrical connector mounting bracket.





20. Remove the 2 engine front cover stud bolts and the engine front cover bolt.

21. CAUTION: The capscrew is hidden by the oil filter housing. Failure to remove this retainer will result in damage to the engine front cover.

Remove the engine front cover capscrew.

22. NOTE: Mark the studs so they can be reinstalled in their original location.

Loosen the 5 engine front cover studs and remove them with the engine front cover.





23. Remove the engine front cover gasket and discard.

Installation

1. CAUTION: In order to prevent foreign material from contaminating the engine block or the engine front cover, it is necessary to seal the coolant and oil passages of both components. Failure to follow these directions will result in engine damage.

CAUTION: Do not use a surface conditioning pad or any other type of fibrous abrasive disc to clean the gasket surfaces. Failure to follow these directions will result in engine damage.

Clean and inspect the engine block and front cover as follows:
^ Pack the exposed portion of the oil pan with clean shop towels.
^ Plug the oil and coolant passages.
^ Clean the gasket surfaces.
^ Clean all surfaces requiring gasket sealant with metal surface cleaner.
^ Using compressed air, remove any remaining foreign material from the engine block and front cover.
^ Remove the shop towels from the oil pan.
^ Remove the plugs or seals from the oil and coolant passages.
2. Apply a small amount of silicone gasket and sealer as shown.





3. Install the engine front cover gasket and apply a small amount of silicone gasket and sealer as shown.





4. CAUTION: The coolant pump and gasket must be installed at this time to correctly tighten all of the engine front cover fasteners in sequence.

NOTE: Use Thread Sealant with PTFE on studs No. 4, 6 and bolt No. 12.

Install the engine front cover with the engine front cover studs in their original locations.
^ Tighten the engine front cover studs to 7 Nm (62 inch lbs).
^ Using a new gasket, install the coolant pump.
^ Tighten the fasteners in the sequence shown.
- Tighten bolt No. 12 to 10 Nm (89 inch lbs).
- Tighten all other fasteners to 28 Nm (21 ft. lbs).





5. Install the 2 oil pan-to-engine front cover bolts.
^ Tighten to 10 Nm (89 inch lbs).
6. Install the catalyst monitor sensor electrical connector bracket and the nut.
^ Tighten to 28 Nm (21 ft. lbs).





7. Connect the catalyst monitor sensor electrical connector.





8. Clean and inspect the engine front cover-to-crankshaft front seal mating surface.

9. NOTE: Lubricate the new crankshaft front seal lips with clean engine oil prior to installation.

Assemble the special tools, then place the crankshaft front seal onto the special tools.





10. Using the special tools, install the crankshaft front seal.





11. Remove the bolts lower the RH side of the subframe 50.8 mm (2 inches).





12. NOTE: If not secured within 4 minutes, the sealant must be removed and the sealing area cleaned with metal surface prep and silicone gasket remover. Allow to dry until there is no sign of wetness, or 4 minutes, whichever is longer. Failure to follow this procedure can cause future oil leakage.

Apply silicone gasket and sealer to the Woodruff key slot in the crankshaft pulley.





13. Lubricate the crankshaft pulley sealing surface with clean engine oil.





14. NOTE: Lubricate the crankshaft front seal inner lip with clean engine oil prior to installation.

Using the special tool, install the crankshaft pulley.





15. Install the crankshaft pulley washer and the bolt.
^ Tighten to 160 Nm (118 ft. lbs).
16. Raise the subframe into position, then install the bolts.
^ Tighten to 175 Nm (129 ft. lbs).





17. Connect the RH front anti-lock brake wheel sensor electrical connector.





18. Drain the engine oil.
^ Install the drain plug and tighten to 26 Nm (19 ft. lbs).





19. If equipped, install the oil cooler.

20. NOTE: Lubricate the new engine oil filter seal with clean engine oil prior to installation.

Install a new engine oil filter.
^ Tighten one half turn after the gasket makes contact with the oil filter housing.
21. Install the accessory drive belt tensioner and the 3 bolts.
^ Tighten to 25 Nm (18 ft. lbs).
22. Install the generator mounting bracket and the generator brace bolt.
^ Tighten to 47 Nm (35 ft. lbs).
23. Install the camshaft synchronizer. For additional information, refer to Computers and Control Systems.
24. Install the coolant pump.
25. Install the generator.
26. Fill the engine with clean engine oil.