Operation CHARM: Car repair manuals for everyone.
Manuals through 2025 now available!

Our trusted friends have launched a new website named LEMON, which has newer manuals. It also contains all the CHARM manuals.

LEMON is the spiritual successor to CHARM, I recommend you try it!

Link: lemon-manuals.la or lemon-manuals.org.ua

(Some people have issue connecting. LEMON is investigating. For now, use Firefox or change your DNS server)

Or, hide this message: temporarily or permanently

Engine Emission Control

ENGINE EMISSION CONTROL

CAUTION: Do not remove any part of the engine emission control system. Operating the engine without the engine emission control system will reduce fuel economy and engine ventilation. This will weaken engine performance and shorten engine life.

The engine emission control system consists of the:
- positive crankcase ventilation (PCV) system.
- exhaust gas recirculation (EGR) system.


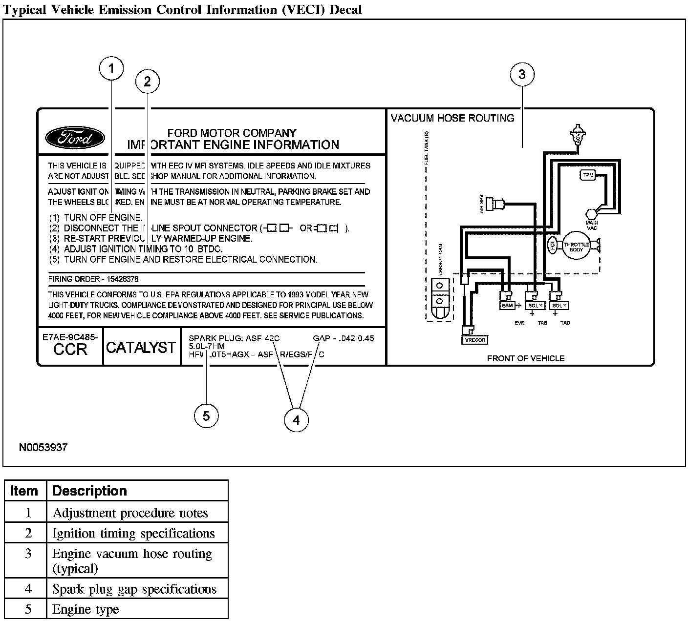
Typical Vehicle Emission Control Information (VECI) Decal:






The VECI decal shows:
- components of the emission control system.
- the correct vacuum hose routing.
- the color stripe of the vacuum hoses.

Refer to Vehicle/Application and ID.

The PCV system uses intake manifold vacuum to ventilate the crankcase and return the fumes to the intake manifold for combustion.


EGR System Components:






The EGR system returns a portion of the exhaust gas to the intake manifold to reduce the combustion temperature. This results in lower nitrous oxide formation.

The powertrain control module (PCM) controls the EGR vacuum regulator solenoid. The EGR vacuum regulator solenoid controls the vacuum to the EGR valve. When the EGR valve opens, exhaust gas flows to the intake manifold. The EGR transducer measures the flow through the EGR system module-to-exhaust manifold tube and sends a signal to the powertrain control module.

The PCV valve:
- controls the amount of ventilating air and blow-by gases going to the intake manifold.
- prevents a backfire from reaching the crankcase.

The EGR system module-to-exhaust manifold tube:
- connects the exhaust manifold to the EGR valve.

The EGR system module transducer:
- monitors the EGR system module flow rate through the EGR to exhaust manifold tube.
- sends an EGR system module flow rate signal to the powertrain control module.
- provides barometric pressure reading at key-on.

The EGR vacuum regulator solenoid uses input from the powertrain control module to change the EGR system module operation.