Operation CHARM: Car repair manuals for everyone.
Manuals through 2025 now available!

Our trusted friends have launched a new website named LEMON, which has newer manuals. It also contains all the CHARM manuals.

LEMON is the spiritual successor to CHARM, I recommend you try it!

Link: lemon-manuals.la or lemon-manuals.org.ua

(Some people have issue connecting. LEMON is investigating. For now, use Firefox or change your DNS server)

Or, hide this message: temporarily or permanently

Hybrid Electric Control Hardware




Hybrid Electric Control Hardware

DC/DC Converter

The purpose of the DC/DC converter is to function as an alternator in a conventional powertrain. The powertrain control module (PCM) controls operation of the DC/DC converter. Because the converter does not use any moving parts, the low voltage battery is charged when the vehicle drives with the engine ON or OFF. This is accomplished by converting power from the high voltage traction battery to a regulated output voltage of a nominal 14.5 volts, while supplying a load current of up to 110 amps. The PCM controls the DC/DC enable (DCE) hardwired signal to switch the DC/DC converter on and off. The DC/DC converter provides feedback to the PCM using the hardwired DC/DC fault (DCF) signal. The DCF signal indicates to the PCM when the converter is non-operational or when the concern occurred. The DC/DC converter is cooled by the motor electronics cooling system and is located on the passenger side in the engine compartment.




DC/DC Converter

Hybrid Electric Indicators

The hybrid electric warning indicators alert the driver that a hybrid electric system concern is detected. There are three indicators dedicated to the hybrid electric system:

- over-temperature indicator
- powertrain malfunction indicator (wrench)
- hazard indicator

Over-Temperature Indicator
The PCM monitors the engine, the motor electronics coolant temperature (MECT), and the electronically controlled continuously variable transaxle (CVT) for an over-temperature condition. If either of the temperatures exceed their threshold value, the fail-safe cooling status changes status to ON, and the PCM broadcasts an over-temperature indicator on controller area network (CAN) message to the instrument cluster. The instrument cluster then illuminates the indicator light. The over-temperature indicator is extinguished when the temperature returns below the threshold value.




Over-Temperature Indicator

Powertrain Malfunction Indicator (Wrench)
The powertrain malfunction indicator (wrench) is illuminated whenever a concern within the hybrid electric system is detected and a repair is needed. When the concern is present, the control module that detected the concern stores the diagnostic trouble code (DTC) and broadcasts a caution on CAN message to the instrument cluster. Upon receiving the CAN message, the instrument cluster turns the indicator on.

Two actions can extinguish the powertrain malfunction indicator (wrench):

- the module requesting the indicator on is reset.
- the concern is not present anymore and the key is cycled.

If the powertrain malfunction indicator (wrench) flashes at the once per second rate, it indicates that the vehicle is in the engine running diagnostic mode. Refer to Diagnostic Modes Diagnostic Modes for engine running diagnostic mode. The powertrain malfunction indicator (wrench) illuminates for 3 seconds during instrument cluster prove-out when the key is cycled from the OFF to the ON position.









Hazard Indicator (Red Triangle)
The hazard indicator is illuminated whenever a severe concern within the hybrid electric system is detected and continued use of the vehicle is likely to cause damage to the system or to the vehicle. When the concern is present, the control module detects, sets the DTC and broadcasts a hazard on CAN message to the instrument cluster. Upon receiving the CAN message, the instrument cluster turns the indicator on.

Two actions can extinguish the hazard indicator:

- the module requesting the indicator on is reset.
- the concern is not present anymore and the key is cycled.

If the hazard indicator flashes at the once per second rate, it indicates that the vehicle is in the engine cranking diagnostic mode. Refer to Diagnostic Modes Diagnostic Modes for engine cranking diagnostic mode. The hazard indicator illuminates for 3 seconds during the instrument prove-out when the key is cycled from the OFF to the ON position.




Hazard Indicator

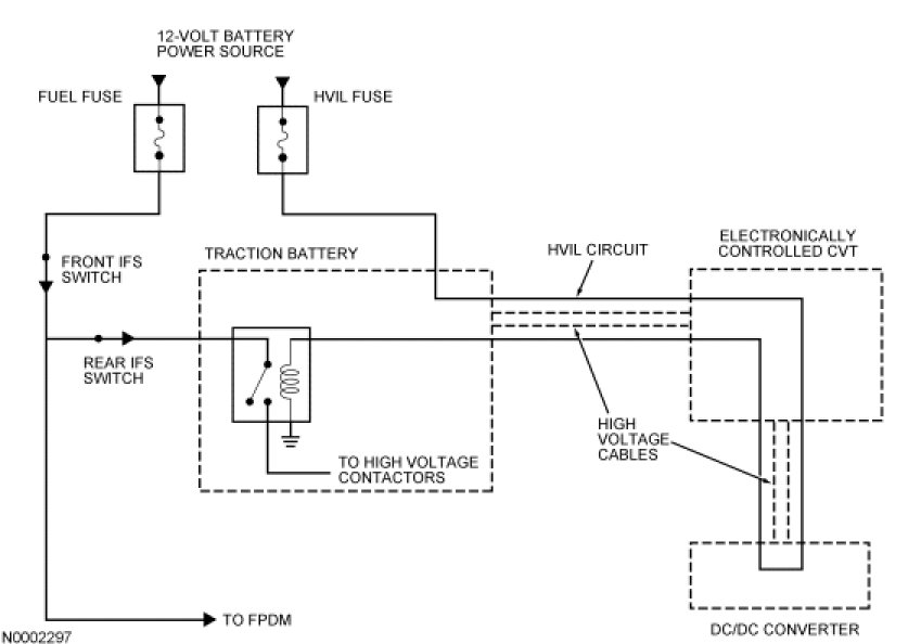
High Voltage Cables

WARNING: THIS VEHICLE IS EQUIPPED WITH HIGH VOLTAGE CABLES, COMPONENTS, AND WIRING. THE HIGH VOLTAGE WARNING LABELS CONTAINING THE HIGH VOLTAGE SYMBOL ARE LOCATED ON EACH HIGH VOLTAGE COMPONENT. HIGH VOLTAGE CABLES AND WIRING ARE ORANGE IN COLOR. CERTIFIED RUBBER INSULATING GLOVES AND A FACE SHIELD MUST BE WORN WHEN WORKING WITH THE HIGH VOLTAGE CABLES, COMPONENTS, OR WIRING. THE IGNITION KEY MUST BE CYCLED TO THE OFF POSITION FOR A MINIMUM OF 5 MINUTES, AND THE HIGH VOLTAGE TRACTION BATTERY SERVICE DISCONNECT PLUG PLACED IN THE SERVICING/SHIPPING POSITION BEFORE DISCONNECTING THE HIGH VOLTAGE CABLES. FAILURE TO FOLLOW THESE INSTRUCTIONS MAY RESULT IN PERSONAL INJURY OR DEATH. DO NOT DISCONNECT, DISABLE, OR TOUCH THE HIGH VOLTAGE CABLES, COMPONENTS, OR WIRING DURING THE MODULE REPROGRAMMING PROCEDURE BECAUSE HIGH VOLTAGE IS PRESENT. THE HIGH VOLTAGE WARNING LABELS CONTAINING THE HIGH VOLTAGE SYMBOL ARE LOCATED ON EACH HIGH VOLTAGE COMPONENT. HIGH VOLTAGE CABLES AND WIRING ARE ORANGE IN COLOR. FAILURE TO FOLLOW THESE INSTRUCTIONS MAY RESULT IN PERSONAL INJURY OR DEATH.

The high voltage cables connect the high voltage traction battery with the electronically controlled CVT, and the electronically controlled CVT with the DC/DC converter. The harness is orange and contains high voltage positive and high voltage negative wires. Each of the high voltage wires contains a corresponding high voltage interlock (HVIL) circuit.

High Voltage Interlock (HVIL) Circuit

The HVIL circuit, used in conjunction with the front and rear inertia fuel shutoff (IFS) switches, disables the vehicle if a collision occurs or an open circuit concern in the high voltage connection is detected. The HVIL circuit is internal to the high voltage harness, which connects the traction battery, the electronically controlled CVT, and the DC/DC converter. The transaxle control module (TCM) and the traction battery control module (TBCM) monitor the HVIL circuit for a low battery voltage. Whenever that voltage drops below a calibrated threshold, the high voltage traction battery immediately opens its high voltage contactors, the electronically controlled CVT discharges the high voltage capacitors, and the TCM stores the DTC P0A0A. This action is initiated when the vehicle is disabled and cannot be driven.




High Voltage Interlock

Low Voltage Battery Power

The low voltage battery is used as a low voltage energy storage. The battery is charged by the DC/DC converter. For information on the DC/DC converter, refer to Hybrid Electric Control Hardware, DC/DC converter. The low voltage battery functions are:

- the voltage stabilizer in the system
- the power source for the power distribution box
- the power source for all control modules
- the power source for the traction battery during the jump start procedure

Traction Battery Control Module (TBCM)

Refer to the High Voltage Traction Battery for more information on TBCM and diagnostics.

Transaxle Control Module (TCM)

Note: The TCM is a part of the electronically controlled CVT assembly and cannot be repaired as a separate component. Refer to the Automatic Transmission/Transaxle for electronically controlled CVT repair procedures.

The microprocessor that controls operation of the electronically controlled CVT is called the TCM. The TCM receives a variety of CAN messages and hardwired signals from modules connected to the CAN. Based on information received, the TCM makes a decision on how to control the operation of the generator motor or the traction motor. In case of a concern, the TCM is able to detect and store the appropriate DTC. To retrieve DTCs from the TCM, carry out an on-demand and continuous memory self-test.

Transaxle Control Module (TCM) Keep Alive Memory (KAM)

The TCM stores information in KAM (a memory integrated circuit chip) about vehicle operating conditions, and then uses this information to compensate for component variability. KAM remains powered when the key is off so this information is not lost.