Operation CHARM: Car repair manuals for everyone.
Manuals through 2025 now available!

Our trusted friends have launched a new website named LEMON, which has newer manuals. It also contains all the CHARM manuals.

LEMON is the spiritual successor to CHARM, I recommend you try it!

Link: lemon-manuals.la or lemon-manuals.org.ua

(Some people have issue connecting. LEMON is investigating. For now, use Firefox or change your DNS server)

Or, hide this message: temporarily or permanently

Pinpoint Test AP: DTC B272F




Seats

Pinpoint Tests

Pinpoint Test AP: DTC B272F

Refer to Wiring Diagram Set 119, Climate Controlled Seats for schematic and connector information. Diagrams By Number

Normal Operation

The passenger climate controlled seat blowers are located within the backrest and cushion Thermo-Electric Devices (TEDs). The Dual Climate Controlled Seat Module (DCSM) supplies voltage to both blowers on circuit CHS08 (BN/YE) and return ground to both blowers on circuit RHS08 (VT/WH). The backrest and cushion blowers are independently controlled by separate speed control circuits from the DCSM.

- DTC B272F Passenger Ignition Run/Blower Circuit Short to Ground (this DTC sets for an open or short to voltage) - If either the blower voltage supply or return circuits are open (to both cushion and backrest blowers) or shorted to voltage, the DTC is set and after 4-6 seconds the DCSM disables outputs to the passenger seat. The DTC will also set if the blower voltage supply or return circuit is open to only one blower when DCSM supply voltage is less than 12 volts.

This pinpoint test is intended to diagnose the following:
- Wiring, terminals or connectors
- HVAC module
- Backrest or cushion TED
- DCSM



PINPOINT TEST AP: DTC B272F

NOTE: The air bag warning indicator illuminates when the correct Restraints Control Module (RCM) fuse is removed and the ignition switch is ON.

NOTE: The Supplemental Restraint System (SRS) must be fully operational and free of faults before releasing the vehicle to the customer.

-------------------------------------------------
AP1 CHECK DCSM PASSENGER TED HEAT MODE (TED_HEAT_P) PID


- Access the cushion and backrest TEDs and remove the filters to watch the TED fans.
- Enter the following diagnostic mode on the scan tool: DataLogger - DCSM - PID: TED_HEAT_P.
- NOTE: The DCSM active command TED_HEAT_P is limited to 15 seconds in the ON state.
- Operate the climate controlled seat using the active command while monitoring the cushion and backrest TEDs for fan movement.
- Did both fans turn on?

Yes
CARRY OUT the network test. If DTCs are retrieved from the HVAC module, REFER to the DTC Chart in the Diagnosis and Testing portion of Body Control Systems. If no DTCs are retrieved, CARRY OUT the HVAC Module Cold Boot Process in the Diagnosis and Testing portion of Heating and Air Conditioning. Diagnostic Trouble Code (DTC) Chart

No
GO to AP2.

-------------------------------------------------
AP2 CHECK FOR AN INTERMITTENT CONNECTION AT THE DCSM


- Ignition OFF.
- Disconnect: DCSM C3305c.
- Connect: DCSM C3305c.
- With the engine running and using the switches on the HVAC module, turn the passenger climate controlled seat system on while monitoring the cushion and backrest fans for movement.
- If there is fan movement, run the passenger climate controlled seat system for a complete cycle in heat (15 minutes) and cool (30 minutes) until the system times out.
- Did the climate controlled seat operate correctly?

Yes
The fault is intermittent. CHECK for causes of the intermittent fault at C3305c and REPAIR the circuit. REPEAT the self-test. CLEAR the DTCs.

No
GO to AP3.

-------------------------------------------------
AP3 CHECK FOR AN INTERMITTENT CONNECTION AT THE CUSHION TED


- Ignition OFF.
- Disconnect: Cushion TED C3303.
- Connect: Cushion TED C3303.
- With the engine running and using the switches on the HVAC module, turn the passenger climate controlled seat system on while monitoring the cushion and backrest fans for movement.
- If there is fan movement, run the passenger climate controlled seat system for a complete cycle in heat (15 minutes) and cool (30 minutes) until the system times out.
- Did the climate controlled seat operate correctly?

Yes
The fault is intermittent. CHECK for causes of the intermittent fault at C3303 and REPAIR the circuit. REPEAT the self-test. CLEAR the DTCs.

No
GO to AP4.

-------------------------------------------------
AP4 CHECK FOR AN INTERMITTENT CONNECTION AT THE BACKREST TED


- Ignition OFF.
- Disconnect: Backrest TED C3311.
- Connect: Backrest TED C3311.
- With the engine running and using the switches on the HVAC module, turn the passenger climate controlled seat system on while monitoring the cushion and backrest fans for movement.
- If there is fan movement, run the passenger climate controlled seat system for a complete cycle in heat (15 minutes) and cool (30 minutes) until the system times out.
- Did the climate controlled seat operate correctly?

Yes
The fault is intermittent. CHECK for causes of the intermittent fault at C3311 and REPAIR the circuit. REPEAT the self-test. CLEAR the DTCs.

No
GO to AP5.

-------------------------------------------------
AP5 CHECK BLOWER CIRCUIT CHS08 (BN/YE) FOR A SHORT TO VOLTAGE


- Ignition OFF.
- Depower the SRS. Refer to Supplemental Restraint System (SRS) Depowering and Repowering in the General Procedures portion of Air Bag Systems.
- Disconnect: Passenger Seat Side Air Bag Module C313.
- Disconnect: DCSM C3305c.
- Disconnect: Cushion TED C3303.
- Disconnect: Backrest TED C3311.
- WARNING: Make sure no one is in the vehicle and there is nothing blocking or placed in front of any air bag module when the battery is connected. Failure to follow these instructions may result in serious personal injury in the event of an accidental deployment.
- Connect the battery ground cable. Refer to Battery.
- Ignition ON.
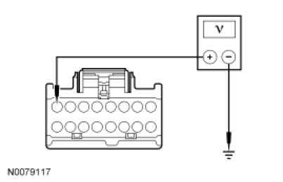
- Measure voltage between DCSM C3305c-8, circuit CHS08 (BN/YE), harness side and ground.




- Is any voltage present?

Yes
REPAIR the circuit. REPEAT the self-test. CLEAR the DTCs.

DISCONNECT the battery ground cable. CONNECT passenger seat side air bag module C313. REPOWER the SRS. REFER to Air Bag Systems.

No
GO to AP6.

-------------------------------------------------
AP6 CHECK CUSHION TED BLOWER CIRCUITS CHS08 (BN/YE) AND RHS08 (VT/WH) FOR AN OPEN


- Measure resistance between:
- DCSM C3305c-8, circuit CHS08 (BN/YE), harness side and cushion TED C3303-2, circuit CHS08 (BN/YE), harness side.
- DCSM C3305c-7, circuit RHS08 (VT/WH), harness side and cushion TED C3303-4, circuit RHS08 (VT/WH), harness side.




- Are resistances less than 5 ohms?

Yes
GO to AP7.

No
REPAIR the circuit(s). REPEAT the self-test. CLEAR the DTCs.

DISCONNECT the battery ground cable. CONNECT passenger seat side air bag module C313. REPOWER the SRS. REFER to Air Bag Systems.

-------------------------------------------------
AP7 CHECK BACKREST TED BLOWER CIRCUITS CHS08 (BN/YE) AND RHS08 (VT/WH) FOR AN OPEN


- Measure resistance between:
- DCSM C3305c-8, circuit CHS08 (BN/YE), harness side and backrest TED C3311-2, circuit CHS08 (BN/YE), harness side.
- DCSM C3305c-7, circuit RHS08 (VT/WH), harness side and backrest TED C3311-4, circuit RHS08 (VT/WH), harness side.




- Are resistances less than 5 ohms?

Yes
GO to AP8.

No
REPAIR the circuit(s). REPEAT the self-test. CLEAR the DTCs.

DISCONNECT the battery ground cable. CONNECT passenger seat side air bag module C313. REPOWER the SRS. REFER to Air Bag Systems.

-------------------------------------------------
AP8 CHECK BLOWER RESISTANCE


- NOTE: The ohmmeter must be connected with the positive lead to pin 2 and the negative lead to pin 4 when measuring. Ohmmeter leads incorrectly connected will result in false readings and lead to incorrect identification of components that are not faulty.
- Measure resistance between:
- cushion TED C3303 pin 2 and pin 4, component side.
- backrest TED C3311 pin 2 and pin 4, component side.




- Are resistances between 6,000 ohms and 9,000 ohms?

Yes
INSTALL a new DCSM and CARRY OUT Programmable Module Installation (PMI). REFER to Dual Climate Controlled Seat Module (DCSM) Dual Climate Controlled Seat Module (DCSM). REPEAT the self-test. CLEAR the DTCs.

DISCONNECT the battery ground cable. CONNECT passenger seat side air bag module C313. REPOWER the SRS. REFER to Air Bag Systems.

No
If cushion TED resistance is not between 6,000 and 9,000 ohms, INSTALL a new cushion TED. REFER to Seat Cushion Thermo-Electric Device Seat Cushion Thermo-Electric Device. REPEAT the self-test. CLEAR the DTCs.

If backrest TED resistance is not between 6,000 and 9,000 ohms, INSTALL a new backrest TED. REFER to Seat Backrest Thermo-Electric Device Seat Backrest Thermo-Electric Device. REPEAT the self-test. CLEAR the DTCs.

DISCONNECT the battery ground cable. CONNECT passenger seat side air bag module C313. REPOWER the SRS. REFER to Air Bag Systems.

-------------------------------------------------