Operation CHARM: Car repair manuals for everyone.
Manuals through 2025 now available!

Our trusted friends have launched a new website named LEMON, which has newer manuals. It also contains all the CHARM manuals.

LEMON is the spiritual successor to CHARM, I recommend you try it!

Link: lemon-manuals.la or lemon-manuals.org.ua

(Some people have issue connecting. LEMON is investigating. For now, use Firefox or change your DNS server)

Or, hide this message: temporarily or permanently

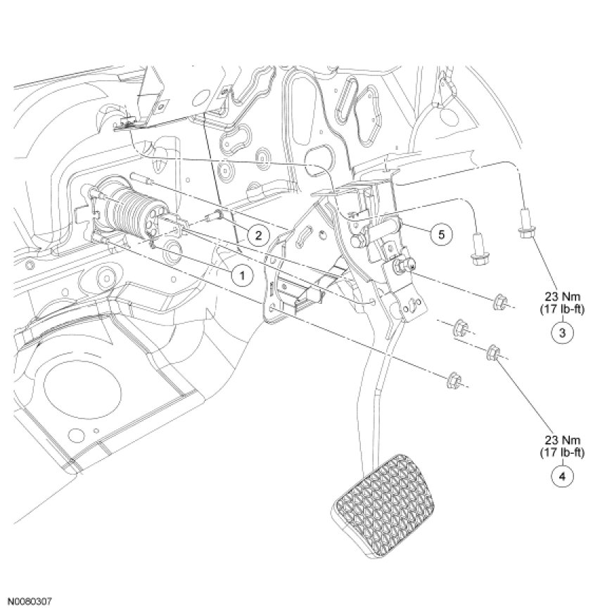
Brake Pedal Assy: Service and Repair




Brake Pedal and Bracket









Removal and Installation

1. NOTICE: Do not service the brake pedal or brake booster without first removing the stoplamp switch and speed control deactivator switch. These switches must be removed with the brake pedal in the at-rest position. Switch plungers must be compressed for the switch to rotate in the bracket. Attempting to remove the switch when the plunger is extended (during pedal apply) will result in damage to the switch.

Remove the stoplamp switch.

2. Remove the brake booster push rod pin clip.

3. Remove the brake booster push rod pin.

4. Remove the 2 brake pedal bracket bolts.
- To install, tighten to 23 Nm (17 lb-ft).

5. Remove the 4 brake pedal bracket nuts and the brake pedal and bracket assembly.
- To install, tighten to 23 Nm (17 lb-ft).

6. NOTICE: Do not press, pull or otherwise move the brake pedal while installing the stoplamp switch or the speed control deactivator switch. These switches must be installed with the booster push rod attached to the brake pedal and with the brake pedal in the at-rest position. Installing these switches with the brake pedal in any other position will result in incorrect adjustment and may damage the switches.

To install, reverse the removal procedure.