Operation CHARM: Car repair manuals for everyone.
Manuals through 2025 now available!

Our trusted friends have launched a new website named LEMON, which has newer manuals. It also contains all the CHARM manuals.

LEMON is the spiritual successor to CHARM, I recommend you try it!

Link: lemon-manuals.la or lemon-manuals.org.ua

(Some people have issue connecting. LEMON is investigating. For now, use Firefox or change your DNS server)

Or, hide this message: temporarily or permanently

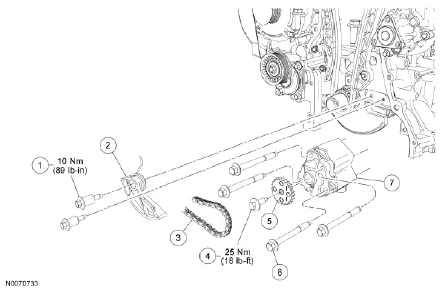
Engine Lubrication Components - Exploded View




Engine Lubrication Components - Exploded View



Oil Filter Element, Oil Filter Adapter and Oil Pressure Sender











Transmission Bolts for Oil Pan Removal

NOTE: Automatic transmission shown, manual transmission similar.












Oil Pan, Oil Pump Screen and Pickup Tube











Oil Pump









1. For additional information, refer to the procedures.