Operation CHARM: Car repair manuals for everyone.
Manuals through 2025 now available!

Our trusted friends have launched a new website named LEMON, which has newer manuals. It also contains all the CHARM manuals.

LEMON is the spiritual successor to CHARM, I recommend you try it!

Link: lemon-manuals.la or lemon-manuals.org.ua

(Some people have issue connecting. LEMON is investigating. For now, use Firefox or change your DNS server)

Or, hide this message: temporarily or permanently

Pinpoint Test Q: The Accessory Protocol Interface Module (APIM) Does Not Respond to the Scan Tool




Communications Network

Pinpoint Tests

Pinpoint Test Q: The Accessory Protocol Interface Module (APIM) Does Not Respond To The Scan Tool

Refer to Wiring Diagram Set 14, Module Communications Network for schematic and connector information. Diagrams By Number

Normal Operation

The Accessory Protocol Interface Module (APIM) communicates with the scan tool through the High Speed Controller Area Network (HS-CAN). Circuits VDB04 (WH/BU) (HS-CAN +) and VDB05 (WH) (HS-CAN -) provide the HS-CAN connection to the APIM. Circuits VDB06 (GY/OG) (MS-CAN +) and VDB07 (VT/OG) (MS-CAN -) provide the MS-CAN connection to the APIM. Voltage for the APIM is provided by circuit SBB13 (GY/RD). Circuit GD148 (BK/YE) provides ground.

This pinpoint test is intended to diagnose the following:

- Fuse
- Wiring, terminals or connectors
- APIM



PINPOINT TEST Q: THE APIM DOES NOT RESPOND TO THE SCAN TOOL

NOTICE: Use the correct probe adapter(s) when making measurements. Failure to use the correct probe adapter(s) may damage the connector.

NOTE: Failure to disconnect the battery when instructed will result in false resistance readings. Refer to Battery.

-------------------------------------------------
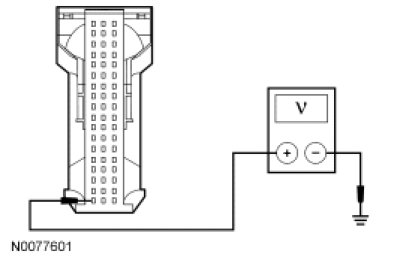
Q1 CHECK THE APIM VOLTAGE SUPPLY CIRCUIT FOR AN OPEN


- Disconnect: APIM C3338.
- Ignition ON.
- Measure the voltage between the APIM C3338-1, circuit SBB13 (GY/RD), harness side and ground.




- Is the voltage greater than 10 volts?

Yes
GO to Q2.

No
VERIFY the Battery Junction Box (BJB) fuse 13 (10A) is OK. If OK, REPAIR the circuit. CLEAR the DTCs. REPEAT the network test with the scan tool. If not OK, REFER to the Wiring Diagrams to identify the possible causes of the circuit short.

-------------------------------------------------
Q2 CHECK THE APIM GROUND CIRCUIT FOR AN OPEN


- Ignition OFF.
- Disconnect: Negative Battery Cable.
- Measure the resistance between the APIM C3338-37, circuit GD148 (BK/YE), harness side and ground; and between the APIM C3338-38, circuit GD148 (BK/YE), harness side and ground.




- Are the resistances less than 5 ohms?

Yes
GO to Q3.

No
REPAIR the circuit in question. CONNECT the negative battery cable. CLEAR the DTCs. REPEAT the network test with the scan tool.

-------------------------------------------------
Q3 CHECK THE HS-CAN CIRCUITS BETWEEN THE APIM AND THE DLC FOR AN OPEN


- Measure the resistance between the APIM C3338-53, circuit VDB04 (WH/BU), harness side and the Data Link Connector (DLC) C251-6, circuit VDB04 (WH/BU), harness side.




- Measure the resistance between the APIM C3338-54, circuit VDB05 (WH), harness side and the DLC C251-14, circuit VDB05 (WH), harness side.




- Are the resistances less than 5 ohms?

Yes
GO to Q4.

No
REPAIR the circuit in question. CONNECT the negative battery cable. CLEAR the DTCs. REPEAT the network test with the scan tool.

-------------------------------------------------
Q4 CHECK THE MS-CAN CIRCUITS BETWEEN THE APIM AND THE DLC FOR AN OPEN


- Measure the resistance between the APIM C3338-16, circuit VDB06 (GY/OG), harness side and the DLC C251-3, circuit VDB06 (GY/OG), harness side.




- Measure the resistance between the APIM C3338-17, circuit VDB07 (VT/OG), harness side and the DLC C251-11, circuit VDB07 (VT/OG), harness side.




- Are the resistances less than 5 ohms?

Yes
CONNECT the negative battery cable. GO to Q5.

No
REPAIR the circuit in question. CONNECT the negative battery cable. CLEAR the DTCs. REPEAT the network test with the scan tool.

-------------------------------------------------
Q5 CHECK FOR CORRECT APIM OPERATION


- Disconnect all the APIM connectors.
- Check for:
- corrosion
- damaged pins
- pushed-out pins
- Connect all the APIM connectors and make sure they seat correctly.
- Operate the system and verify the concern is still present.
- Is the concern still present?

Yes
INSTALL a new APIM. REFER to Radio, Stereo and Compact Disc. CLEAR the DTCs. REPEAT the network test with the scan tool.

No
The system is operating correctly at this time. The concern may have been caused by a loose or corroded connector. CLEAR the DTCs. REPEAT the network test with the scan tool.

-------------------------------------------------