Operation CHARM: Car repair manuals for everyone.
Manuals through 2025 now available!

Our trusted friends have launched a new website named LEMON, which has newer manuals. It also contains all the CHARM manuals.

LEMON is the spiritual successor to CHARM, I recommend you try it!

Link: lemon-manuals.la or lemon-manuals.org.ua

(Some people have issue connecting. LEMON is investigating. For now, use Firefox or change your DNS server)

Or, hide this message: temporarily or permanently

Pinpoint Test N: The Delayed Accessory is Inoperative/Does Not Operate Correctly




Glass, Frames and Mechanisms

Pinpoint Tests

Pinpoint Test N: The Delayed Accessory is Inoperative/Does Not Operate Correctly

Refer to Wiring Diagram Set 100, Power Windows for schematic and connector information. Diagrams By Number

Normal Operation

The accessory delay relay, which is integral to the Smart Junction Box (SJB), receives power from the Battery Junction Box (BJB) through circuit SBB01 (RD). When the ignition key is turned ON, the SJB activates the accessory delay relay, which provides power to the LH front window control switch through circuit CPW30 (GY/YE). The delayed accessory feature remains active for 10 minutes after the ignition key is turned OFF or until either front door is opened.

This pinpoint test is intended to diagnose the following:
- Fuse
- Wiring, terminals or connectors
- SJB
- Door ajar switch(es)



PINPOINT TEST N: THE DELAYED ACCESSORY IS INOPERATIVE/DOES NOT OPERATE CORRECTLY

-------------------------------------------------
N1 CHECK FOR CORRECT OPERATION OF THE DOOR AJAR SWITCHES


- Open and close the front doors. Verify the interior lights turn on when the doors are open, and off when the doors are closed.
- Do the interior lights operate normally?

Yes
GO to N2.

No
VERIFY SJB fuse 3 (15A) and fuse 12 (7.5A) (MKZ only) are OK. If OK, REFER to Courtesy Lamp to diagnose the interior lighting and door ajar switches. If not OK, REFER to the Wiring Diagrams to identify the possible causes of the circuit short. TEST the system for normal operation. Testing and Inspection

-------------------------------------------------
N2 CHECK CIRCUIT SBB01 (RD) FOR VOLTAGE


- Disconnect: SJB C2280F.
- Ignition ON.
- Measure the voltage between SJB C2280F-2, circuit SBB01 (RD), harness side and ground.




- Is the voltage greater than 10 volts?

Yes
GO to N3.

No
VERIFY BJB fuse 1 (60A) is OK. If OK, REPAIR the circuit. If not OK, REFER to the Wiring Diagrams to identify the possible causes of the circuit short. TEST the system for normal operation.

-------------------------------------------------
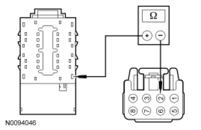
N3 CHECK CIRCUIT CPW30 (GY/YE) FOR AN OPEN


- Disconnect: LH Front Window Control Switch C537A (Fusion, Milan) or C535A and C535B (MKZ).
- For Fusion or Milan, measure the resistance between LH front window control switch C537A-2, circuit CPW30 (GY/YE), harness side and SJB C2280E-4, circuit CPW30 (GY/YE), harness side.




- For MKZ, measure the resistance between LH front window control switch C535A-3, circuit CBP02 (GN), harness side and SJB C2280E-25, circuit CBP02 (GN), harness side; and between LH front window control switch C535B-3, circuit CPW30 (GY/YE), harness side and SJB C2280E-4, circuit CPW30 (GY/YE), harness side.




- Is the resistance less than 5 ohms?

Yes
GO to N4.

No
REPAIR the circuit. TEST the system for normal operation.

-------------------------------------------------
N4 CHECK FOR CORRECT SJB OPERATION


- Disconnect all SJB connectors.
- Check for:
- corrosion.
- pushed-out pins.
- Connect all SJB connectors and make sure they seat correctly.
- Operate the system and verify the concern is still present.
- Is the concern still present?

Yes
INSTALL a new SJB. REFER to Body Control Systems for the removal and installation procedure. TEST the system for normal operation.

No
The system is operating correctly at this time. Concern may have been caused by a loose or corroded connector. CLEAR the DTCs. REPEAT the self-test. TEST the system for normal operation.

-------------------------------------------------