Operation CHARM: Car repair manuals for everyone.
Manuals through 2025 now available!

Our trusted friends have launched a new website named LEMON, which has newer manuals. It also contains all the CHARM manuals.

LEMON is the spiritual successor to CHARM, I recommend you try it!

Link: lemon-manuals.la or lemon-manuals.org.ua

(Some people have issue connecting. LEMON is investigating. For now, use Firefox or change your DNS server)

Or, hide this message: temporarily or permanently

Pinpoint Test C: The Speed Control Switches Do Not Operate Correctly




Speed Control

Pinpoint Tests

Pinpoint Test C: The Speed Control Switches Do Not Operate Correctly

Refer to Wiring Diagram Set 31, Speed Control for schematic and connector information. Diagrams By Number

Normal Operation

The PCM sends a signal through circuit VES10 (WH) to the speed control switch, which passes through the clockspring. The return signal is sent to the PCM through circuit RES08 (GN/BN) and the clockspring.

- DTC P0579 (Cruise Control Multi-Function Input A Circuit Range/Performance) - sets when a speed control switch is stuck, or when the speed control switch circuits are shorted to voltage or ground.
- DTC P0581 (Cruise Control Multi-Function Circuit High) - sets when a speed control switch is stuck, or when the speed control switch circuits are shorted to voltage or ground.

This pinpoint test is intended to diagnose the following:

- Wiring, terminals or connectors
- Clockspring
- Speed control switch
- PCM



PINPOINT TEST C: THE SPEED CONTROL SWITCHES DO NOT OPERATE CORRECTLY

NOTICE: Use the correct probe adapter(s) when making measurements. Failure to use the correct probe adapter(s) may damage the connector.

-------------------------------------------------
C1 CHECK THE SPEED CONTROL SWITCH


- Enter the following diagnostic mode on the scan tool: PCM DataLogger.
- Press each speed control switch while monitoring the speed control switch PID (SCCS).





- Does the PID value agree with the switch position?

Yes
GO to C10.

No
If only one switch does not display the correct PID value, INSTALL a new speed control switch. REFER to Speed Control Switch Service and Repair. TEST the system for normal operation.

Otherwise, GO to C2.

-------------------------------------------------
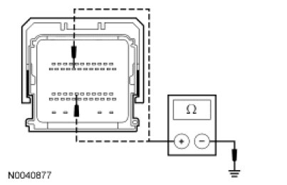
C2 CHECK THE SPEED CONTROL SWITCH CIRCUITRY FOR A SHORT TO VOLTAGE


- Ignition OFF.
- Disconnect: PCM C175b.
- Ignition ON.
- Turn the parking lamps on.
- Measure the voltage between the PCM C175b-19, circuit VES10 (WH), harness side and ground; and between the PCM C175b-30, circuit RES08 (GN/BN), harness side and ground.




- Is any voltage present?

Yes
TURN the parking lamps off. GO to C3.

No
TURN the parking lamps off. GO to C5.

-------------------------------------------------
C3 CHECK THE SPEED CONTROL SWITCH CIRCUITRY FOR A SHORT TO VOLTAGE WITH THE CLOCKSPRING DISCONNECTED


- Ignition OFF.
- Disconnect: Clockspring C218a.
- Ignition ON.
- Turn the parking lamps on.
- Measure the voltage between the PCM C175b-19, circuit VES10 (WH), harness side and ground; and between the PCM C175b-30, circuit RES08 (GN/BN), harness side and ground.




- Is any voltage present?

Yes
REPAIR the circuit in question. CLEAR the DTCs. REPEAT the self-test.

No
TURN the parking lamps off. GO to C4.

-------------------------------------------------
C4 CHECK THE CLOCKSPRING FOR A SHORT TO VOLTAGE


- Ignition OFF.
- Connect: Clockspring C218a.
- WARNING: Make sure no one is in the vehicle and there is nothing blocking or placed in front of any air bag module when the battery is connected. Failure to follow these instructions may result in serious personal injury in the event of an accidental deployment.
- Remove the driver air bag module.
- Disconnect: Upper Clockspring C218b.
- Connect the battery.
- Ignition ON.
- Turn the parking lamps on.
- Measure the voltage between the PCM C175b-19, circuit VES10 (WH), harness side and ground; and between the PCM C175b-30, circuit RES08 (GN/BN), harness side and ground.




- Is any voltage present?

Yes
INSTALL a new clockspring. DISCONNECT the battery. INSTALL the driver air bag module. CLEAR the DTCs. REPEAT the self-test.

No
GO to C10.

-------------------------------------------------
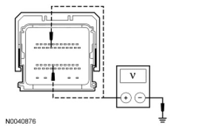
C5 CHECK THE SPEED CONTROL SWITCH CIRCUITRY FOR A SHORT TO GROUND


- Remove the driver air bag module.
- Disconnect: Upper Clockspring C218b.
- Ignition OFF.
- Measure the resistance between the PCM C175b-19, circuit VES10 (WH), harness side and ground; and between the PCM C175b-30, circuit RES08 (GN/BN), harness side and ground.




- Are the resistances greater than 10,000 ohms?

Yes
GO to C7.

No
GO to C6.

-------------------------------------------------
C6 CHECK THE CLOCKSPRING FOR A SHORT TO GROUND


- Disconnect: Clockspring C218a.
- Measure the resistance between the PCM C175b-19, circuit VES10 (WH), harness side and ground; and between the PCM C175b-30, circuit RES08 (GN/BN), harness side and ground.




- Are the resistances greater than 10,000 ohms?

Yes
INSTALL a new clockspring. INSTALL the driver air bag module. CLEAR the DTCs. REPEAT the self-test.

No
REPAIR the circuit in question. INSTALL the driver air bag module. CLEAR the DTCs. REPEAT the self-test.

-------------------------------------------------
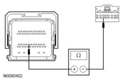
C7 CHECK THE SPEED CONTROL SWITCH CIRCUITRY FOR AN OPEN


- Disconnect: Clockspring C218a.
- Measure the resistance between the PCM C175b-19, circuit VES10 (WH), harness side and the clockspring C218a-15, circuit VES10 (WH), harness side.




- Measure the resistance between the PCM C175b-30, circuit RES08 (GN/BN), harness side and the clockspring C218a-14, circuit RES08 (GN/BN), harness side.




- Are the resistances less than 5 ohms?

Yes
GO to C9.

No
GO to C8.

-------------------------------------------------
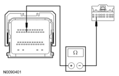
C8 CHECK THE CLOCKSPRING


- Measure the resistance between the clockspring C218a pin 14, component side and the clockspring C218b pin 9, component side.




- Measure the resistance between the clockspring C218a pin 15, component side and the clockspring C218b pin 8, component side.




- Are the resistances less than 5 ohms?

Yes
GO to C9.

No
INSTALL a new clockspring. INSTALL the driver air bag module. CLEAR the DTCs. REPEAT the self-test.

-------------------------------------------------
C9 CHECK THE STEERING WHEEL SWITCH HARNESS


- Check the steering wheel switch harness for an open, short to ground or short to voltage.
- Are any of these conditions present?

Yes
REPAIR the steering wheel switch harness. INSTALL the driver air bag module. CLEAR the DTCs. REPEAT the self-test.

No
INSTALL a new speed control switch. REFER to Speed Control Switch Service and Repair. INSTALL the driver air bag module. CLEAR the DTCs. REPEAT the self-test.

-------------------------------------------------
C10 CHECK FOR CORRECT PCM OPERATION


- Connect: All Disconnected Connectors.
- Disconnect all the PCM connectors.
- Check for:
- corrosion
- damaged pins
- pushed-out pins
- Connect all the PCM connectors and make sure they seat correctly.
- Operate the system and verify the concern is still present.
- Is the concern still present?

Yes
INSTALL a new PCM. INSTALL the driver air bag module. TEST the system for normal operation.

No
The system is operating correctly at this time. The concern may have been caused by a loose or corroded connector. INSTALL the driver air bag module. CLEAR the DTCs. REPEAT the self-test.

-------------------------------------------------