Operation CHARM: Car repair manuals for everyone.
Manuals through 2025 now available!

Our trusted friends have launched a new website named LEMON, which has newer manuals. It also contains all the CHARM manuals.

LEMON is the spiritual successor to CHARM, I recommend you try it!

Link: lemon-manuals.la or lemon-manuals.org.ua

(Some people have issue connecting. LEMON is investigating. For now, use Firefox or change your DNS server)

Or, hide this message: temporarily or permanently

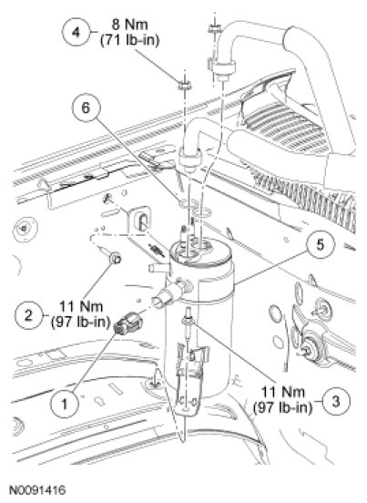
Accumulator HVAC: Service and Repair




Suction Accumulator













Removal and Installation

NOTICE: Care must be taken to minimize exposure of the inside of the suction accumulator to outside air. If multiple Air Conditioning (A/C) system components are being removed and installed, the suction accumulator should be installed last. The suction accumulator shipping caps should not be removed until the fittings are ready to be connected. Evacuation of the A/C system must be started as soon as the suction accumulator is installed. Excessive exposure of the inside of the suction accumulator to outside air will result in moisture contamination of the suction accumulator desiccant.

NOTE: Installation of a new suction accumulator is not required when repairing the A/C system, except when there is physical evidence of contamination from a failed A/C compressor or damage to the suction accumulator. Damage to the suction accumulator includes leaks in the suction accumulator, physical damage to the suction accumulator shell or desiccant, or moisture contamination. Moisture contamination results only from a complete loss of refrigerant, and equalization of the refrigerant system pressure with atmospheric pressure for a period longer than 1 hour. If even a slight amount of positive refrigerant pressure is present in the refrigerant system before repairs are carried out, the suction accumulator should not be replaced.

All vehicles

1. Recover the refrigerant.

2. Remove the PCM. Service and Repair

3. Disconnect the A/C cycling switch electrical connector.

4. Remove the suction accumulator bolt.
- To install, tighten to 11 Nm (97 lb-in).

5. Remove the PCM bracket bolt.





6. Remove the PCM bracket nut and the PCM bracket.





7. Remove the suction accumulator stud.
- To install, tighten to 11 Nm (97 lb-in).

4.6L vehicles

8. Remove the suction accumulator-to-compressor line bracket nut at the condenser-to-evaporator line bracket.

All vehicles

9. Remove the suction accumulator bracket bolt and suction accumulator.

10. Remove the 2 suction accumulator fitting nuts and disconnect the fittings.
- Discard the O-ring seals.

- To install, tighten to 8 Nm (71 lb-in).

11. Remove the suction accumulator.

12. To install, reverse the removal procedure.
- Install new O-ring seals.

- Lubricate the refrigerant system with the correct amount of clean PAG oil.

13. Evacuate, leak test and charge the refrigerant system.