Operation CHARM: Car repair manuals for everyone.
Manuals through 2025 now available!

Our trusted friends have launched a new website named LEMON, which has newer manuals. It also contains all the CHARM manuals.

LEMON is the spiritual successor to CHARM, I recommend you try it!

Link: lemon-manuals.la or lemon-manuals.org.ua

(Some people have issue connecting. LEMON is investigating. For now, use Firefox or change your DNS server)

Or, hide this message: temporarily or permanently

Pinpoint Test H: The Defrost System Does Not Shut Off Automatically




Glass, Frames and Mechanisms

Pinpoint Tests

Pinpoint Test H: The Defrost System Does Not Shut Off Automatically

Refer to Wiring Diagram Set 56, Heated Window for schematic and connector information. Diagrams By Number

Normal Operation

Under normal operation, the rear window defrost relay receives power from the Battery Junction Box (BJB) through circuit SBB15 (WH/RD).

For vehicles equipped with HVAC module, when the rear window defrost switch is depressed, a message is sent to the Smart Junction Box (SJB) through the Controller Area Network (CAN). When the SJB receives a rear window defrost ON message through the CAN, the SJB starts an internal 10 minute timer and grounds the rear window defrost relay coil, which activates the rear window defrost relay. When the rear window defrost relay is active, power is sent to the rear window defrost grid through circuit CRD06 (BN/YE). The rear window defrost grid is grounded to the chassis through circuit GD150 (BK/WH).

For vehicles equipped with manual climate control assembly, when the rear window defrost switch is depressed, a ground signal is sent to the SJB through circuit CRD09 (BU/GY). When the SJB receives ground through circuit CRD09 (BU/GY), the SJB starts an internal 10 minute timer and grounds the rear window defrost relay coil, which activates the rear window defrost relay. When the rear window defrost relay is active, power is sent to the rear window defrost grid through circuit CRD06 (BN/YE). The rear window defrost grid is grounded to the chassis through circuit GD150 (BK/WH).

- DTC B1345 Heated Backlite Input Circuit Short To Ground - Short to ground detected on relay control circuit.

This pinpoint test is intended to diagnose the following:
- Inoperative rear window defrost relay
- Wiring, terminals or connectors
- Inoperative SJB
- Inoperative HVAC module or manual climate control assembly



PINPOINT TEST H: THE DEFROST SYSTEM DOES NOT SHUT OFF AUTOMATICALLY

-------------------------------------------------
H1 RETRIEVE THE DTCs


- Carry out the SJB continuous and on-demand self tests.
- Are any DTCs present?

Yes
If DTC B1345 is present, GO to H3.

For all other DTCs, REFER to the Smart Junction Box (SJB) DTC Chart. Smart Junction Box (SJB) DTC Chart

No
If no DTCs are present, GO to H2.

-------------------------------------------------
H2 CHECK CIRCUIT CRD06 (BN/YE) FOR A SHORT TO VOLTAGE


- Disconnect: Rear Window Defrost Relay.
- Disconnect: Rear Window Defrost Grid C402A.
- Start the engine.
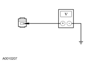
- Measure the voltage between rear window defrost grid C402A-1, circuit CRD06 (BN/YE), harness side and ground.




- Is any voltage present?

Yes
REPAIR the circuit. CLEAR the DTCs. TEST the system for normal operation.

No
GO to H3.

-------------------------------------------------
H3 CHECK THE REAR WINDOW DEFROST RELAY


- Ignition OFF.
- Disconnect: Rear Window Defrost Relay.
- Carry out the rear window defrost relay component test.

- Did the rear window defrost relay pass the component test?

Yes
For vehicles equipped with HVAC module, GO to H4.
For vehicles equipped with manual climate control assembly, GO to H5.

No
INSTALL a new rear window defrost relay. CLEAR the DTCs. TEST the system for normal operation.

-------------------------------------------------
H4 CHECK THE REAR WINDOW DEFROST SWITCH PID CC_RDEF


- Connect: Rear Window Defrost Relay.
- Ignition ON.
- Enter the following diagnostic mode on the scan tool: DataLogger - HVAC Module.
- Monitor the HVAC module PID CC_RDEF while activating the rear window defrost switch ON and OFF.
- Does the PID agree with the rear window defrost switch status?

Yes
GO to H7.

No
INSTALL a new HVAC module. CLEAR the DTCs. TEST the system for normal operation.

-------------------------------------------------
H5 CHECK CIRCUIT CRD09 (BU/GY) INPUT TO SJB MODULE


- Disconnect: SJB C2280D.
- Ignition ON.
- Monitor the resistance between SJB C2280D-7, circuit CRD09 (BU/GY), harness side and ground while activating and deactivating the rear window defrost switch.




- Is the resistance less than 30 ohms when the rear defrost switch is activated; and greater than 10,000 ohms when the rear window defrost switch is deactivated?

Yes
GO to H7.

No
GO to H6.

-------------------------------------------------
H6 CHECK CIRCUIT CRD09 (BU/GY) FOR A SHORT TO GROUND


- Disconnect: Manual Climate Control Assembly C294C.
- Measure the resistance between manual climate control assembly C294C-12, circuit CRD09 (BU/GY), harness side and ground.




- Is the resistance greater than 10,000 ohms?

Yes
INSTALL a new manual climate control assembly. CLEAR the DTCs. TEST the system for normal operation.

No
REPAIR the circuit. CLEAR the DTCs. TEST the system for normal operation.

-------------------------------------------------
H7 CHECK FOR CORRECT SJB OPERATION


- Disconnect all SJB connectors.
- Check for:
- corrosion.
- pushed-out pins.
- Connect all SJB connectors and verify the concern is still present.
- Is the concern still present?

Yes
INSTALL a new SJB. TEST the system for normal operation.

No
The system is operating correctly at this time. Concern may have been caused by a loose or corroded connector. CLEAR the DTCs. REPEAT the self-test. TEST the system for normal operation.

-------------------------------------------------