Operation CHARM: Car repair manuals for everyone.
Manuals through 2025 now available!

Our trusted friends have launched a new website named LEMON, which has newer manuals. It also contains all the CHARM manuals.

LEMON is the spiritual successor to CHARM, I recommend you try it!

Link: lemon-manuals.la or lemon-manuals.org.ua

(Some people have issue connecting. LEMON is investigating. For now, use Firefox or change your DNS server)

Or, hide this message: temporarily or permanently

Fender




Fender

Removal and Installation

LH or RH fenders

1. Remove the front bumper cover. For additional information, refer to Bumper.

2. Remove the fender splash shield. For additional information, refer to Fender Splash Shield Fender Splash Shield.

3. If equipped, remove the rocker panel moulding. For additional information, refer to Auxiliary Step / Running Board.

RH fender

4. Remove the antenna mast and the antenna base fender grommet.





LH or RH fenders

5. Remove the 2 lower rear fender bolts.
- To install, tighten to 11 Nm (97 lb-in).





6. NOTE: The front door must be open to gain access to the upper rear fender bolt.

Remove the upper rear fender bolt.

- To install, tighten to 11 Nm (97 lb-in).





7. Remove the lower front fender bolts.
- To install, tighten to 11 Nm (97 lb-in).





8. NOTE: On the RH side, the antenna base is mounted to the body inside the fender opening. The RH fender must be lifted over the base during removal.

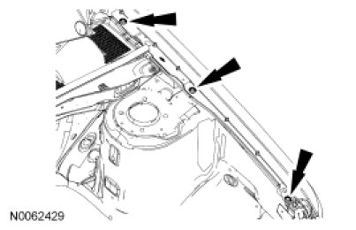
Remove the 3 upper fender bolts and the front fender.

- To install, tighten to 11 Nm (97 lb-in).





9. To install, reverse the removal procedure.