Operation CHARM: Car repair manuals for everyone.
Manuals through 2025 now available!

Our trusted friends have launched a new website named LEMON, which has newer manuals. It also contains all the CHARM manuals.

LEMON is the spiritual successor to CHARM, I recommend you try it!

Link: lemon-manuals.la or lemon-manuals.org.ua

(Some people have issue connecting. LEMON is investigating. For now, use Firefox or change your DNS server)

Or, hide this message: temporarily or permanently

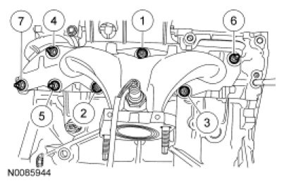
Exhaust Manifold

Install 7 new exhaust manifold studs in the cylinder head.
Tighten to 17 Nm (150 lb-in).






NOTE: Make sure to tighten the nuts in the sequence shown in 2 stages.

Position the exhaust manifold and tighten the 7 new exhaust manifold nuts in the sequence shown in 2 stages:
Stage 1: Tighten to 48 Nm (35 lb-ft).
Stage 2: Tighten to 48 Nm (35 lb-ft).






Install the exhaust manifold heat shield and the 4 bolts.
Tighten to 10 Nm (89 lb-in).