Operation CHARM: Car repair manuals for everyone.
Manuals through 2025 now available!

Our trusted friends have launched a new website named LEMON, which has newer manuals. It also contains all the CHARM manuals.

LEMON is the spiritual successor to CHARM, I recommend you try it!

Link: lemon-manuals.la or lemon-manuals.org.ua

(Some people have issue connecting. LEMON is investigating. For now, use Firefox or change your DNS server)

Or, hide this message: temporarily or permanently

Crankshaft Position Sensor: Service and Repair




Crankshaft Position (CKP) Sensor

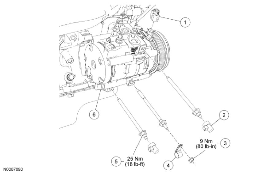
A/C Compressor









Crankshaft Position (CKP) Sensor









Removal and Installation

1. WARNING: Before servicing a vehicle equipped with a fire suppression system, depower the system by following the procedure in Fire Suppression System. Failure to follow the instructions may result in serious personal injury. Procedures

With the vehicle in NEUTRAL, position it on a hoist. For additional information, refer to Jacking and Lifting Service and Repair.

2. Rotate the tensioner and remove the drive belt from the A/C compressor pulley.





3. Disconnect the A/C compressor field coil electrical connector.

4. Disconnect the Crankshaft Position (CKP) sensor electrical connector.

5. Remove the nut and detach the 2 wiring harness clips.
- To install, tighten to 9 Nm (80 lb-in).





6. NOTE: It is not necessary to remove the A/C compressor stud bolts.

Loosen the 3 A/C compressor stud bolts enough to slide the compressor down one inch, allowing access for CKP sensor removal.

- To install, tighten to 25 Nm (18 lb-ft).





7. Remove the bolt and the CKP sensor.
- To install, tighten to 10 Nm (89 lb-in).

8. WARNING: If the vehicle is equipped with a fire suppression system, repower the system. For important safety warnings and procedures, refer to Fire Suppression System. Failure to follow these instructions may result in serious personal injury. Description and Operation

To install, reverse the removal procedure. If equipped with a fire suppression system, repower the system.