Operation CHARM: Car repair manuals for everyone.
Manuals through 2025 now available!

Our trusted friends have launched a new website named LEMON, which has newer manuals. It also contains all the CHARM manuals.

LEMON is the spiritual successor to CHARM, I recommend you try it!

Link: lemon-manuals.la or lemon-manuals.org.ua

(Some people have issue connecting. LEMON is investigating. For now, use Firefox or change your DNS server)

Or, hide this message: temporarily or permanently

Pinpoint Test D: The Vehicle Dynamics Module (VDM) Does Not Respond To The Scan Tool




Communications Network

Pinpoint Tests

Pinpoint Test D: The Vehicle Dynamics Module (VDM) Does Not Respond To The Scan Tool

Refer to Wiring Diagram Set 14, Module Communications Network for schematic and connector information. Diagrams By Number

Refer to Wiring Diagram Set 41, Vehicle Dynamic Suspension for schematic and connector information. Diagrams By Number

Normal Operation

The Vehicle Dynamics Module (VDM) (if equipped) communicates with the scan tool through the High Speed Controller Area Network (HS-CAN).

This pinpoint test is intended to diagnose the following:

- Fuse
- Wiring, terminals or connectors
- VDM

PINPOINT TEST D: THE VDM DOES NOT RESPOND TO THE SCAN TOOL

NOTICE: Use the correct probe adapter(s) when making measurements. Failure to use the correct probe adapter(s) may damage the connector.

NOTE: Failure to disconnect the battery when instructed will result in false resistance readings. Refer to Battery, Mounting and Cables Battery Disconnect.

-------------------------------------------------
D1 CHECK THE VDM VOLTAGE SUPPLY CIRCUITS FOR AN OPEN


- Ignition OFF.
- Disconnect: VDM C2131a.
- Ignition ON.
- Measure the voltage between the VDM, harness side and ground as follows:









- Are the voltages greater than 10 volts?

Yes
GO to D2.

No
VERIFY the Battery Junction Box (BJB) fuse 5 (10A) and the Central Junction Box (CJB) fuse 13 (10A) are OK. If OK, REPAIR the circuit in question. If not OK, REFER to the Wiring Diagrams to identify the possible causes of the short circuit. CLEAR the DTCs. REPEAT the network test with the scan tool. Diagrams By Number

-------------------------------------------------
D2 CHECK THE VDM GROUND CIRCUITS FOR AN OPEN


- Ignition OFF.
- Disconnect: Negative Battery Cable.
- Disconnect: VDM C2131b.
- Measure the resistance between the VDM, harness side and ground as follows:









- Are the resistances less than 5 ohms?

Yes
GO to D3.

No
REPAIR the circuit in question. CONNECT the negative battery cable. CLEAR the DTCs. REPEAT the network test with the scan tool.

-------------------------------------------------
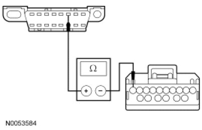
D3 CHECK THE HS-CAN CIRCUITS BETWEEN THE DLC AND THE VDM FOR AN OPEN


- Measure the resistance between the Data Link Connector (DLC) C251-6, circuit 1827 (WH/LG), harness side and the VDM C2131a-10, circuit 1827 (WH/LG), harness side.




- Measure the resistance between the DLC C251-14, circuit 1828 (PK/LG) harness side and the VDM C2131a-9, circuit 1828 (PK/LG), harness side.




- Are the resistances less than 5 ohms?

Yes
CONNECT the negative battery cable. GO to D4.

No
REPAIR the circuit in question. CONNECT the negative battery cable. CLEAR the DTCs. REPEAT the network test with the scan tool.

-------------------------------------------------
D4 CHECK FOR CORRECT VDM OPERATION


- Disconnect all the VDM connectors.
- Check for:
- corrosion
- damaged pins
- pushed-out pins
- Connect all the VDM connectors and make sure they seat correctly.
- Operate the system and verify the concern is still present.
- Is the concern still present?

Yes
INSTALL a new VDM. REFER to Vehicle Dynamic Suspension Service and Repair. CLEAR the DTCs. REPEAT the network test with the scan tool.

No
The system is operating correctly at this time. The concern may have been caused by a loose or corroded connector.

-------------------------------------------------