Operation CHARM: Car repair manuals for everyone.
Manuals through 2025 now available!

Our trusted friends have launched a new website named LEMON, which has newer manuals. It also contains all the CHARM manuals.

LEMON is the spiritual successor to CHARM, I recommend you try it!

Link: lemon-manuals.la or lemon-manuals.org.ua

(Some people have issue connecting. LEMON is investigating. For now, use Firefox or change your DNS server)

Or, hide this message: temporarily or permanently

Pinpoint Test E: The HVAC Module Does Not Respond To The Scan Tool




Communications Network

Pinpoint Tests

Pinpoint Test E: The HVAC Module Does Not Respond To The Scan Tool

Refer to Wiring Diagram Set 14, Module Communications Network for schematic and connector information. Diagrams By Number

Refer to Wiring Diagram Set 55, Automatic Climate Control System for schematic and connector information. Diagrams By Number

Normal Operation

The HVAC module (if equipped) communicates with the scan tool through the Standard Corporate Protocol (SCP) communication network.

This pinpoint test is intended to diagnose the following:

- Fuse
- Wiring, terminals or connectors
- HVAC module

PINPOINT TEST E: THE HVAC MODULE DOES NOT RESPOND TO THE SCAN TOOL

NOTICE: Use the correct probe adapter(s) when making measurements. Failure to use the correct probe adapter(s) may damage the connector.

NOTE: Failure to disconnect the battery when instructed will result in false resistance readings. Refer to Battery, Mounting and Cables Battery Disconnect.

-------------------------------------------------
E1 CHECK THE HVAC MODULE VOLTAGE SUPPLY CIRCUITS FOR AN OPEN


- Ignition OFF.
- Disconnect: HVAC Module C228a.
- Ignition ON.
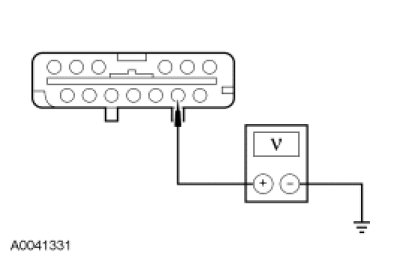
- Measure the voltage between the HVAC module C228a-2, circuit 1566 (RD/YE), harness side and ground.




- Measure the voltage between the HVAC module C228a-16, circuit 1812 (BN/WH), harness side and ground.




- Are the voltages greater than 10 volts?

Yes
GO to E2.

No
VERIFY the Central Junction Box (CJB) fuses 8 (10A) and 15 (10A) are OK. If OK, REPAIR the circuit. If not OK, REFER to the Wiring Diagrams to identify the possible causes of the short circuit. CLEAR the DTCs. REPEAT the network test with the scan tool. Diagrams By Number

-------------------------------------------------
E2 CHECK THE HVAC MODULE GROUND CIRCUITS FOR AN OPEN


- Ignition OFF.
- Disconnect: Negative Battery Cable.
- Measure the resistance between the HVAC module C228a-3, circuit 57 (BK), harness side and ground.




- Is the resistance less than 5 ohms?

Yes
GO to E3.

No
REPAIR the circuit. CONNECT the negative battery cable. CLEAR the DTCs. REPEAT the network test with the scan tool.

-------------------------------------------------
E3 CHECK THE SCP CIRCUITS BETWEEN THE HVAC MODULE AND THE DLC FOR AN OPEN


- Measure the resistance between the HVAC module C228a-15, circuit 914 (TN/OG), harness side and the Data Link Connector (DLC) C251-2, circuit 914 (TN/OG), harness side.




- Measure the resistance between the HVAC module C228a-1, circuit 915 (PK/LB), harness side and the DLC C251-10, circuit 915 (PK/LB), harness side.




- Are the resistances less than 5 ohms?

Yes
CONNECT the negative battery cable. GO to E4.

No
REPAIR the circuit in question. CONNECT the negative battery cable. CLEAR the DTCs. REPEAT the network test with the scan tool.

-------------------------------------------------
E4 CHECK FOR CORRECT HVAC MODULE OPERATION


- Disconnect all the HVAC module connectors.
- Check for:
- corrosion
- damaged pins
- pushed-out pins
- Connect all the HVAC module connectors and make sure they seat correctly.
- Operate the system and verify the concern is still present.
- Is the concern still present?

Yes
INSTALL a new HVAC module. REFER to Climate Control Heating Ventilation Air Conditioning (HVAC) Module. CLEAR the DTCs. REPEAT the network test with the scan tool.

No
The system is operating correctly at this time. The concern may have been caused by a loose or corroded connector.

-------------------------------------------------