Operation CHARM: Car repair manuals for everyone.
Manuals through 2025 now available!

Our trusted friends have launched a new website named LEMON, which has newer manuals. It also contains all the CHARM manuals.

LEMON is the spiritual successor to CHARM, I recommend you try it!

Link: lemon-manuals.la or lemon-manuals.org.ua

(Some people have issue connecting. LEMON is investigating. For now, use Firefox or change your DNS server)

Or, hide this message: temporarily or permanently

Pinpoint Test H: The Fire Suppression System Module (FSSM) Does Not Respond To The Scan Tool




Communications Network

Pinpoint Tests

Pinpoint Test H: The Fire Suppression System Module (FSSM) Does Not Respond To The Scan Tool

Refer to Wiring Diagram Set 14, Module Communications Network for schematic and connector information. Diagrams By Number

Refer to Wiring Diagram Set 96, Police Option for schematic and connector information. Diagrams By Number

Normal Operation

The Fire Suppression System Module (FSSM) (if equipped) communicates with the scan tool through the ISO 9141 communication network. The FSSM also communicates with the PCM via the High Speed Controller Area Network (HS-CAN).

This pinpoint test is intended to diagnose the following:

- Fuse
- Wiring, terminals or connectors
- FSSM

PINPOINT TEST H: THE FSSM DOES NOT RESPOND TO THE SCAN TOOL

WARNING: Before servicing a vehicle equipped with a fire suppression system, depower the system by following the procedure in Fire Suppression System. Failure to follow the instructions may result in serious personal injury. Procedures

WARNING: If equipped with fire suppression system, refer to Fire Suppression System for Important Safety Warnings. Failure to follow this instruction may result in serious personal injury. Description and Operation

WARNING: To reduce the risk of accidental deployment, do not use any memory saver devices when depowering the fire suppression system. Failure to follow this instruction may result in serious personal injury.

WARNING: To reduce the risk of accidental deployment, never probe the connectors on the fire suppressors. Failure to follow this instruction may cause unintentional deployment of the suppressors, which may result in serious personal injury.

NOTE: Failure to disconnect the battery when instructed will result in false resistance readings. Refer to Battery, Mounting and Cables Battery Disconnect.

-------------------------------------------------
H1 CHECK THE FSSM VOLTAGE SUPPLY CIRCUIT FOR AN OPEN


- Ignition OFF.
- Disconnect: Negative Battery Cable.
- Wait approximately 60 seconds to allow the FSSM back-up power supply to discharge.
- Disconnect: FSSM C3281a.
- Connect: Negative Battery Cable.
- Ignition ON.
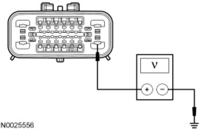
- Measure the voltage between the FSSM C3281a-1, circuit 2319 (RD/YE), harness side and ground.




- Is the voltage greater than 10 volts?

Yes
GO to H2.

No
VERIFY the Central Junction Box (CJB) fuse 33 (10A) is OK. If OK, DISCONNECT the battery. REPAIR the circuit. If not OK, REFER to the Wiring Diagrams to identify the possible causes of the short circuit. CONNECT the FSSM. CONNECT the battery. CLEAR the DTCs. REPEAT the network test with the scan tool. Diagrams By Number

-------------------------------------------------
H2 CHECK THE FSSM CASE GROUND


- Ignition OFF.
- Disconnect: Negative Battery Cable.
- Measure the resistance between the FSSM case and the battery cable ground terminal.
- Is the resistance less than 5 ohms?

Yes
GO to H3.

No
REPAIR the ground connection to the FSSM case. CONNECT the FSSM. CONNECT the negative battery cable. CLEAR the DTCs. REPEAT the network test with the scan tool.

-------------------------------------------------
H3 CHECK THE GROUND CIRCUIT


- Measure the resistance between the FSSM C3281a-7, circuit 1203 (BK/LB), harness side and ground.




- Is the resistance less than 5 ohms?

Yes
GO to H4.

No
REPAIR the circuit. CONNECT the FSSM C3281a. CONNECT the negative battery cable. CLEAR the DTCs. REPEAT the network test with the scan tool.

-------------------------------------------------
H4 CHECK CIRCUIT 70 (LB/WH) BETWEEN THE DLC AND THE FSSM FOR AN OPEN


- Measure the resistance between the FSSM C3281a-9, circuit 70 (LB/WH), harness side and the Data Link Connector (DLC) C251-7, circuit 70 (LB/WH), harness side.




- Is the resistance less than 5 ohms?

Yes
GO to H5.

No
REPAIR the circuit. CONNECT the FSSM C3281a. CONNECT the negative battery cable. CLEAR the DTCs. REPEAT the network test with the scan tool.

-------------------------------------------------
H5 CHECK THE HS-CAN CIRCUITS BETWEEN THE FSSM AND THE DLC FOR AN OPEN


- Measure the resistance between the FSSM C3281a-16, circuit 1827 (WH/LG), harness side and the DLC C251-6, circuit 1827 (WH/LG), harness side.




- Measure the resistance between the FSSM C3281a-8, circuit 1828 (PK/LG), harness side and the DLC C251-14, circuit 1828 (PK/LG), harness side.




- Are the resistances less than 5 ohms?

Yes
CONNECT the negative battery cable. GO to H6.

No
REPAIR the circuit in question. CONNECT the FSSM C3281a. CONNECT the negative battery cable. CLEAR the DTCs. REPEAT the network test with the scan tool.

-------------------------------------------------
H6 CHECK FOR CORRECT FSSM OPERATION


- Disconnect all the FSSM connectors.
- Check for:
- corrosion
- damaged pins
- pushed-out pins
- Connect all the FSSM connectors and make sure they seat correctly.
- Operate the system and verify the concern is still present.
- Is the concern still present?

Yes
INSTALL a new FSSM. REFER to Fire Suppression System Service and Repair. CLEAR the DTCs. REPEAT the network test with the scan tool.

No
The system is operating correctly at this time. The concern may have been caused by a loose or corroded connector.

-------------------------------------------------