Operation CHARM: Car repair manuals for everyone.
Manuals through 2025 now available!

Our trusted friends have launched a new website named LEMON, which has newer manuals. It also contains all the CHARM manuals.

LEMON is the spiritual successor to CHARM, I recommend you try it!

Link: lemon-manuals.la or lemon-manuals.org.ua

(Some people have issue connecting. LEMON is investigating. For now, use Firefox or change your DNS server)

Or, hide this message: temporarily or permanently

Electronic Brake Control Module: Service and Repair




Anti-Lock Brake System (ABS) Module













Removal and Installation

NOTICE: Electronic modules are sensitive to electrical charges. The ABS module can be damaged if exposed to these charges.

NOTICE: Do not allow any brake fluid or foreign material to enter the mating side of the ABS module or damage to the solenoids can occur.

1. If installing a new ABS module , carry out the steps necessary to prepare for Programmable Module Installation (PMI). For additional information, refer to Module Configuration Programming and Relearning.

2. Remove the Air Cleaner (ACL). For additional information, refer to Intake Air Distribution and Filtering Air Cleaner.

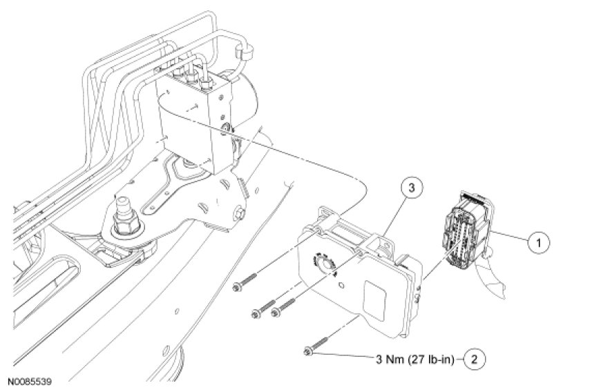
3. Disconnect the ABS module electrical connector.

4. NOTICE: Care must be taken when removing the module from the Hydraulic Control Unit (HCU) or damage to the component may occur.

Remove the 4 screws and the ABS module.

- To install, tighten to 3 Nm (27 lb-in).

5. NOTE: Make sure that the ABS module-to-Hydraulic Control Unit (HCU) gasket surfaces are clean and that the gasket is correctly installed.

To install, reverse the removal procedure.

6. If a new ABS module was installed, carry out the appropriate steps necessary to complete PMI. For additional information, refer to Module Configuration Programming and Relearning.