Operation CHARM: Car repair manuals for everyone.
Manuals through 2025 now available!

Our trusted friends have launched a new website named LEMON, which has newer manuals. It also contains all the CHARM manuals.

LEMON is the spiritual successor to CHARM, I recommend you try it!

Link: lemon-manuals.la or lemon-manuals.org.ua

(Some people have issue connecting. LEMON is investigating. For now, use Firefox or change your DNS server)

Or, hide this message: temporarily or permanently

Pinpoint Test L: The HVAC Module Does Not Respond To The Scan Tool




Communications Network

Pinpoint Tests

Pinpoint Test L: The HVAC Module Does Not Respond To The Scan Tool

Refer to Wiring Diagram Set 14 (Escape/Mariner, Escape Hybrid/Mariner Hybrid), Module Communications Network for schematic and connector information. Diagrams By Number

Refer to Wiring Diagram Set 54 (Escape/Mariner, Escape Hybrid/Mariner Hybrid), Manual Climate Control System for schematic and connector information. Diagrams By Number

Refer to Wiring Diagram Set 55 (Escape/Mariner, Escape Hybrid/Mariner Hybrid), Automatic Climate Control System for schematic and connector information. Diagrams By Number

Normal Operation

The HVAC module communicates with the scan tool through the Medium Speed Controller Area Network (MS-CAN).

NOTE: The Electronic Manual Temperature Control (EMTC) HVAC module does not communicate with the scan tool.

This pinpoint test is intended to diagnose the following:

- Fuse
- Wiring, terminals or connectors
- HVAC module


PINPOINT TEST L: THE HVAC MODULE DOES NOT RESPOND TO THE SCAN TOOL

NOTICE: Use the correct probe adapter(s) when making measurements. Failure to use the correct probe adapter(s) may damage the connector.

NOTE: Failure to disconnect the battery when instructed will result in false resistance readings. Refer to Battery, Mounting and Cables Battery Disconnect.

-------------------------------------------------
L1 CHECK THE HVAC MODULE VOLTAGE SUPPLY CIRCUIT FOR AN OPEN

- Ignition OFF.
- Disconnect: HVAC Module C2356a ( DATC) or C2357a ( EMTC).
- Ignition ON.
- For gasoline engines (without hybrid), measure the voltage between the HVAC module C2356a-12 or C2357a-12, circuit CBP37 (WH), harness side and ground; and between the HVAC module C2356a-13 or C2357a-13, circuit SBP15 (WH/RD), harness side and ground.




- For hybrid, measure the voltage between the HVAC module C2356a-12 circuit CH122 (WH/OG), harness side and ground; and between the HVAC module C2356a-13, circuit SBP15 (WH/RD), harness side and ground.





- Are the voltages greater than 10 volts?

Yes
GO to L2.

No
VERIFY the Smart Junction Box (SJB) fuse 15 (10A) or fuse 37 (10A) is OK. If OK, REPAIR the circuit in question. If not OK, Refer to the Wiring Diagrams to identify the possible causes of the circuit short. CLEAR the DTCs. REPEAT the network test with the scan tool. Diagrams By Number

-------------------------------------------------
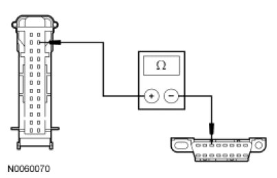
L2 CHECK THE HVAC MODULE GROUND CIRCUIT FOR AN OPEN

- Ignition OFF.
- Disconnect: Negative Battery Cable.
- Measure the resistance between the HVAC module C2356a-23 or C2357a-23, circuit GD114 (BK/BU), harness side and ground.





- Is the resistance less than 5 ohms?

Yes
GO to L3.

No
REPAIR the circuit. CONNECT the negative battery cable. CLEAR the DTCs. REPEAT the network test with the scan tool.

-------------------------------------------------
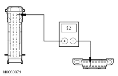
L3 CHECK THE MS-CAN CIRCUITS BETWEEN THE HVAC MODULE AND THE DLC FOR AN OPEN

- Measure the resistance between the HVAC module C2356a-25 or C2357a-25, circuit VDB06 (GY/OG), harness side and the Data Link Connector (DLC) C251-3, circuit VDB06 (GY/OG), harness side.




- Measure the resistance between the HVAC module C2356a-26 or C2357a-26, circuit VDB07 (VT/OG), harness side and the DLC C251-11, circuit VDB07 (VT/OG), harness side.





- Are the resistances less than 5 ohms?

Yes
CONNECT the negative battery cable. GO to L4.

No
REPAIR the circuit in question. CONNECT the negative battery cable. CLEAR the DTCs. REPEAT the network test with the scan tool.

-------------------------------------------------
L4 CHECK FOR CORRECT HVAC MODULE OPERATION

- Disconnect all the HVAC module connectors.
- Check for:
- corrosion
- damaged pins
- pushed-out pins
- Connect all the HVAC module connectors and make sure they seat correctly.
- Operate the system and verify the concern is still present.
- Is the concern still present?

Yes
INSTALL a new HVAC module. REFER to Climate Control Service and Repair. CLEAR the DTCs. REPEAT the network test with the scan tool.

No
The system is operating correctly at this time. The concern may have been caused by a loose or corroded connector.

-------------------------------------------------