Pinpoint Test C: DTC B1318
Smart Junction Box (SJB)
Pinpoint Test C: DTC B1318
Refer to Wiring Diagram Set 13 (Fusion/Milan/MKZ, Fusion Hybrid, Milan Hybrid, MKZ Hybrid), Power Distribution/SJB for schematic and connector information. Diagrams By Number
Normal Operation
- DTC B1318 (Battery Voltage Low) - a continuous and on-demand DTC that sets when the SJB detects battery voltage below 10 volts.
This pinpoint test is intended to diagnose the following:
- Wiring, terminals or connectors
- High circuit resistance
- SJB
PINPOINT TEST C: DTC B1318
NOTICE: Use the correct probe adapter(s) when making measurements. Failure to use the correct probe adapter(s) may damage the connector.
NOTE: Failure to disconnect the battery when instructed will result in false resistance readings. Refer to Battery, Mounting and Cables Battery Disconnect.
-------------------------------------------------
C1 RECHECK THE SJB DTCs
- Ignition ON.
- Enter the following diagnostic mode on the scan tool: SJB Self-Test.
- Clear the DTCs. Repeat the SJB self-test.
- Is DTC B1318 still present?
Yes
GO to C2.
No
The system is operating normally at this time. The DTC may have been set previously during battery charging or while jump starting the vehicle.
-------------------------------------------------
C2 CHECK FOR CHARGING SYSTEM DTCs IN THE PCM
- Enter the following diagnostic mode on the scan tool: PCM Self-Test.
- Retrieve the continuous memory DTCs from the PCM.
- Is DTC P0620, P0625, P0626 or P065B set in the PCM?
Yes
REFER to Charging System Testing and Inspection.
No
GO to C3.
-------------------------------------------------
C3 CHECK THE BATTERY CONDITION AND STATE OF CHARGE
- Ignition OFF.
- Check the battery condition and verify the battery is fully charged. Refer to Battery, Mounting and Cables Testing and Inspection.
- Is the battery OK and fully charged?
Yes
GO to C4.
No
REFER to Charging System Testing and Inspection.
-------------------------------------------------
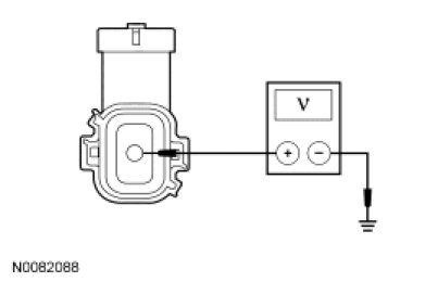
C4 CHECK THE SJB VOLTAGE SUPPLY
- Measure and record the voltage at the battery.
- Disconnect: SJB C2280G.
- Ignition ON.
- Measure the voltage between the SJB C2280G-1, circuit SDC02 (RD), harness side and ground.
- Is the voltage within 0.2 volt of the recorded battery voltage?
Yes
GO to C5.
No
REPAIR the circuit for high resistance. CLEAR the DTC. REPEAT the self-test.
-------------------------------------------------
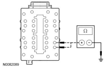
C5 CHECK THE SJB GROUND CIRCUIT
- Ignition OFF.
- Disconnect: Negative Battery Cable.
- Disconnect: SJB C2280D.
- Measure the resistance between the SJB C2280D-8, circuit GD126 (BK/WH), harness side and ground; and between the SJB C2280D-12, circuit GD126 (BK/WH), harness side and ground.
- Are the resistances less than 5 ohms?
Yes
CONNECT the negative battery cable. GO to C6.
No
REPAIR the circuit for high resistance. CONNECT the negative battery cable. TEST the system for normal operation.
-------------------------------------------------
C6 CHECK FOR CORRECT SJB OPERATION
- Disconnect the SJB connectors.
- Check for:
- corrosion
- damaged pins
- pushed-out pins
- Connect the SJB connectors and make sure they seat correctly.
- Operate the system and verify the concern is still present.
- Is the concern still present?
Yes
INSTALL a new SJB. REFER to Smart Junction Box (SJB) Service and Repair. TEST the system for normal operation.
No
The system is operating correctly at this time. The concern may have been caused by a loose or corroded connector.
-------------------------------------------------