Operation CHARM: Car repair manuals for everyone.
Manuals through 2025 now available!

Our trusted friends have launched a new website named LEMON, which has newer manuals. It also contains all the CHARM manuals.

LEMON is the spiritual successor to CHARM, I recommend you try it!

Link: lemon-manuals.la or lemon-manuals.org.ua

(Some people have issue connecting. LEMON is investigating. For now, use Firefox or change your DNS server)

Or, hide this message: temporarily or permanently

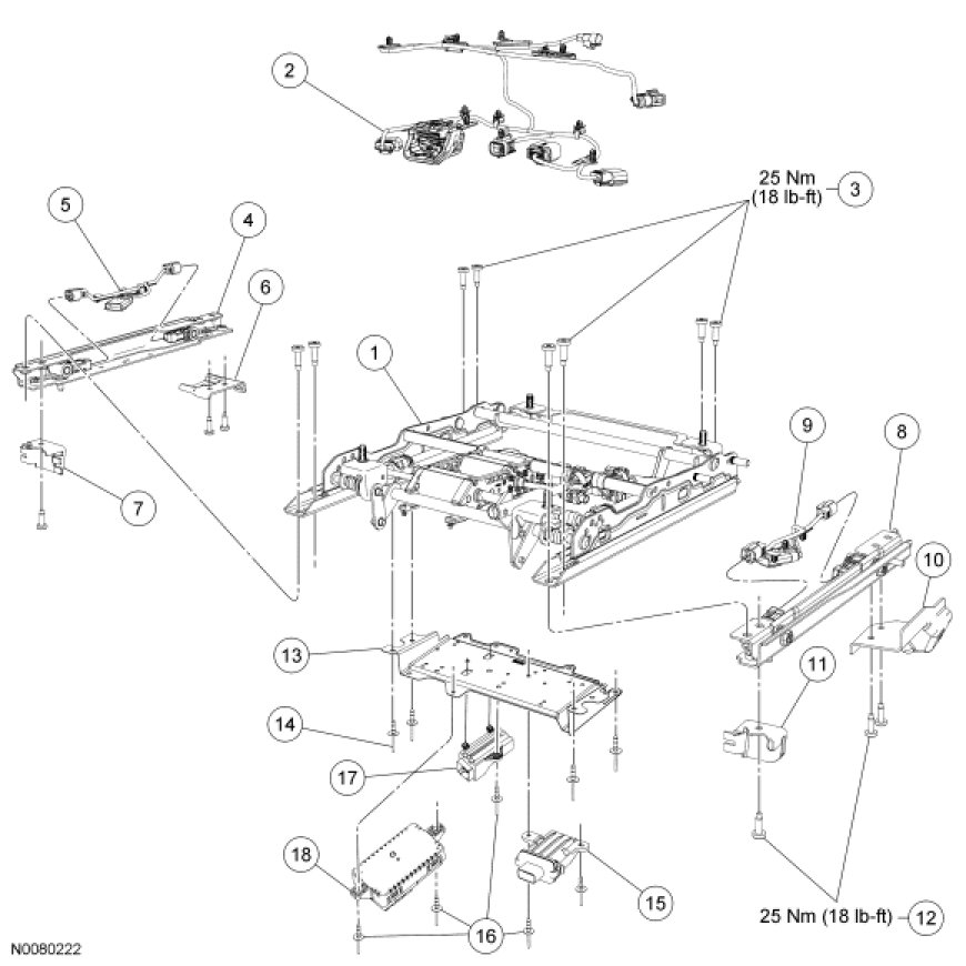
Seat Track




Seat - Exploded View, Front

Front Seat Backrest

NOTE: Driver backrest shown, passenger backrest similar.











Driver Seat Cushion

NOTE: Power seat track shown, manual seat track similar.











Passenger Seat Cushion

NOTE: Power seat track shown, manual seat track similar.











Power Seat Track - Passenger