Operation CHARM: Car repair manuals for everyone.
Manuals through 2025 now available!

Our trusted friends have launched a new website named LEMON, which has newer manuals. It also contains all the CHARM manuals.

LEMON is the spiritual successor to CHARM, I recommend you try it!

Link: lemon-manuals.la or lemon-manuals.org.ua

(Some people have issue connecting. LEMON is investigating. For now, use Firefox or change your DNS server)

Or, hide this message: temporarily or permanently

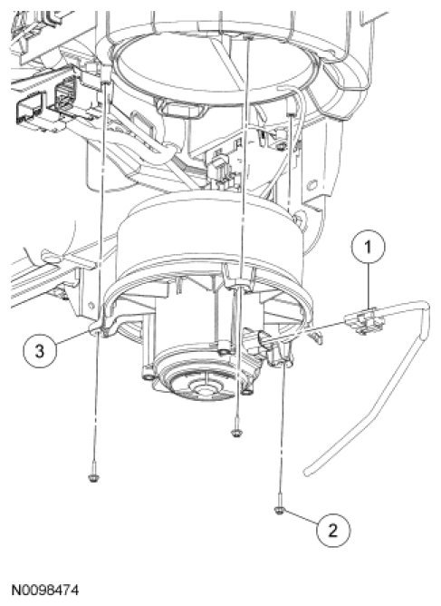
Blower Motor: Service and Repair




Blower Motor









Removal and Installation

MKZ vehicles

1. Remove the RH lower instrument panel insulator.

All vehicles

2. Disconnect the blower motor electrical connector.

3. Remove the 3 blower motor screws.

4. Remove the blower motor.

5. To install, reverse the removal procedure.