Operation CHARM: Car repair manuals for everyone.
Manuals through 2025 now available!

Our trusted friends have launched a new website named LEMON, which has newer manuals. It also contains all the CHARM manuals.

LEMON is the spiritual successor to CHARM, I recommend you try it!

Link: lemon-manuals.la or lemon-manuals.org.ua

(Some people have issue connecting. LEMON is investigating. For now, use Firefox or change your DNS server)

Or, hide this message: temporarily or permanently

Pinpoint Test F: The Occupant Classification System Module (OCSM) Does Not Respond To The Scan Tool




Communications Network

Pinpoint Test F: The Occupant Classification System Module (OCSM) Does Not Respond To The Scan Tool

Refer to Wiring Diagram Set 14 (Fusion/Milan/MKZ, Fusion Hybrid, Milan Hybrid, MKZ Hybrid), Module Communications Network for schematic and connector information. Diagrams By Number

Refer to Wiring Diagram Set 46 (Fusion/Milan/MKZ, Fusion Hybrid, Milan Hybrid, MKZ Hybrid), Supplemental Restraint System for schematic and connector information. Diagrams By Number

Normal Operation

The Occupant Classification System Module (OCSM) communicates with the scan tool through the High Speed Controller Area Network (HS-CAN).

This pinpoint test is intended to diagnose the following:

- Fuse
- Wiring, terminals or connectors
- OCSM


PINPOINT TEST F: THE OCSM DOES NOT RESPOND TO THE SCAN TOOL

WARNING: Never disassemble or tamper with safety belt buckle/retractor pretensioners or adaptive load limiting retractors or probe the electrical connectors. Failure to follow this instruction may result in the accidental deployment of the safety belt pretensioners or adaptive load limiting retractors which increases the risk of serious personal injury or death.

NOTICE: Use the correct probe adapter(s) when making measurements. Failure to use the correct probe adapter(s) may damage the connector.

NOTE: The Supplemental Restraint System (SRS) must be fully operational and free of faults before releasing the vehicle to the customer.

NOTE: Most faults are due to connector and/or wiring concerns. Carry out a thorough inspection and verification before proceeding with the pinpoint test. Inspection and Verification

NOTE: Failure to disconnect the battery when instructed will result in false resistance readings. Refer to Battery, Mounting and Cables Battery Disconnect.

-------------------------------------------------
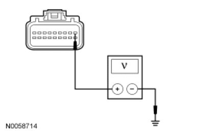
F1 CHECK THE OCSM VOLTAGE SUPPLY CIRCUIT FOR AN OPEN

- Ignition OFF.
- Depower the SRS. Refer to Supplemental Restraint System Supplemental Restraint System (SRS) Depowering and Repowering.
- Disconnect: OCSM C3159 .
- Deactivate the SRS. Refer to Supplemental Restraint System Supplemental Restraint System (SRS) Deactivation and Reactivation.
- Repower the SRS. Refer to Supplemental Restraint System Supplemental Restraint System (SRS) Depowering and Repowering.
- Ignition ON.
- Measure the voltage between the OCSM C3159-1, circuit CBP46 (WH/BU), harness side and ground.




- Is the voltage greater than 10 volts?

Yes
GO to F2.

No
VERIFY the Smart Junction Box (SJB) fuse 46 (7.5A) is OK. If OK, REPAIR the circuit. REACTIVATE the SRS. REFER to Supplemental Restraint System Supplemental Restraint System (SRS) Deactivation and Reactivation. CLEAR the DTCs. REPEAT the network test with the scan tool.

-------------------------------------------------
F2 CHECK THE OCSM GROUND CIRCUIT FOR AN OPEN

- Ignition OFF.
- Disconnect: Negative Battery Cable .
- Measure the resistance between the OCSM C3159-14, circuit GD127 (BK/BU), harness side and ground.




- Is the resistance less than 5 ohms?

Yes
GO to F3.

No
REPAIR the circuit. REACTIVATE the SRS. CONNECT the negative battery cable. REFER to Supplemental Restraint System Supplemental Restraint System (SRS) Deactivation and Reactivation. CLEAR the DTCs. REPEAT the network test with the scan tool.

-------------------------------------------------
F3 CHECK THE HS-CAN CIRCUITS BETWEEN THE OCSM AND THE DLC FOR AN OPEN

- Measure the resistance between the OCSM C3159-18, circuit VDB04 (WH/BU), harness side and the Data Link Connector (DLC) C251-6, circuit VDB04 (WH/BU), harness side.




- Measure the resistance between the OCSM C3159-9, circuit VDB05 (WH), harness side and the DLC C251-14, circuit VDB05 (WH), harness side.




- Are the resistances less than 5 ohms?

Yes
CONNECT the negative battery cable. GO to F4.

No
REPAIR the circuit. REACTIVATE the SRS. CONNECT the negative battery cable. REFER to Supplemental Restraint System Supplemental Restraint System (SRS) Deactivation and Reactivation. CLEAR the DTCs. REPEAT the network test with the scan tool.

-------------------------------------------------
F4 CHECK FOR CORRECT OCSM OPERATION

- Disconnect the OCSM connector.
- Check for:
- corrosion
- damaged pins
- pushed-out pins
- Connect the OCSM connector and make sure it seats correctly.
- Verify the concern is still present.
- Is the concern still present?

Yes
INSTALL a new OCSM. REFER to Supplemental Restraint System Service and Repair. REACTIVATE the SRS. CLEAR the DTCs. REPEAT the network test with the scan tool.

No
The system is operating correctly at this time. The concern may have been caused by a loose or corroded connector. REACTIVATE the SRS. REFER to Supplemental Restraint System Supplemental Restraint System (SRS) Depowering and Repowering. CLEAR the DTCs. REPEAT the network test with the scan tool.

-------------------------------------------------