Operation CHARM: Car repair manuals for everyone.
Manuals through 2025 now available!

Our trusted friends have launched a new website named LEMON, which has newer manuals. It also contains all the CHARM manuals.

LEMON is the spiritual successor to CHARM, I recommend you try it!

Link: lemon-manuals.la or lemon-manuals.org.ua

(Some people have issue connecting. LEMON is investigating. For now, use Firefox or change your DNS server)

Or, hide this message: temporarily or permanently

Pinpoint Test G: The Transmission Control Module (TCM) Does Not Respond To The Scan Tool




Communications Network

Pinpoint Test G: The Transmission Control Module (TCM) Does Not Respond To The Scan Tool

Refer to Wiring Diagram Set 14 (Fusion/Milan/MKZ, Fusion Hybrid, Milan Hybrid, MKZ Hybrid), Module Communications Network for schematic and connector information. Diagrams By Number

Refer to Wiring Diagram Set 29 (Fusion/Milan/MKZ, Fusion Hybrid, Milan Hybrid, MKZ Hybrid), Transmission Controls for schematic and connector information. Diagrams By Number

Normal Operation

The Transmission Control Module (TCM) is present on hybrid vehicles only. The TCM communicates with the scan tool through the High Speed Controller Area Network (HS-CAN).

NOTE: Only vehicles with a 3.5L gasoline engine or 2.5L hybrid engine are equipped with a TCM. The PCM controls the transmission on 2.5L gasoline and 3.0L gasoline engine vehicles.

This pinpoint test is intended to diagnose the following:

- Fuse
- Wiring, terminals or connectors
- TCM


PINPOINT TEST G: THE TCM DOES NOT RESPOND TO THE SCAN TOOL

NOTICE: Use the correct probe adapter(s) when making measurements. Failure to use the correct probe adapter(s) may damage the connector.

NOTE: Failure to disconnect the battery when instructed will result in false resistance readings. Refer to Battery, Mounting and Cables Battery Disconnect.

-------------------------------------------------
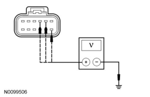
G1 CHECK THE TCM VOLTAGE SUPPLY CIRCUITS FOR AN OPEN

- Ignition OFF.
- Disconnect: TCM C1458a (2.5L Hybrid) .
- Disconnect: TCM C1533 (3.5L) .
- Ignition ON.
- For 3.5L, measure the voltage between the TCM C1533-1, circuit SBB16 (VT/RD), harness side and ground; and between the TCM C1533-11, circuit CBP44 (VT), harness side and ground.




- For 2.5L hybrid, measure the voltage between the TCM, harness side and ground as follows:









- Are the voltages greater than 10 volts?

Yes
GO to G2.

No
For 3.5L gasoline, VERIFY the Battery Junction Box (BJB) fuse 16 (15A) or Smart Junction Box (SJB) fuse 44 (10A) is OK. For 2.5L hybrid, VERIFY the BJB fuse 23 (10A) or fuse 39 (10A) is OK. If OK, REPAIR the circuit in question. If not OK, Refer to the Wiring Diagrams to identify the possible causes of the circuit short. CLEAR the DTCs. REPEAT the network test with the scan tool. Diagrams By Number

-------------------------------------------------
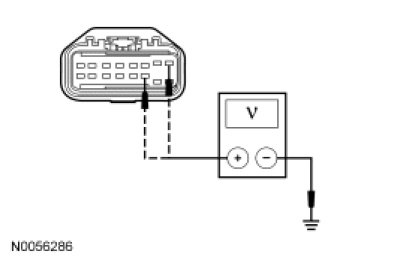
G2 CHECK THE TCM GROUND CIRCUITS FOR AN OPEN

- Ignition OFF.
- Disconnect: Negative Battery Cable .
- For 3.5L gasoline, measure the resistance between the TCM C1533-9, circuit GD120 (BK/GN), harness side and ground.




- For 2.5L hybrid measure the resistance between the TCM C1458a-2, circuit GD121 (BK/YE), harness side and ground; and between the TCM C1458a-8, circuit GD121 (BK/YE), harness side and ground.




- Are the resistances less than 5 ohms?

Yes
For 3.5L engine, GO to G3.

For 2.5L hybrid engine, GO to G4.

No
REPAIR the circuit in question. CONNECT the negative battery cable. CLEAR the DTCs. REPEAT the network test with the scan tool.

-------------------------------------------------
G3 CHECK THE HS-CAN CIRCUITS BETWEEN THE TCM AND THE DLC FOR AN OPEN - 3.5L ENGINE

- Measure the resistance between the TCM C1533-14, circuit VDB04 (WH/BU), harness side and the DLC C251-6, circuit VDB04 (WH/BU), harness side.




- Measure the resistance between the TCM C1533-6, circuit VDB05 (WH), harness side and the DLC C251-14, circuit VDB05 (WH), harness side.




- Are the resistances less than 5 ohms?

Yes
CONNECT the negative battery cable. GO to G5.

No
REPAIR the circuit in question. CONNECT the negative battery cable. CLEAR the DTCs. REPEAT the network test with the scan tool.

-------------------------------------------------
G4 CHECK THE HS-CAN CIRCUITS BETWEEN THE TCM AND THE DLC FOR AN OPEN - 2.5L HYBRID ENGINE

- Measure the resistance between the TCM C1458a-1, circuit VDB04 (WH/BU), harness side and the DLC C251-6, circuit VDB04 (WH/BU), harness side.




- Measure the resistance between the TCM C1458a-7, circuit VDB05 (WH), harness side and the DLC C251-14, circuit VDB05 (WH), harness side.




- Are the resistances less than 5 ohms?

Yes
CONNECT the negative battery cable. GO to G5.

No
REPAIR the circuit in question. CONNECT the negative battery cable. CLEAR the DTCs. REPEAT the network test with the scan tool.

-------------------------------------------------
G5 CHECK FOR CORRECT TCM OPERATION

- Disconnect all the TCM connectors.
- Check for:
- corrosion
- damaged pins
- pushed-out pins
- Connect all the TCM connectors and make sure they seat correctly.
- Operate the system and verify the concern is still present.
- Is the concern still present?

Yes
INSTALL a new TCM. CLEAR the DTCs. REPEAT the network test with the scan tool.

No
The system is operating correctly at this time. The concern may have been caused by a loose or corroded connector. CLEAR the DTCs. REPEAT the network test with the scan tool.

-------------------------------------------------