Pinpoint Test I: The Headlamp Control Module (HCM) Does Not Respond To The Scan Tool
Communications Network
Pinpoint Test I: The Headlamp Control Module (HCM) Does Not Respond To The Scan Tool
Refer to Wiring Diagram Set 14 (Fusion/Milan/MKZ, Fusion Hybrid, Milan Hybrid, MKZ Hybrid), Module Communications Network for schematic and connector information. Diagrams By Number
Refer to Wiring Diagram Set 85 (Fusion/Milan/MKZ, Fusion Hybrid, Milan Hybrid, MKZ Hybrid), Headlamps/Autolamps for schematic and connector information. Diagrams By Number
Normal Operation
The Headlamp Control Module (HCM) communicates with the scan tool through the High Speed Controller Area Network (HS-CAN).
This pinpoint test is intended to diagnose the following:
- Fuse
- Wiring, terminals or connectors
- HCM
PINPOINT TEST I: THE HCM DOES NOT RESPOND TO THE SCAN TOOL
NOTICE: Use the correct probe adapter(s) when making measurements. Failure to use the correct probe adapter(s) may damage the connector.
NOTE: Failure to disconnect the battery when instructed will result in false resistance readings. Refer to Battery, Mounting and Cables Battery Disconnect.
-------------------------------------------------
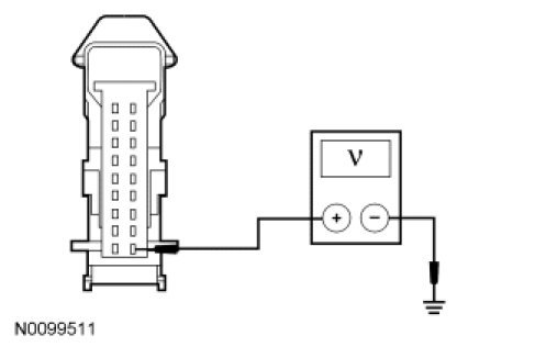
I1 CHECK THE HCM VOLTAGE SUPPLY CIRCUIT FOR AN OPEN
- Ignition OFF.
- Disconnect: HCM C1600 .
- Ignition ON.
- Measure the voltage between the HCM C1600-10, circuit CBP42 (GN), harness side and ground.
- Is the voltage greater than 10 volts?
Yes
GO to I2.
No
VERIFY the Smart Junction Box (SJB) fuse 42 (10A) is OK. If OK, REPAIR the circuit. If not OK, Refer to the Wiring Diagrams to identify the possible causes of the short circuit. CLEAR the DTCs. REPEAT the network test with the scan tool. Diagrams By Number
-------------------------------------------------
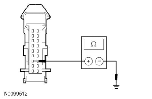
I2 CHECK THE HCM GROUND CIRCUIT FOR AN OPEN
- Ignition OFF.
- Disconnect: Negative Battery Cable .
- Measure the resistance between the HCM C1600-3, circuit GD121 (BK/YE), harness side and ground.
- Is the resistance less than 5 ohms?
Yes
GO to I3.
No
REPAIR the circuit. CONNECT the negative battery cable. CLEAR the DTCs. REPEAT the network test with the scan tool.
-------------------------------------------------
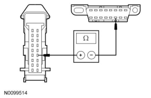
I3 CHECK THE HS-CAN CIRCUITS BETWEEN THE HCM AND THE DLC FOR AN OPEN
- Measure the resistance between the HCM C1600-14, circuit VDB04 (WH/BU), harness side and the DLC C251-6, circuit VDB04 (WH/BU), harness side.
- Measure the resistance between the HCM C1600-13, circuit VDB05 (WH), harness side and the DLC C251-14, circuit VDB05 (WH), harness side.
- Are the resistances less than 5 ohms?
Yes
CONNECT the negative battery cable. GO to I4.
No
REPAIR the circuit. CONNECT the negative battery cable. CLEAR the DTCs. REPEAT the network test with the scan tool.
-------------------------------------------------
I4 CHECK FOR CORRECT HCM OPERATION
- Disconnect the HCM connector.
- Check for:
- corrosion
- damaged pins
- pushed-out pins
- Connect the HCM connector and make sure it seats correctly.
- Verify the concern is still present.
- Is the concern still present?
Yes
INSTALL a new HCM. REFER to Exterior Lighting Service and Repair. CLEAR the DTCs. REPEAT the network test with the scan tool.
No
The system is operating correctly at this time. The concern may have been caused by a loose or corroded connector. CLEAR the DTCs. REPEAT the network test with the scan tool.
-------------------------------------------------