Operation CHARM: Car repair manuals for everyone.
Manuals through 2025 now available!

Our trusted friends have launched a new website named LEMON, which has newer manuals. It also contains all the CHARM manuals.

LEMON is the spiritual successor to CHARM, I recommend you try it!

Link: lemon-manuals.la or lemon-manuals.org.ua

(Some people have issue connecting. LEMON is investigating. For now, use Firefox or change your DNS server)

Or, hide this message: temporarily or permanently

Pinpoint Test K: The Air Conditioning Compressor Module (ACCM) Does Not Respond To The Scan Tool




Communications Network

Pinpoint Test K: The Air Conditioning Compressor Module (ACCM) Does Not Respond To The Scan Tool

Refer to Wiring Diagram Set 14 (Fusion/Milan/MKZ, Fusion Hybrid, Milan Hybrid, MKZ Hybrid), Module Communications Network for schematic and connector information. Diagrams By Number

Refer to Wiring Diagram Set 55 (Fusion/Milan/MKZ, Fusion Hybrid, Milan Hybrid, MKZ Hybrid), Automatic Climate Control System for schematic and connector information. Diagrams By Number

Normal Operation

The Air Conditioning Compressor Module (ACCM) communicates with the scan tool through the Medium Speed Controller Area Network (MS-CAN).

This pinpoint test is intended to diagnose the following:

- Fuse
- Wiring, terminals or connectors
- ACCM


PINPOINT TEST K: THE ACCM DOES NOT RESPOND TO THE SCAN TOOL

NOTICE: Use the correct probe adapter(s) when making measurements. Failure to use the correct probe adapter(s) may damage the connector.

NOTE: Failure to disconnect the battery when instructed will result in false resistance readings. Refer to Battery, Mounting and Cables Battery Disconnect.

-------------------------------------------------
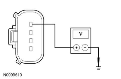
K1 CHECK THE ACCM VOLTAGE SUPPLY CIRCUIT FOR AN OPEN

- Ignition OFF.
- Disconnect: ACCM C1469a .
- Ignition ON.
- Measure the voltage between the ACCM C1469a-1, circuit CBK03 (GY), harness side and ground.




- Is the voltage greater than 10 volts?

Yes
GO to K2.

No
VERIFY the Battery Junction Box (BJB) fuse 47 (10A) is OK. If OK, REPAIR the circuit in question. If not OK, Refer to the Wiring Diagrams to identify the possible causes of the circuit short. CLEAR the DTCs. REPEAT the network test with the scan tool. Diagrams By Number

-------------------------------------------------
K2 CHECK THE ACCM GROUND CIRCUIT FOR AN OPEN

- Ignition OFF.
- Disconnect: Negative Battery Cable .
- Measure the resistance between the ACCM C1469a-4, circuit GD123 (BK/GY), harness side and ground.




- Is the resistance less than 5 ohms?

Yes
GO to K3.

No
REPAIR the circuit. CONNECT the negative battery cable. CLEAR the DTCs. REPEAT the network test with the scan tool.

-------------------------------------------------
K3 CHECK THE HS-CAN CIRCUITS BETWEEN THE ACCM AND THE DLC FOR AN OPEN

- Measure the resistance between the ACCM C1469a-2, circuit VDB04 (WH/BU), harness side and the Data Link Connector (DLC) C251-6, circuit VDB04 (WH/BU), harness side.




- Measure the resistance between the ACCM C1469a-3, circuit VDB05 (WH), harness side and the DLC C251-14, circuit VDB05 (WH), harness side.




- Are the resistances less than 5 ohms?

Yes
CONNECT the negative battery cable. GO to K4.

No
REPAIR the circuit in question. CONNECT the negative battery cable. CLEAR the DTCs. REPEAT the network test with the scan tool.

-------------------------------------------------
K4 CHECK FOR CORRECT ACCM OPERATION

- Disconnect the ACCM connector.
- Check for:
- corrosion
- damaged pins
- pushed-out pins
- Connect the ACCM connector and make sure it seats correctly.
- Operate the system and verify the concern is still present.
- Is the concern still present?

Yes
INSTALL a new ACCM. REFER to Climate Control Service and Repair. CLEAR the DTCs. REPEAT the network test with the scan tool.

No
The system is operating correctly at this time. The concern may have been caused by a loose or corroded connector. CLEAR the DTCs. REPEAT the network test with the scan tool.

-------------------------------------------------