Operation CHARM: Car repair manuals for everyone.
Manuals through 2025 now available!

Our trusted friends have launched a new website named LEMON, which has newer manuals. It also contains all the CHARM manuals.

LEMON is the spiritual successor to CHARM, I recommend you try it!

Link: lemon-manuals.la or lemon-manuals.org.ua

(Some people have issue connecting. LEMON is investigating. For now, use Firefox or change your DNS server)

Or, hide this message: temporarily or permanently

Pinpoint Test Z: The Driver Seat Module (DSM) Does Not Respond To The Scan Tool




Communications Network

Pinpoint Test Z: The Driver Seat Module (DSM) Does Not Respond To The Scan Tool

Refer to Wiring Diagram Set 14 (Fusion/Milan/MKZ, Fusion Hybrid, Milan Hybrid, MKZ Hybrid), Module Communications Network for schematic and connector information. Diagrams By Number

Refer to Wiring Diagram Set 123 (Fusion/Milan/MKZ, Fusion Hybrid, Milan Hybrid, MKZ Hybrid), Memory Seats for schematic and connector information. Diagrams By Number

Normal Operation

The Driver Seat Module (DSM) communicates with the scan tool through the Medium Speed Controller Area Network (MS-CAN).

This pinpoint test is intended to diagnose the following:

- Fuse
- Wiring, terminals or connectors
- DSM


PINPOINT TEST Z: THE DSM DOES NOT RESPOND TO THE SCAN TOOL

NOTICE: Use the correct probe adapter(s) when making measurements. Failure to use the correct probe adapter(s) may damage the connector.

NOTE: Failure to disconnect the battery when instructed will result in false resistance readings. Refer to Battery, Mounting and Cables Battery Disconnect.

-------------------------------------------------
Z1 CHECK THE DSM VOLTAGE SUPPLY CIRCUITS FOR AN OPEN

- Ignition OFF.
- Disconnect: DSM C3299a .
- Disconnect: DSM C3299b .
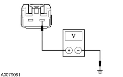
- Measure the voltage between the DSM C3299a-1, circuit SBB32 (VT/RD), harness side and ground.




- Measure the voltage between the DSM C3299b-1, circuit SBP12 (GN/RD), harness side and ground.




- Are the voltages greater than 10 volts?

Yes
GO to Z2.

No
VERIFY the Battery Junction Box (BJB) fuse 32 (30A) or the Smart Junction Box (SJB) fuse 12 (7.5) are OK. If OK, REPAIR the circuit in question. If not OK, Refer to the Wiring Diagrams to identify the possible causes of the short circuit. CLEAR the DTCs. REPEAT the network test with the scan tool. Diagrams By Number

-------------------------------------------------
Z2 CHECK THE DSM GROUND CIRCUITS FOR AN OPEN

- Disconnect: Negative Battery Cable .
- Measure the resistance between the DSM C3299a-2, circuit GD126 (BK/WH), harness side and ground.




- Measure the resistance between the DSM C3299b-24, circuit GD126 (BK/WH), harness side and ground.




- Are the resistances less than 5 ohms?

Yes
GO to Z3.

No
REPAIR the circuit in question. CONNECT the negative battery cable. CLEAR the DTCs. REPEAT the network test with the scan tool.

-------------------------------------------------
Z3 CHECK THE MS-CAN CIRCUITS BETWEEN THE DSM AND THE DLC FOR AN OPEN

- Disconnect: DSM C3299d .
- Measure the resistance between the DSM C3299d-10, circuit VDB06 (GY/OG), harness side and the DLC C251-3, circuit VDB06 (GY/OG), harness side.




- Measure the resistance between the DSM C3299d-9, circuit VDB07 (VT/OG), harness side and the DLC C251-11, circuit VDB07 (VT/OG), harness side.




- Are the resistances less than 5 ohms?

Yes
CONNECT the negative battery cable. GO to Z4.

No
REPAIR the circuit in question. CONNECT the negative battery cable. CLEAR the DTCs. REPEAT the network test with the scan tool.

-------------------------------------------------
Z4 CHECK FOR CORRECT DSM OPERATION

- Disconnect all the DSM connectors.
- Check for:
- corrosion
- damaged pins
- pushed-out pins
- Connect all the DSM connectors and make sure they seat correctly.
- Operate the system and verify the concern is still present.
- Is the concern still present?

Yes
INSTALL a new DSM. REFER to Seating Service and Repair. REPEAT the network test with the scan tool.

No
The system is operating correctly at this time. The concern may have been caused by a loose or corroded connector. CLEAR the DTCs. REPEAT the network test with the scan tool.

-------------------------------------------------