Operation CHARM: Car repair manuals for everyone.
Manuals through 2025 now available!

Our trusted friends have launched a new website named LEMON, which has newer manuals. It also contains all the CHARM manuals.

LEMON is the spiritual successor to CHARM, I recommend you try it!

Link: lemon-manuals.la or lemon-manuals.org.ua

(Some people have issue connecting. LEMON is investigating. For now, use Firefox or change your DNS server)

Or, hide this message: temporarily or permanently

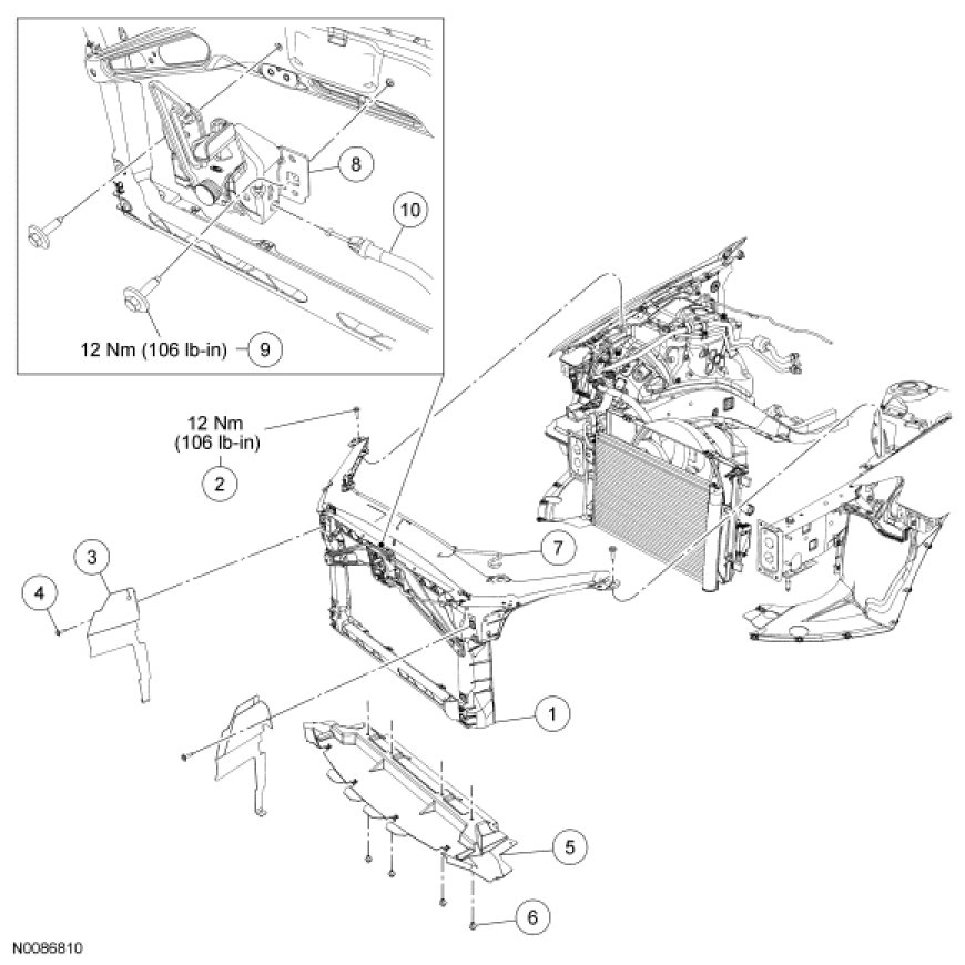
Radiator Grille Support




Radiator Grille Support









1. With the vehicle in NEUTRAL, position it on a hoist. For additional information, refer to Jacking and Lifting Service and Repair.

2. NOTE: Applies to 3.5L engines only.

Remove the Air Cleaner (ACL) outlet pipe and ACL assembly. For additional information, refer to Intake Air Distribution and Filtering - 3.5L Air Cleaner Outlet Pipe.

3. Disconnect the hood security switch electrical connector.

4. Remove the windshield washer reservoir retaining bolt.
- To install, tighten to 7 Nm (62 lb-in).

5. Remove the A/C line retaining bolt.
- To install, tighten to 6 Nm (53 lb-in).

6. Remove the front headlamps. For additional information, refer to Exterior Lighting Service and Repair.

7. NOTE: This step is necessary to relieve stress from the radiator grille support prior to removal.

Using a suitable hood prop tool, prop and support the hood. Latch the vehicle hood prop rod into position on the radiator grille support.

8. Remove the front bumper. For additional information, refer to Bumpers Bumper - Front.

9. Remove the front impact severity sensor and release the harness clip. For additional information, refer to Supplemental Restraint System Service and Repair.

10. Disconnect the ambient air temperature sensor electrical connector and harness clip. Position the harness aside.

11. Disconnect the hood latch release cable from the latch assembly.

12. Remove the hood latch bolts.
- To install, tighten to 12 Nm (106 lb-in).

13. Remove the cooling module retaining clip screws and release the clips.

14. Remove the radiator grille support bolts (3 each side) and remove the support.
- To install, tighten to 12 Nm (106 lb-in).

15. To install, reverse the removal procedure.
- Transfer all necessary components.