Operation CHARM: Car repair manuals for everyone.
Manuals through 2025 now available!

Our trusted friends have launched a new website named LEMON, which has newer manuals. It also contains all the CHARM manuals.

LEMON is the spiritual successor to CHARM, I recommend you try it!

Link: lemon-manuals.la or lemon-manuals.org.ua

(Some people have issue connecting. LEMON is investigating. For now, use Firefox or change your DNS server)

Or, hide this message: temporarily or permanently

Pinpoint Test AM: DTC B272A




Seats

Pinpoint Test AM: DTC B272A

Refer to Wiring Diagram Set 119 (Fusion/Milan/MKZ, Fusion Hybrid, Milan Hybrid, MKZ Hybrid), Climate Controlled Seats for schematic and connector information. Diagrams By Number

Normal Operation

The Dual Climate Controlled Seat Module (DCSM) monitors seat cushion temperature while it supplies voltage and ground to both blower motors. The DCSM also supplies a variable voltage signal to control the blower speed. Cabin air enters the blower through a filter attached to the Thermo-Electric Device (TED) housing. Conditioned air exits the TED and flows through a manifold attached to the foam pad.

- DTC B272A (Passenger Cushion Over-Temp Detected) - In the cooling mode, if the passenger seat cushion TED temperature exceeds 70°C (158°F) for more than 34 seconds, the TED is disconnected or the duct is blocked, the DCSM will shut down the passenger seat system and set this DTC.
- DTC B272A (Passenger Cushion Over-Temp Detected) - In the heating mode, if the passenger seat cushion TED temperature exceeds 85°C (185°F) for more than 34 seconds, the TED is disconnected or the duct is blocked, the DCSM will shut down the passenger seat system and set this DTC.

This pinpoint test is intended to diagnose the following:
- Wiring, terminals or connectors
- Restricted cushion TED filter
- Crushed or restricted climate controlled seat manifold
- Cushion TED assembly


PINPOINT TEST AM: DTC B272A

NOTE: If a seat equipped with a seat mounted side air bag is being serviced, the Supplemental Restraint System (SRS) must be depowered. Refer to Supplemental Restraint System Supplemental Restraint System (SRS) Depowering and Repowering.

NOTE: The air bag warning lamp illuminates when the Restraints Control Module (RCM) fuse is removed and the ignition switch is ON. This is normal operation and does not indicate an SRS fault.

NOTE: The SRS must be fully operational and free of faults before releasing the vehicle to the customer.

-------------------------------------------------
AM1 CHECK THE CUSHION BLOWER FOR AN OBSTRUCTION OR RESTRICTED FILTER

- Check the seat for any obstruction at the TED assembly and for a restricted filter.
- Is the filter clean and blower clear of any obstruction?

Yes
GO to AM2.

No
REMOVE the obstruction or INSTALL a new filter. CLEAR the DTCs. REPEAT the self-test. TEST the system for normal operation.

-------------------------------------------------
AM2 CHECK OPERATION OF THE SEAT AND MONITOR SEAT TEMPERATURE USING THE SCAN TOOL

- Enter the following diagnostic mode on the scan tool: DataLogger - DCSM - PIDs.

- Passenger Cushion Thermal Electric Device (TED) Temperature (PCSHTMP)
- Passenger Back TED Temperature (PBKTMP)
- Start the engine.
- Operate the seat in high heat or high cool and monitor the seat operation. If a circuit fault is present, the DCSM will disable the seat.
- Monitor the cushion and backrest temperature PIDs while the seat is operating. The temperatures should be similar during operation.
- Does the seat operate and temperature PIDs indicate correct operation?

Yes
The system is operating correctly at this time. The fault may have occurred from incorrectly switching between heat and cool modes. CLEAR the DTCs. REPEAT the self-test.

No
If the seat is operational, but the cushion temperature increases greater than the backrest, GO to AM3.

If the seat does not operate, GO to AM4.

-------------------------------------------------
AM3 CHECK THE TED FOR CORRECT INSTALLATION AND FOR A CRUSHED CLIMATE CONTROLLED SEAT MANIFOLD

- Remove the seat cushion trim cover. Refer to Seat Cushion Cover - Front Seat Cushion Cover - Front.
- Check the TED and climate controlled seat manifold for damage, restriction and correct installation.
- Is the TED correctly installed and the climate controlled seat manifold OK?

Yes
INSTALL a new cushion TED. REFER to Seat Cushion Thermo-Electric Device Seat Cushion Thermo-Electric Device. REPEAT the self-test. CLEAR the DTCs. TEST the system for normal operation.

No
CORRECTLY install the cushion TED or INSTALL a new climate controlled seat manifold. REPEAT the self-test. CLEAR the DTCs. TEST the system for normal operation.

-------------------------------------------------
AM4 CHECK THE TED THERMISTOR CIRCUIT FOR A SHORT TO GROUND

- Ignition OFF.
- Depower the SRS. Refer to Supplemental Restraint System (SRS) Depowering and Repowering in the General Procedures portion of Supplemental Restraint System Supplemental Restraint System (SRS) Depowering and Repowering.
- Disconnect: Passenger Seat Side Air Bag Module C313.
- Disconnect: DCSM C3305B.
- Disconnect: Cushion TED C3303.
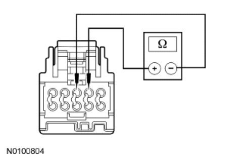
- Measure the resistance between DCSM C3305B-2, circuit VHS27 (WH/OG), harness side and ground.




- Is the resistance greater than 10,000 ohms?

Yes
GO to AM5.

No
REPAIR the circuit. REPEAT the self-test. CLEAR the DTCs.

DISCONNECT the battery ground cable. CONNECT passenger seat side air bag module C313.

REPOWER the SRS. REFER to Supplemental Restraint System Supplemental Restraint System (SRS) Depowering and Repowering.

-------------------------------------------------
AM5 CHECK THE CUSHION TED THERMISTOR CIRCUITS FOR A SHORT TOGETHER

- Measure the resistance between DCSM C3305B-2, circuit VHS27 (WH/OG), harness side and DCSM C3265B-3, circuit RHS10 (BU/OG), harness side.




- Is the resistance greater than 10,000 ohms?

Yes
GO to AM6.

No
REPAIR the circuit(s). REPEAT the self-test. CLEAR the DTCs.

DISCONNECT the battery ground cable. CONNECT passenger seat side air bag module C313.

REPOWER the SRS. REFER to Supplemental Restraint System Supplemental Restraint System (SRS) Depowering and Repowering.

-------------------------------------------------
AM6 CHECK THE BLOWER CIRCUITS FOR AN OPEN

- Disconnect: DCSM C3305C.
- Measure the resistance between:
- DCSM C3305C-8, circuit CHS08 (BN/YE), harness side and cushion TED C3303-2, circuit CHS08 (BN/YE), harness side.
- DCSM C3305C-7, circuit RHS08 (VT/WH), harness side and cushion TED C3303-4, circuit RHS08 (VT/WT), harness side.
- DCSM C3305C-3, circuit VHS23 (BN/BU), harness side and cushion TED C3303-7, circuit VHS23 (BN/BU), harness side.




- Are the resistances less than 5 ohms?

Yes
INSTALL a new cushion TED. REFER to Seat Cushion Thermo-Electric Device Seat Cushion Thermo-Electric Device. REPEAT the self-test. CLEAR the DTCs. TEST the system for normal operation.

DISCONNECT the battery ground cable. CONNECT passenger seat side air bag module C313.

REPOWER the SRS. REFER to Supplemental Restraint System Supplemental Restraint System (SRS) Depowering and Repowering.

No
REPAIR the circuit(s). REPEAT the self-test. CLEAR the DTCs. TEST the system for normal operation.

DISCONNECT the battery ground cable. CONNECT passenger seat side air bag module C313.

REPOWER the SRS. REFER to Supplemental Restraint System Supplemental Restraint System (SRS) Depowering and Repowering.

-------------------------------------------------