Operation CHARM: Car repair manuals for everyone.
Manuals through 2025 now available!

Our trusted friends have launched a new website named LEMON, which has newer manuals. It also contains all the CHARM manuals.

LEMON is the spiritual successor to CHARM, I recommend you try it!

Link: lemon-manuals.la or lemon-manuals.org.ua

(Some people have issue connecting. LEMON is investigating. For now, use Firefox or change your DNS server)

Or, hide this message: temporarily or permanently

Steps 18-34




Seats

Pinpoint Test AP: DTC B272D

Refer to Wiring Diagram Set 119 (Fusion/Milan/MKZ, Fusion Hybrid, Milan Hybrid, MKZ Hybrid), Climate Controlled Seats for schematic and connector information. Diagrams By Number

Normal Operation

The Dual Climate Controlled Seat Module (DCSM) is supplied voltage at all times, but the climate controlled seat system only operates with the engine running. The system can be operated with the ignition ON engine OFF by using a scan tool to bypass the climate controlled seat buttons on the touchscreen interface. When commanding a heat or cool mode operation in this manner, the climate controlled seat system only operates in 15-second intervals. Both voltage supply circuits are spliced together internal to the DCSM, so if one circuit becomes open, both seats can still be operated. However, if a fault occurs setting a DTC specific to either climate controlled seat, only the affected seat is disabled by the DCSM.

The seat cushion is equipped with a Thermo-Electric Device (TED) assembly that includes a seat blower (fan motor, serviced as an assembly with the TED). Similarly, the seat backrest is also equipped with its own TED assembly with blower. Cabin air is drawn through the blower and distributed to each of the TED modules located in the seat cushion and backrest. The TEDs then heat or cool the air. The air is then directed into the foam pad and manifold where it is distributed along the surface of the cushion and backrest of the seat. Once the system is activated, the DCSM uses a set of flexible algorithms to control the heating/cooling modes and the blower speed dependant on the HVAC module seat switch settings.

A differential fault occurs when the cushion and backrest TEDs on an affected seat are reporting very different temperatures to the DCSM. This may result from an airflow restriction or a circuit fault of either TED area. If a TED and manifold is clear of obstruction and is operational, the other TED and circuitry on the seat should be checked. It is important to note that a TED with a higher temperature may be operating correctly and not the area of concern. The other TED may be indicating a much lower temperature, causing the DTC to set.

- DTC B272D (Passenger Differential Temperature Fault) - If there is a temperature differential between the passenger backrest and cushion TED of 60°C (108°F) or more for more than 4 seconds, the TED is disconnected or the duct is blocked, this DTC will set. When this happens the first time in a key cycle, the DCSM puts the passenger seat system into recovery mode (see Principles of Operation). If the system is able to recover, it will function normally. If the system is able to recover and it occurs a second time in the same key cycle, the DCSM will shut down the passenger seat system. Principles of Operation

This pinpoint test is intended to diagnose the following:
- Wiring, terminals or connectors
- Restricted cushion or backrest TED filter
- Crushed or restricted cushion or backrest foam pad
- Crushed or restricted cushion or backrest climate controlled seat manifold
- Cushion or backrest TED assembly
- DCSM


PINPOINT TEST AP: DTC B272D

NOTICE: When taking measurements at Dual Climate Controlled Seat Module (DCSM) harness connectors, do not insert the electrical probes into the female connector pins. Inserting the probes into connector pins can cause intermittent or open electrical connections after reassembly resulting in Diagnostic Trouble Codes (DTCs) and system failure. Touching the tip of these connector pins is recommended instead.

NOTE: If a seat equipped with a seat mounted side air bag is being serviced, the Supplemental Restraint System (SRS) must be depowered. Refer to Supplemental Restraint System Supplemental Restraint System (SRS) Depowering and Repowering.

NOTE: The air bag warning lamp illuminates when the Restraints Control Module (RCM) fuse is removed and the ignition switch is ON. This is normal operation and does not indicate an SRS fault.

NOTE: The SRS must be fully operational and free of faults before releasing the vehicle to the customer.

-------------------------------------------------
-------------------------------------------------
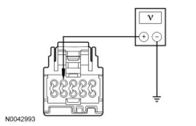
AP18 CHECK THE THERMISTOR AND WIRING RESISTANCE

- Measure the resistance between DCSM C3305B-2, circuit VHS27 (WH/OG), harness side and DCSM C3305B-3, circuit RHS10 (BU/OG), harness side. Note the ambient temperature and compare result to the following table:









- Is the resistance within the limits indicated?

Yes
INSTALL a new DCSM. REFER to Dual Climate Controlled Seat Module (DCSM) Dual Climate Controlled Seat Module (DCSM). REPEAT the self-test. CLEAR the DTCs.

DISCONNECT the battery ground cable. CONNECT passenger seat side air bag module C313. REPOWER the SRS. REFER to Supplemental Restraint System Supplemental Restraint System (SRS) Depowering and Repowering.

No
GO to AP19.

-------------------------------------------------
AP19 CHECK THE THERMISTOR RESISTANCE

- Disconnect: Cushion TED C3303.
- Measure the resistance between cushion TED pin 5 and pin 8, component side. Note the ambient temperature and compare result to the following table:









- Is the resistance within the limits indicated?

Yes
REPAIR the circuit(s). REPEAT the self-test. CLEAR the DTCs.

DISCONNECT the battery ground cable. CONNECT passenger seat side air bag module C313. REPOWER the SRS. REFER to Supplemental Restraint System Supplemental Restraint System (SRS) Depowering and Repowering.

No
INSTALL a new cushion TED. REFER to Seat Cushion Thermo-Electric Device Seat Cushion Thermo-Electric Device. REPEAT the self-test. CLEAR the DTCs.

DISCONNECT the battery ground cable. CONNECT passenger seat side air bag module C313. REPOWER the SRS. REFER to Supplemental Restraint System Supplemental Restraint System (SRS) Depowering and Repowering.

-------------------------------------------------
AP20 CHECK FOR CORRECT TED INSTALLATION AND FOR CRUSHED FOAM

- Ignition OFF.
- Remove the seat. Refer to Seat - Front Seat - Front.
- Remove the seat backrest trim cover. Refer to Seat Backrest - Front Seat Backrest - Front.
- Inspect the seat backrest for the following:
- Is the backrest blower obstructed?
- Is the blower filter restricted or plugged?
- Is the TED correctly installed?
- Is the seat backrest foam pad crushed or restricted?
- Is the climate controlled seat manifold crushed or restricted?
- Is the TED correctly installed and the foam pad and manifold OK?

Yes
GO to AP21.

No
Correctly INSTALL the backrest TED or INSTALL a new seat backrest foam pad and/or climate controlled seat manifold. REPEAT the self-test. CLEAR the DTCs.

DISCONNECT the battery ground cable. REPOWER the SRS. REFER to Supplemental Restraint System Supplemental Restraint System (SRS) Depowering and Repowering.

-------------------------------------------------
AP21 CHECK THE CUSHION TED GROUND CIRCUIT FOR A SHORT TO VOLTAGE

- Ignition OFF.
- Position the front passenger seat in the vehicle and connect the seat-to-floor connectors.
- Depower the SRS. Refer to Supplemental Restraint System (SRS) Depowering and Repowering in the General Procedures portion of Supplemental Restraint System Supplemental Restraint System (SRS) Depowering and Repowering.
- Disconnect: Passenger Seat Side Air Bag C313.
- Disconnect: DCSM C3305A.
- WARNING: Make sure no one is in the vehicle and there is nothing blocking or placed in front of any air bag module when the battery is connected. Failure to follow these instructions may result in serious personal injury in the event of an accidental deployment.
- Connect the battery ground cable. Refer to Battery, Mounting and Cables Battery Disconnect.
- Ignition ON.
- Measure the voltage between DCSM C3305A-B, circuit RHS07 (BU), harness side and ground.




- Is any voltage present?

Yes
REPAIR the circuit. REPEAT the self-test. CLEAR the DTCs.

DISCONNECT the battery ground cable. CONNECT passenger seat side air bag module C313. REPOWER the SRS. REFER to Supplemental Restraint System Supplemental Restraint System (SRS) Depowering and Repowering.

No
GO to AP22.

-------------------------------------------------
AP22 CHECK THE CUSHION TED FEED CIRCUIT FOR A SHORT TO GROUND

- Ignition OFF.
- Measure the resistance between DCSM C3305A-A, circuit CHS07 (GY/BU), harness side and ground.




- Is the resistance greater than 10,000 ohms?

Yes
GO to AP23.

No
REPAIR the circuit. REPEAT the self-test. CLEAR the DTCs.

DISCONNECT the battery ground cable. CONNECT passenger seat side air bag module C313. REPOWER the SRS. REFER to Supplemental Restraint System Supplemental Restraint System (SRS) Depowering and Repowering.

-------------------------------------------------
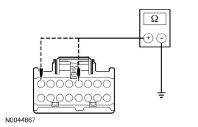
AP23 CHECK THE CUSHION TED AND WIRING RESISTANCE

- Measure the resistance between DCSM C3305A-A circuit CHS07 (GY/BU), harness side and DCSM C3305A-B, circuit RHS07 (BU), harness side.




- Is the resistance between 0.9 and 10 ohms?

Yes
GO to AP25.

No
GO to AP24.

-------------------------------------------------
AP24 CHECK THE CUSHION TED RESISTANCE

- Disconnect: Cushion TED C3303.
- Measure the resistance between cushion TED C3303 pin 1 and pin 3, component side.




- Is the resistance between 0.9 and 10 ohms?

Yes
REPAIR circuit CHS07 (GY/BU) or RHS07 (BU) for an open. REPEAT the self-test. CLEAR the DTCs.

DISCONNECT the battery ground cable. CONNECT passenger seat side air bag module C313. REPOWER the SRS. REFER to Supplemental Restraint System Supplemental Restraint System (SRS) Depowering and Repowering.

No
INSTALL a new cushion TED. REFER to Seat Cushion Thermo-Electric Device Seat Cushion Thermo-Electric Device. REPEAT the self-test. CLEAR the DTCs.

DISCONNECT the battery ground cable. CONNECT passenger seat side air bag module C313. REPOWER the SRS. REFER to Supplemental Restraint System Supplemental Restraint System (SRS) Depowering and Repowering.

-------------------------------------------------
AP25 CHECK THE BLOWER MOTOR FEED AND SPEED CONTROL CIRCUITS FOR A SHORT TO VOLTAGE

- Disconnect: DCSM C3305C.
- Ignition ON.
- Measure the voltage between:
- DCSM C3305C-8, circuit CHS08 (BN/YE), harness side and ground.
- DCSM C3305C-4, circuit VHS21 (BU/WH), harness side and ground.




- Is voltage present on either circuit?

Yes
REPAIR the circuit(s). REPEAT the self-test. CLEAR the DTCs.

DISCONNECT the battery ground cable. CONNECT passenger seat side air bag module C313. REPOWER the SRS. REFER to Supplemental Restraint System Supplemental Restraint System (SRS) Depowering and Repowering.

No
GO to AP26.

-------------------------------------------------
AP26 CHECK THE BLOWER MOTOR FEED AND SPEED CONTROL CIRCUITS FOR A SHORT TO GROUND

- Ignition OFF.
- Measure the resistance between:
- DCSM C3305C-8, circuit CHS08 (BN/YE), harness side and ground.
- DCSM C3305C-4, circuit VHS21 (BU/WH), harness side and ground.




- Are the resistances greater than 10,000 ohms?

Yes
GO to AP27.

No
REPAIR the circuit(s). REPEAT the self-test. CLEAR the DTCs.

DISCONNECT the battery ground cable. CONNECT passenger seat side air bag module C313. REPOWER the SRS. REFER to Supplemental Restraint System Supplemental Restraint System (SRS) Depowering and Repowering.

-------------------------------------------------
AP27 CHECK THE BLOWER MOTOR AND WIRING RESISTANCE

- NOTE: The ohmmeter must be connected with the positive lead to DCSM C3305C-8, circuit CHS08 (BN/YE) and the negative lead to DCSM C3305C-7, circuit RHS08 (VT/WH) when measuring. Ohmmeter leads incorrectly connected will result in false readings and lead to incorrect identification of components that are not faulty.
- Measure the resistance between DCSM C3305C-8, circuit CHS08 (BN/YE), harness side and DCSM C3305C-7, circuit RHS08 (VT/WH), harness side.




- Is the resistance between 4,000 and 10,000 ohms?

Yes
GO to AP29.

No
GO to AP28.

-------------------------------------------------
AP28 CHECK THE BLOWER MOTOR RESISTANCE

- Disconnect: Backrest TED C3311.
- NOTE: The ohmmeter must be connected with the positive lead to pin 2 and the negative lead to pin 4 when measuring. Ohmmeter leads incorrectly connected will result in false readings and lead to incorrect identification of components that are not faulty.
- Measure the resistance between backrest TED C3311 pin 2 and pin 4, component side.




- Is the resistance between 4,000 and 10,000 ohms?

Yes
REPAIR the circuit(s). REPEAT the self-test. CLEAR the DTCs.

DISCONNECT the battery ground cable. CONNECT passenger seat side air bag module C313. REPOWER the SRS. REFER to Supplemental Restraint System Supplemental Restraint System (SRS) Depowering and Repowering.

No
INSTALL a new backrest TED. REFER to Seat Backrest Thermo-Electric Device Seat Backrest Thermo-Electric Device. REPEAT the self-test. CLEAR the DTCs.

DISCONNECT the battery ground cable. CONNECT passenger seat side air bag module C313. REPOWER the SRS. REFER to Supplemental Restraint System Supplemental Restraint System (SRS) Depowering and Repowering.

-------------------------------------------------
AP29 CHECK THE BLOWER MOTOR GROUND CIRCUIT TO BLOWER MOTOR SPEED CONTROL CIRCUIT RESISTANCE

- NOTE: The ohmmeter must be connected with the positive lead to C3305C-4, circuit VHS21 (BU/WH), harness side and the negative lead to C3305C-7, circuit RHS08 (VT/WH), harness side when measuring. Ohmmeter leads incorrectly connected will result in false readings and lead to incorrect identification of components that are not faulty.
- Measure the resistance between DCSM C3305C-4, circuit VHS21 (BU/WH), harness side and DCSM C3305C-7, circuit RHS08 (VT/WH), harness side.




- Is the resistance between 240 kohms and 4 megohms?

Yes
GO to AP31.

No
GO to AP30.

-------------------------------------------------
AP30 CHECK THE BLOWER MOTOR SPEED CONTROL RESISTANCE

- Disconnect: Backrest TED C3311.
- NOTE: The ohmmeter must be connected with the positive lead to pin 7 and the negative lead to pin 4 when measuring. Ohmmeter leads incorrectly connected will result in false readings and lead to incorrect identification of components that are not faulty.
- Measure the resistance between backrest TED C3311 pin 7 and pin 4, component side.




- Is the resistance between 240 kohms and 4 megohms?

Yes
REPAIR the circuit(s). REPEAT the self-test. CLEAR the DTCs.

DISCONNECT the battery ground cable. CONNECT passenger seat side air bag module C313. REPOWER the SRS. REFER to Supplemental Restraint System Supplemental Restraint System (SRS) Depowering and Repowering.

No
INSTALL a new backrest TED. REFER to Seat Backrest Thermo-Electric Device Seat Backrest Thermo-Electric Device. REPEAT the self-test. CLEAR the DTCs.

DISCONNECT the battery ground cable. CONNECT passenger seat side air bag module C313. REPOWER the SRS. REFER to Supplemental Restraint System Supplemental Restraint System (SRS) Depowering and Repowering.

-------------------------------------------------
AP31 CHECK THE THERMISTOR FEED CIRCUIT FOR A SHORT TO VOLTAGE

- Disconnect: DCSM C3305B.
- Ignition ON.
- Measure the voltage between DCSM C3305B-4, circuit VHS36 (YE/BU), harness side and ground.




- Is any voltage present?

Yes
REPAIR the circuit. REPEAT the self-test. CLEAR the DTCs.

DISCONNECT the battery ground cable. CONNECT passenger seat side air bag module C313. REPOWER the SRS. REFER to Supplemental Restraint System Supplemental Restraint System (SRS) Depowering and Repowering.

No
GO to AP32.

-------------------------------------------------
AP32 CHECK THE THERMISTOR FEED CIRCUIT FOR A SHORT TO GROUND

- Ignition OFF.
- Depower the SRS. Refer to Supplemental Restraint System (SRS) Depowering and Repowering in the General Procedures portion of Supplemental Restraint System Supplemental Restraint System (SRS) Depowering and Repowering.
- Disconnect: Passenger Seat Side Air Bag Module C313.
- Measure the resistance between DCSM C3305B-4, circuit VHS36 (YE/BU), harness side and ground.




- Is the resistance greater than 10,000 ohms?

Yes
GO to AP33.

No
REPAIR the circuit. REPEAT the self-test. CLEAR the DTCs.

DISCONNECT the battery ground cable. CONNECT passenger seat side air bag module C313. REPOWER the SRS. REFER to Supplemental Restraint System Supplemental Restraint System (SRS) Depowering and Repowering.

-------------------------------------------------
AP33 CHECK THE THERMISTOR AND WIRING RESISTANCE AT THE DCSM

- Measure the resistance between DCSM C3305B-4, circuit VHS36 (YE/BU), harness side and DCSM C3305B-5, circuit RHS20 (GN/BU), harness side. Note the ambient temperature and compare result to the following table:









- Is the resistance within the limits indicated?

Yes
INSTALL a new DCSM. REFER to Dual Climate Controlled Seat Module (DCSM) Dual Climate Controlled Seat Module (DCSM). REPEAT the self-test. CLEAR the DTCs.

DISCONNECT the battery ground cable. CONNECT passenger seat side air bag module C313. REPOWER the SRS. REFER to Supplemental Restraint System Supplemental Restraint System (SRS) Depowering and Repowering.

No
GO to AP34.

-------------------------------------------------
AP34 CHECK THE TED THERMISTOR RESISTANCE

- Disconnect: Backrest TED C3311.
- Measure the resistance between backrest TED pin 5 and pin 8, component side. Note the ambient temperature and compare result to the following table:









- Is the resistance within the limits indicated?

Yes
REPAIR the circuit(s). REPEAT the self-test. CLEAR the DTCs.

DISCONNECT the battery ground cable. CONNECT passenger seat side air bag module C313. REPOWER the SRS. REFER to Supplemental Restraint System Supplemental Restraint System (SRS) Depowering and Repowering.

No
INSTALL a new backrest TED. REFER to Seat Backrest Thermo-Electric Device Seat Backrest Thermo-Electric Device. REPEAT the self-test. CLEAR the DTCs.

DISCONNECT the battery ground cable. CONNECT passenger seat side air bag module C313. REPOWER the SRS. REFER to Supplemental Restraint System Supplemental Restraint System (SRS) Depowering and Repowering.

-------------------------------------------------