Operation CHARM: Car repair manuals for everyone.
Manuals through 2025 now available!

Our trusted friends have launched a new website named LEMON, which has newer manuals. It also contains all the CHARM manuals.

LEMON is the spiritual successor to CHARM, I recommend you try it!

Link: lemon-manuals.la or lemon-manuals.org.ua

(Some people have issue connecting. LEMON is investigating. For now, use Firefox or change your DNS server)

Or, hide this message: temporarily or permanently

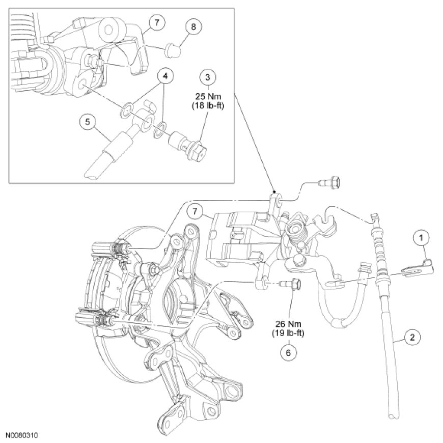
Rear Disc Brake




Brake Caliper





NOTE: Front Wheel Drive (FWD) shown, All-Wheel Drive (AWD) similar.











Removal

WARNING: Do not use any fluid other than clean brake fluid meeting manufacturer's specification. Additionally, do not use brake fluid that has been previously drained. Following these instructions will help prevent system contamination, brake component damage and the risk of serious personal injury.

WARNING: Carefully read cautionary information on product label. For EMERGENCY MEDICAL INFORMATION seek medical advice. In the USA or Canada on Ford/Motorcraft products call: 1-800-959-3673. For additional information, consult the product Material Safety Data Sheet (MSDS) if available. Failure to follow these instructions may result in serious personal injury.

NOTICE: Do not spill brake fluid on painted or plastic surfaces or damage to the surface may occur. If brake fluid is spilled onto a painted or plastic surface, immediately wash the surface with water.

1. Remove the wheel and tire. For additional information, refer to Wheels and Tires Removal and Replacement.

2. Disconnect the parking brake cable from the brake caliper.
- Pull back the parking brake lever.

- Disconnect the cable from the parking brake lever.

- Remove the cable conduit retaining clip.

- Disconnect the cable from the brake caliper.

3. Remove the brake caliper flow bolt and position the brake hose aside.
- Discard the 2 copper washers.

4. Remove the 2 brake caliper guide pin bolts and the brake caliper.
- If a leaking or damaged caliper piston boot is found, install a new disc brake caliper.

Installation

1. Position the notch in the caliper piston so that it will correctly align with the pin on the backside of the inboard brake pad.





2. NOTE: Make sure that the brake caliper hose is not twisted.

Position the brake caliper onto the anchor plate.

3. Install the 2 brake caliper guide pin bolts.
- To install, tighten to 26 Nm (19 lb-ft).

4. Using 2 new copper washers, position the brake hose and install the brake caliper flow bolt.
- Tighten to 25 Nm (18 lb-ft).

5. Install the parking brake cable to the brake caliper.
- Pull back the parking brake lever.

- Connect the cable to the parking brake lever.

- Install the cable conduit retaining clip.

6. Bleed the brake caliper. For additional information, refer to Brake System - General Information Component Bleeding Component Bleeding.

7. Cycle the park brake several times to verify normal operation.