Pinpoint Test B: DTC P0645
Climate Control System
Pinpoint Test B: DTC P0645
Refer to Wiring Diagram Set 54 (Fusion/Milan/MKZ, Fusion Hybrid, Milan Hybrid, MKZ Hybrid), Manual Climate Control System for schematic and connector information. Diagrams By Number
Refer to Wiring Diagram Set 55 (Fusion/Milan/MKZ, Fusion Hybrid, Milan Hybrid, MKZ Hybrid), Automatic Climate Control System for schematic and connector information. Diagrams By Number
Normal Operation
Under normal operation, voltage is provided to the A/C clutch relay coil through circuit CBK03 (GY). When A/C is requested, and A/C line pressures allow, a ground is provided to the A/C clutch relay coil from the PCM through circuit CH302 (WH/BN), energizing the A/C clutch relay.
- DTC P0645 (A/C Clutch Relay Control Circuit) - The DTC sets when the PCM grounds the relay circuit and excessive current draw is detected on the relay circuit. The DTC also sets when the relay circuit is OFF and no voltage is detected on the relay circuit. The PCM expects to detect voltage coming through the relay coil to the relay circuit when it is not grounding it.
This pinpoint test is intended to diagnose the following:
- Wiring, terminals or connectors
- A/C clutch relay
- PCM
PINPOINT TEST B: DTC P0645
-------------------------------------------------
B1 CHECK THE VOLTAGE TO THE A/C CLUTCH RELAY
- Ignition OFF.
- Disconnect: A/C Clutch Relay.
- Ignition ON.
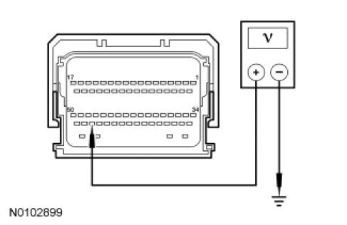
- Measure the voltage between ground and the A/C clutch relay socket, circuit CBK03 (GY).
- Is the voltage greater than 10 volts?
Yes
CARRY OUT the A/C clutch relay component test.
If the relay tests OK, GO to B2.
No
REPAIR circuit CBK03 (GY) for an open. CLEAR the DTCs. REPEAT the self-test. TEST the system for normal operation.
-------------------------------------------------
B2 CHECK CIRCUIT CH302 (WH/BN) FOR A SHORT TO VOLTAGE
- Ignition OFF.
- Disconnect: PCM C175B.
- Ignition ON.
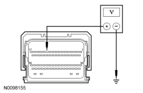
- For 2.5L and 3.0L only, measure the voltage between ground and PCM C175B-12, circuit CH302 (WH/BN), harness side.
- For 3.5L only, measure the voltage between ground and PCM C175B-64, circuit CH302 (WH/BN), harness side.
- Is any voltage present?
Yes
REPAIR circuit CH302 (WH/BN) for a short to voltage. CLEAR the DTCs. REPEAT the self-test. TEST the system for normal operation.
No
GO to B3.
-------------------------------------------------
B3 CHECK CIRCUIT CH302 (WH/BN) FOR A SHORT TO GROUND
- Ignition OFF.
- For 2.5L and 3.0L only, measure the resistance between ground and PCM C175B-12, circuit CH302 (WH/BN), harness side.
- For 3.5L only, measure the resistance between ground and PCM C175B-64, circuit CH302 (WH/BN), harness side.
- Is the resistance greater than 10,000 ohms?
Yes
GO to B4.
No
REPAIR circuit CH302 (WH/BN) for a short to ground. CLEAR the DTCs. REPEAT the self-test. TEST the system for normal operation.
-------------------------------------------------
B4 CHECK CIRCUIT CH302 (WH/BN) FOR AN OPEN
- For 2.5L and 3.0L only, measure the resistance between A/C clutch relay socket, circuit CH302 (WH/BN) and PCM C175B-12, circuit CH302 (WH/BN), harness side.
- For 3.5L only, measure the resistance between A/C clutch relay socket, circuit CH302 (WH/BN) and PCM C175B-64, circuit CH302 (WH/BN), harness side.
- Is the resistance less than 5 ohms?
Yes
GO to B5.
No
REPAIR circuit CH302 (WH/BN) for an open. CLEAR the DTCs. REPEAT the self-test. TEST the system for normal operation.
-------------------------------------------------
B5 CHECK THE PCM CONNECTION
- Disconnect all the PCM connectors.
- Inspect the module connectors for:
- corrosion.
- pushed-out terminals.
- damaged terminals.
- Connect and correctly seat all the PCM connectors.
- Clear the DTCs.
- Operate the system and verify the concern is still present.
- Is the concern still present?
Yes
INSTALL a new PCM. TEST the system for normal operation.
No
The system is operating correctly at this time. The concern may have been caused by a loose or corroded connector.
-------------------------------------------------