Operation CHARM: Car repair manuals for everyone.
Manuals through 2025 now available!

Our trusted friends have launched a new website named LEMON, which has newer manuals. It also contains all the CHARM manuals.

LEMON is the spiritual successor to CHARM, I recommend you try it!

Link: lemon-manuals.la or lemon-manuals.org.ua

(Some people have issue connecting. LEMON is investigating. For now, use Firefox or change your DNS server)

Or, hide this message: temporarily or permanently

Fluid Pan: Service and Repair




Main Control Cover













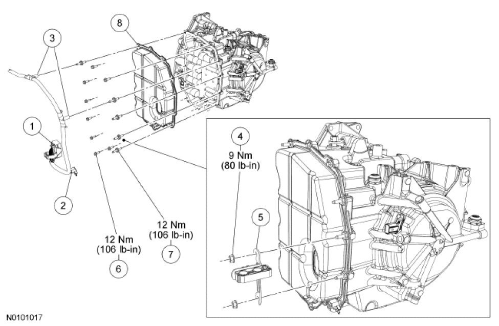
1. With the vehicle in NEUTRAL, position it on a hoist. For additional information, refer to Jacking and Lifting Service and Repair.

2. Remove the screws and the underbody cover.





3. Remove the Air Cleaner (ACL) assembly. For additional information, refer to Intake Air Distribution and Filtering - Air Cleaner.

4. Remove the transmission fluid drain plug and allow the transmission fluid to drain.





5. Install the transmission fluid drain plug.
- Tighten to 12 Nm (106 lb-in).





6. Disconnect the transaxle electrical connector.





7. Remove the transaxle electrical wiring harness retainers from the main control cover stud bolts.





8. Remove the 2 nuts, pull the transmission fluid cooler tube bracket and tubes away from the transaxle and position it aside.





9. NOTE: Note the location of the stud bolts for assembly.

Remove the 8 bolts, 5 stud bolts and the main control cover.





Installation

1. Clean the main control cover sealing surface and inspect for damage.





2. Apply silicone to the main control sealing surface of the transaxle case.





3. Position the main control cover in place.





4. NOTICE: Inspect the main control-to-main control cover grommet to make sure that the seals is on the inside of the main control cover. Transmission fluid leak will occur.

NOTE: Install the stud bolts in the locations noted during disassembly.

Tighten the 8 main control cover bolts and 5 stud bolts.

- Tighten to 12 Nm (106 lb-in).





5. Position the transmission fluid cooler tube bracket and transmission fluid cooler tube assembly in place and install the 2 nuts.
- Tighten to 9 Nm (80 lb-in).





6. Connect the transaxle electrical wiring harness retainers to the main control cover stud bolts.





7. Connect the transaxle electrical connector.





8. Install the underbody cover and the screws.





9. Install the ACL assembly. For additional information, refer to Intake Air Distribution and Filtering - Air Cleaner.

10. Fill the transaxle with clean transmission fluid.





11. Start the engine and move the range selector lever into each gear position.

12. Using the scan tool with the engine running, check and make sure that the transmission is at normal operating temperature 85-93°C (185-200°F). Check and adjust the transmission fluid level and check for any leaks. If transmission fluid is needed, add transmission fluid in increments of 0.24L (0.5 pt) until the correct level is achieved.