Operation CHARM: Car repair manuals for everyone.
Manuals through 2025 now available!

Our trusted friends have launched a new website named LEMON, which has newer manuals. It also contains all the CHARM manuals.

LEMON is the spiritual successor to CHARM, I recommend you try it!

Link: lemon-manuals.la or lemon-manuals.org.ua

(Some people have issue connecting. LEMON is investigating. For now, use Firefox or change your DNS server)

Or, hide this message: temporarily or permanently

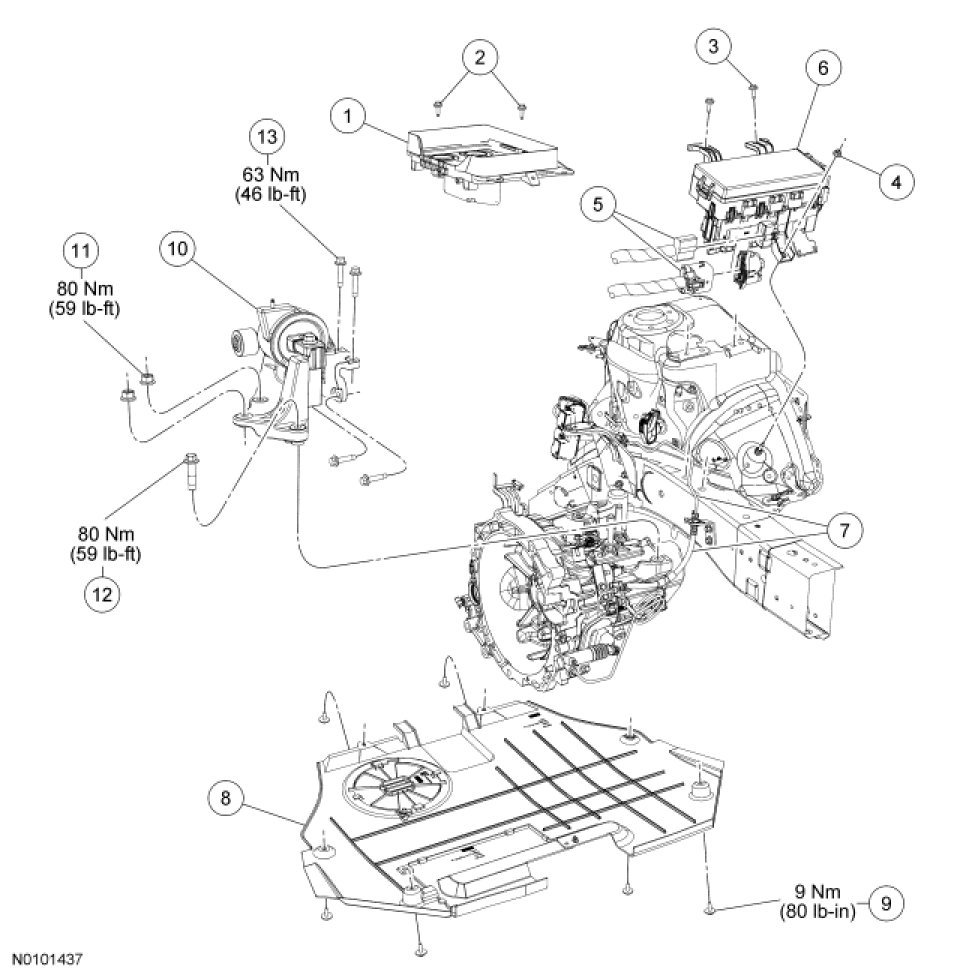
Transmission Mount: Service and Repair




Transaxle Rear Support Insulator













Removal

1. With the vehicle in NEUTRAL, position it on a hoist. For additional information, refer to Jacking and Lifting Service and Repair.

2. Remove the 7 splash shield bolts and the splash shield.





3. Remove the 2 lower transaxle rear support insulator bolts.





4. Remove the battery tray. For additional information, refer to Battery, Mounting and Cables Battery Tray.

5. Remove the 2 Power Distribution Box (PDB) bolts and the lower nut. Pull the PDB upward to unclip the pushpin.





6. Disconnect the 2 electrical connectors.





7. Install the Engine Support Bar.





8. Remove the clutch hydraulic tube spring clip. Push downward on the clutch tube to release it from the bracket.





9. Remove the clutch hydraulic tube from the plastic retainer.





10. NOTE: If one or both of the mount studs are removed or come out, do not reinstall the old stud(s). Install a new stud(s). Make sure the studs are properly seated in the case, even if they were not replaced.

Remove the remaining 2 transaxle rear support insulator-to-frame bolts, the 2 transaxle rear support insulator nuts and the transaxle rear support insulator-to-transaxle bolt.

11. Remove the transaxle rear support insulator.

Installation

1. Install the transaxle rear support insulator.

2. NOTE: If one or both of the mount studs are removed or come out, do not reinstall the old stud(s). Install a new stud(s). Make sure the studs are properly seated in the case, even if they were not replaced.

Install the 2 upper transaxle rear support insulator-to-frame bolts.

- Tighten to 63 Nm (46 lb-ft).

3. Install the 2 transaxle rear support insulator nuts and the transaxle rear support insulator bolt.
- Tighten to 80 Nm (59 lb-ft).

4. Install the clutch hydraulic tube into the plastic retainer.





5. Install the clutch hydraulic tube spring clip. Push upward on the clutch tube to attach it to the bracket.





6. Remove the Engine Support Bar.





7. Position the PDB in place. Connect the 2 electrical connectors.





8. Push the PDB downward to clip the pushpin. Install the 2 PDB bolts and the lower nut.





9. Install the battery tray and battery. For additional information, refer to Battery, Mounting and Cables Service and Repair.

10. Install the 2 lower transaxle rear support insulator-to-frame bolts.
- Tighten to 63 Nm (46 lb-ft).





11. Install the splash shield and the 7 splash shield bolts.
- Tighten to 9 Nm (80 lb-in).