Operation CHARM: Car repair manuals for everyone.
Manuals through 2025 now available!

Our trusted friends have launched a new website named LEMON, which has newer manuals. It also contains all the CHARM manuals.

LEMON is the spiritual successor to CHARM, I recommend you try it!

Link: lemon-manuals.la or lemon-manuals.org.ua

(Some people have issue connecting. LEMON is investigating. For now, use Firefox or change your DNS server)

Or, hide this message: temporarily or permanently

Pinpoint Test H: The Speed Dependent Interval Mode Does Not Operate Correctly




Wipers and Washers

Pinpoint Test H: The Speed Dependent Interval Mode Does Not Operate Correctly

Refer to Wiring Diagram Set 81 (Fusion/Milan/MKZ, Fusion Hybrid, Milan Hybrid, MKZ Hybrid), Front Wipers and Washers for schematic and connector information. Diagrams By Number

Normal Operation

Under normal operation, the windshield wiper/washer module receives vehicle speed information from the PCM through circuit VMC05 (VT/OG). The windshield wiper/washer module then determines the speed of the windshield wiper motor. The speed dependant wipers function in all INT modes except INT 1.

This pinpoint test is intended to diagnose the following:
- Wiring, terminals or connectors
- Wiper/washer module


PINPOINT TEST H: THE SPEED DEPENDENT INTERVAL MODE DOES NOT OPERATE CORRECTLY

NOTICE: Use the correct probe adapter(s) from the Flex Probe Kit when making measurements. Failure to use the correct probe adapter(s) may damage the connector.

-------------------------------------------------
H1 CHECK PCM FOR DTCs

- Review the DTCs from the PCM self-test.
- Are any Vehicle Speed Sensor (VSS) related DTCs present?

Yes
REFER to Computers and Control Systems Information to diagnose the VSS.

No
GO to H2.

-------------------------------------------------
H2 CHECK THE VEHICLE SPEED CIRCUIT FOR AN OPEN OR SHORT TO GROUND

- Ignition OFF.
- Disconnect: Wiper/Washer Module C2157.
- Disconnect: PCM C175B.
- Measure the resistance between wiper/washer module C2157-1, circuit VMC05 (VT/OG), harness side and PCM C175B-5, circuit VMC05 (VT/OG), harness side; and between wiper/washer module C2157-1, circuit VMC05 (VT/OG), harness side and ground.




- Is the resistance less than 5 ohms between wiper/washer module and PCM; and greater than 10,000 ohms between wiper/washer module and ground?

Yes
GO to H3.

No
REPAIR the circuit. TEST the system for normal operation.

-------------------------------------------------
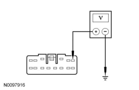
H3 CHECK THE VEHICLE SPEED CIRCUIT FOR A SHORT TO VOLTAGE

- Ignition ON.
- Measure the voltage between wiper/washer module C2157-1, circuit VMC05 (VT/OG), harness side and ground.




- Is any voltage present?

Yes
REPAIR the circuit. TEST the system for normal operation.

No
GO to H4.

-------------------------------------------------
H4 CHECK FOR CORRECT WIPER/WASHER MODULE OPERATION

- Disconnect all wiper/washer module connectors.
- Check for:
- corrosion.
- pushed-out pins.
- Connect all wiper/washer module connectors and make sure they seat correctly.
- Operate the system and verify the concern is still present.
- Is the concern still present?

Yes
INSTALL a new wiper/washer module. REFER to Wiper/Washer Module Service and Repair.

No
The system is operating correctly at this time. Concern may have been caused by a loose or corroded connector. TEST the system for normal operation.

-------------------------------------------------