Operation CHARM: Car repair manuals for everyone.
Manuals through 2025 now available!

Our trusted friends have launched a new website named LEMON, which has newer manuals. It also contains all the CHARM manuals.

LEMON is the spiritual successor to CHARM, I recommend you try it!

Link: lemon-manuals.la or lemon-manuals.org.ua

(Some people have issue connecting. LEMON is investigating. For now, use Firefox or change your DNS server)

Or, hide this message: temporarily or permanently

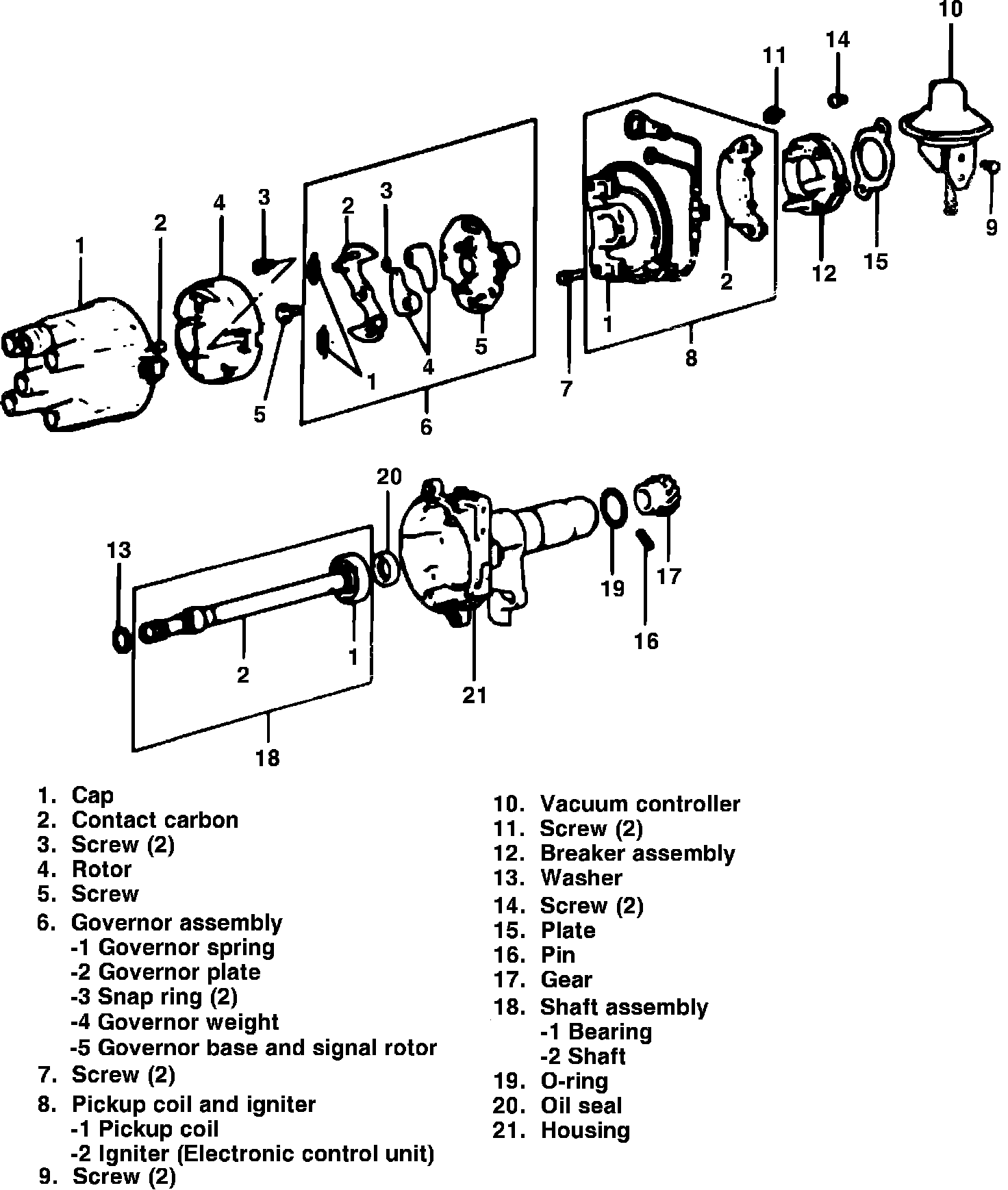
Distributor Service

Fig. 6 Distributor disassembled view.:




Fig. 7 Distributor disassembled view.:





Disassembly
Refer to Figs. 6 and 7 for distributor disassembled view, and proceed as follows:
1. Remove distributor from engine as described under ``Distributor, Replace.''
2. Gently place distributor assembly into a soft jaw vise.
3. Remove distributor cap and rotor.
4. Before removing governor weights and governor springs, place alignment marks on either of the governor pins and springs for reference during assembly.
5. Remove governor springs, snap rings and governor weights.
6. Remove retaining bolt, then the governor plate.
7. Remove governor base and signal rotor assembly.
8. Remove 2 igniter retaining screws, then the igniter and pickup coil assembly. When removing igniter, do not wipe grease from reverse side of igniter and housing assembly.
9. Disconnect igniter unit from pickup coil.
10. Remove screws, then the vacuum controller.
11. Remove breaker plate assembly from housing.
12. Remove screws, then the bearing retainer from housing.
13. Mark location of drive gear on distributor shaft. Do not use a sharp tool to mark location of drive gear on distributor shaft.
14. Remove roll pin and drive gear from shaft.
15. Remove distributor shaft from housing.


Fig. 8 Checking position of notched portion of shaft:





Assembly
1. Thoroughly clean and inspect all distributor components.
2. Install drive gear into distributor shaft at previously marked location. Then install a new roll pin. When a new drive gear is assembled onto the distributor shaft, ensure alignment punch mark on gear aligns with mating mark on housing. Check to ensure notched portion of shaft end is positioned as shown in Fig. 8.
3. Refer to disassembly procedure for remaining distributor assembly procedure.