Operation CHARM: Car repair manuals for everyone.
Manuals through 2025 now available!

Our trusted friends have launched a new website named LEMON, which has newer manuals. It also contains all the CHARM manuals.

LEMON is the spiritual successor to CHARM, I recommend you try it!

Link: lemon-manuals.la or lemon-manuals.org.ua

(Some people have issue connecting. LEMON is investigating. For now, use Firefox or change your DNS server)

Or, hide this message: temporarily or permanently

Heater Core: Service and Repair


1. Disconnect battery ground cable.
2. Position temperature control cable in the warm position, then drain cooling system.
3. Remove horn shroud, then remove steering wheel using a suitable puller.
4. Remove glove compartment from instrument panel.
5. Remove lap heater duct assembly.
6. Remove parcel tray attaching screws, then remove parcel tray.
7. Remove steering column lower cover.
8. Disconnect headlamp and wiper switch wire connectors, then remove steering column upper cover.
9. Remove instrument panel lower cover, located below steering column.
10. Remove instrument cluster as described under ``Instrument Cluster, Replace.''
11. Remove steering column bracket attaching screws.
12. Remove instrument panel left hand corner panel.
13. Remove control knobs from heater control levers.
14. Using a suitable tool, pry heater control panel cover from instrument panel, then remove heater control attaching screws.
15. Remove parking brake cover and ashtray from console.
16. Remove console to floor attaching screws, then remove console.
17. Remove roof side trim attaching clips and remove trim.
18. Detach front pillar trim clips by pulling trim outward from top, then remove trim.
19. Remove door opening weather stripping.
20. Remove hooked portion of upper cowl side trim from hole in body, then remove trim by pulling downward.
21. Remove scuff plate, then remove lower side trim attaching screws and trim.
22. Remove ashtray from instrument panel.
23. Disconnect instrument panel wire connectors.


Fig. 31 Prying upward on instrument panel cover.:





24. Pry upward on instrument panel cover using a suitable tool, Fig. 31.


Fig. 32 Instrument panel mounting screw locations.:





25. Remove instrument panel attaching bolts and nuts, then remove instrument panel, Fig. 32.


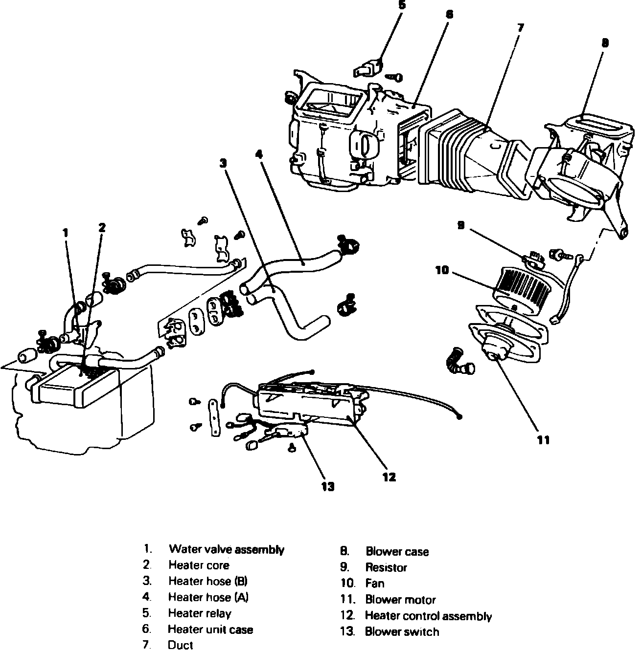
Fig. 33 Heater unit & blower motor assembly.:





26. Detach duct located between heater unit and blower motor assembly, Fig. 33.
27. Disconnect heater hose from heater unit. Cap hose and heater core fittings.


Fig. 34 Heater unit attaching screw locations.:





28. Remove heater unit attaching bolts, then remove heater unit, Fig. 34.


Fig. 35 Heater unit case attaching bolt locations.:





29. Remove hose and pipe clamps from heater unit, Fig. 35.
30. Remove heater core from heater unit.
31. Reverse procedure to install.